遍观所有模拟电子技术的书籍和课程,在介绍运算放大器电路的时候,无非是先给电路来个定性,比如这是一个同向放大器,然后去推导它的输出与输入的关系,然后得出Vo=(1+Rf)Vi,那是一个反向放 大器,然后得出Vo=-Rf*Vi……最后学生往往得出这样一个印象:记住公式就可以了!如果我们将电路稍稍变换一下,他们就找不着北了!偶曾经面试过至 少100个以上的大专以上学历的电子专业应聘者,结果能将我给出的运算放大器电路分析得一点不错的没有超过10个人!其它专业毕业的更是可想而知了。
今天,芯片级维修教各位战无不胜的两招,这两招在所有运放电路的教材里都写得明白,就是“虚短”和“虚断”,不过要把它运用得出神入化,就要有较深厚的功底了。
虚短和虚断的概念
由于运放的电压放大倍数很大,一般通用型运算放大器的开环电压放大倍数都在80 dB以上。而运放的输出电压是有限的,一般在 10 V~14 V。因此运放的差模输入电压不足1 mV,两输入端近似等电位,相当于 “短路”。开环电压放大倍数越大,两输入端的电位越接近相等。
“虚短”是指在分析运算放大器处于线性状态时,可把两输入端视为等电位,这一特性称为虚假短路,简称虚短。显然不能将两输入端真正短路。
由于运放的差模输入电阻很大,一般通用型运算放大器的 输入电阻都在1MΩ以上。因此流入运放输入端的电流往往不足1uA,远小于输入端外电路的电流。故 通??砂言朔诺牧绞淙攵耸游罚沂淙氲缱柙酱?,两输入端越接近开路。“虚断”是指在分析运放处于线性状态时,可以把两输入端视为等效开路,这一特性称 为虚假开路,简称虚断。显然不能将两输入端真正断路。
在分析运放电路工作原理时,首先请各位暂时忘掉什么同向放大、反向放大,什么加法器、减法器,什么差动输入……暂时忘掉那些输入输出关系的公式……这些东东只会干扰你,让你更糊涂﹔也请各位暂时不要理会输入偏置电流、共模抑制比、失调电压等电路参数,这是设计者要考虑的事情。我们理解的就是理想放大器(其实在维修中和大多数设计过程中,把实际放大器当做理想放大器来分析也不会有问题)。
好了,让我们抓过两把“板斧”------“虚短”和“虚断”,开始“庖丁解牛”了。


图一运放的同向端接地=0V,反向端和同向端虚短,所以也是0V,反向输入端输入电阻很高,虚断,几乎没有电流注入和流出,那么R1和R2相当于是串联 的,流过一个串联电路中的每一只组件的电流是相同的,即流过R1的电流和流过R2的电流是相同的。流过R1的电流I1 = (Vi - V-)/R1 ……a 流过R2的电流I2 = (V- - Vout)/R2 ……b V- = V+ = 0 ……c I1 = I2 ……d 求解上面的初中代数方程得Vout = (-R2/R1)*Vi 这就是传说中的反向放大器的输入输出关系式了。


图二中Vi与V-虚短,则 Vi = V- ……a 因为虚断,反向输入端没有电流输入输出,通过R1和R2 的电流相等,设此电流为I,由欧姆定律得: I = Vout/(R1+R2) ……b Vi等于R2上的分压, 即:Vi = I*R2 ……c 由abc式得Vout=Vi*(R1+R2)/R2这就是传说中的同向放大器的公式了。


图三中,由虚短知: V- = V+ = 0 ……a 由虚断及基尔霍夫定律知,通过R2与R1的电流之和等于通过R3的电流,故 (V1 – V-)/R1 + (V2 – V-)/R2 = (Vout – V-)/R3 ……b 代入a式,b式变为V1/R1 + V2/R2= Vout/R3 如果取R1=R2=R3,则上式变为Vout=V1+V2,这就是传说中的加法器了。
(编辑者注)质疑:(V1 – V-)/R1 + (V2 – V-)/R2 =(V- – Vout)/R3 ……b 图三公式中少了个负号?


请看图四。因为虚断,运放同向端没有电流流过,则流过R1和R2的电流相等,同理流过R4和R3的电流也相等。故 (V1 – V+)/R1 = (V+ - V2)/R2 ……a (Vout – V-)/R3 = V-/R4 ……b 由虚短知: V+ = V- ……c 如果R1=R2,R3=R4,则由以上式子可以推导出 V+ = (V1 + V2)/2 V- =Vout/2 故 Vout = V1 + V2 也是一个加法器,呵呵!


图五由虚断知,通过R1的电流等于通过R2的电流,同理通过R4的电流等于R3的电流,故有 (V2– V+)/R1 = V+/R2 ……a (V1 – V-)/R4 = (V- - Vout)/R3 ……b 如果R1=R2, 则V+ = V2/2 ……c 如果R3=R4, 则V- = (Vout + V1)/2 ……d 由虚短知 V+ = V- ……e 所以 Vout=V2-V1 这就是传说中的减法器了。


图六电路中,由虚短知,反向输入端的电压与同向端相等,由虚断知,通过R1的电流与通过C1的电流相等。通过R1的电流i=V1/R1 通过C1的电流i=C*dUc/dt=-C*dVout/dt所以 Vout=((-1/(R1*C1))∫V1dt 输出电压与输入电压对时间的积分成正比,这就是传说中的积分电路了。若V1为恒定电压U,则上式变换为Vout = -U*t/(R1*C1) t 是时间,则Vout输出电压是一条从0至负电源电压按时间变化的直线。


图七中由虚断知,通过电容C1和电阻R2的电流是相等的,由虚短知,运放同向端与反向端电压是相等的。则: Vout = -i * R2 = -(R2*C1)dV1/dt 这是一个微分电路。如果V1是一个突然加入的直流电压,则输出Vout对应一个方向与V1相反的脉冲。


图八由虚短知 Vx = V1 ……a Vy = V2 ……b由虚断知,运放输入端没有电流流过,则R1、R2、R3可视为串联,通过每一个电阻的 电流是相同的, 电流I=(Vx-Vy)/R2 ……c 则: Vo1-Vo2=I*(R1+R2+R3) = (Vx-Vy)(R1+R2+R3)/R2 ……d 由虚断知,流过R6与流过R7的电流相等,若R6=R7, 则Vw = Vo2/2 ……e 同理若R4=R5,则Vout – Vu = Vu – Vo1,故Vu = (Vout+Vo1)/2 ……f 由虚短知,Vu = Vw ……g 由efg得 Vout = Vo2 – Vo1 ……h 由dh得 Vout = (Vy –Vx)(R1+R2+R3)/R2 上式中(R1+R2+R3)/R2是定值,此值确定了差值(Vy –Vx)的放大倍数。这个电路就是传说中的差分放大电路了。


分析一个大家接触得较多的电路。很多控制器接受来自各种检测仪表的0~20mA或4~20mA电流,电路将此电流转换成电压后再送ADC转换成数字信号,图九就是这样一个典型电路。如图4~20mA电流流 过采样100Ω电阻R1,在R1上会产生0.4~2V的电压差。由虚断知,运放输入端没有电流流过,则流过R3和R5的电流相等,流过R2和R4的电流相 等。故: (V2-Vy)/R3 = Vy/R5 ……a (V1-Vx)/R2= (Vx-Vout)/R4 ……b 由虚短知: Vx = Vy ……c 电流从0~20mA变化,则V1 = V2 + (0.4~2) ……d 由cd式代入b式得(V2 +(0.4~2)-Vy)/R2 = (Vy-Vout)/R4 ……e 如果R3=R2,R4=R5,则由e-a得Vout =-(0.4~2)R4/R2 ……f 图九中R4/R2=22k/10k=2.2,则f式Vout = -(0.88~4.4)V,即是说,将4~20mA电流转换成了-0.88 ~ -4.4V电压,此电压可以送ADC去处理。


电流可以转换成电压,电压也可以转换成电流。图十就是这样一个电路。上图的负反馈没有通过电阻直接反馈,而是串联了三极管Q1的发射结,大家可不要以为是一个比较器就是了。只要是放大电路,虚短虚断的规律仍然是符合的!
由虚断知,运放输入端没有电流流过,
则 (Vi – V1)/R2 = (V1 – V4)/R6 ……a
同理 (V3 – V2)/R5 = V2/R4 ……b
由虚短知 V1 = V2 ……c
如果R2=R6,R4=R5,则由abc式得V3-V4=Vi
上式说明R7两端的电压和输入电压Vi相等,则通过R7的电流I=Vi/R7,如果负载RL<<100KΩ,则通过Rl和通过R7的电流基本相同。


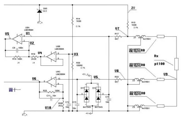
来一个复杂的,呵呵!图十一是一个三线制PT100前置放大电路。PT100传感器引出三根材质、线径、长度完全相同的线,接法如图所示。有2V的电压加在由R14、R20、R15、Z1、PT100及其线电阻组成的桥电路上。Z1、Z2、Z3、D11、D12、D83及各电容在电路中起滤波和保护作用,静态分析时可不予理会,Z1、Z2、Z3可视为短路,D11、D12、D83及各电容可视为开路。由电阻分压知, V3=2*R20/(R14+20)=200/1100=2/11 ……a 由虚短知,U8B第6、7脚 电压和第5脚电压相等 V4=V3 ……b 由虚断知,U8A第2脚没有电流流 过,则流过R18和R19上的电流相等。(V2-V4)/R19=(V5-V2)/R18 ……c 由虚断知,U8A第3脚没有电流流过, V1=V7 ……d 在桥电路中R15和Z1、PT100及线电阻串联,PT100与线电阻串联分得的电压通过电阻R17加至U8A的第3脚,V7=2* (Rx+2R0)/(R15+Rx+2R0) …..e 由虚短知,U8A第3脚和第2脚电压相等, V1=V2……f 由abcdef得,(V5-V7)/100=(V7-V3)/2.2 化简得 V5=(102.2*V7-100V3)/2.2 即 V5=204.4(Rx+2R0)/(1000+Rx+2R0) – 200/11 ……g 上式输出电压V5是Rx的函数我们再看线电阻的 影响。Pt100最下端线电阻上产生的电压降经过中间的线电阻、Z2、R22,加至U8C的第10脚,由虚断知, V5=V8=V9=2*R0/(R15+Rx+2R0) ……a(V6-V10)/R25=V10/R26 ……b 由虚短知, V10=V5 ……c 由式abc得V6=(102.2/2.2)V5=204.4R0/[2.2(1000+Rx+2R0)] ……h 由式gh组成的方程组知,如果测出V5、V6的值,就可算出Rx及R0,知道Rx,查pt100分度表就知道温度的大小了。
烜芯微专业制造二极管,三极管,MOS管,桥堆等20年,工厂直销省20%,上万家电路电器生产企业选用,专业的工程师帮您稳定好每一批产品,如果您有遇到什么需要帮助解决的,可以点击右边的工程师,或者点击销售经理给您精准的报价以及产品介绍
烜芯微专业制造二极管,三极管,MOS管,桥堆等20年,工厂直销省20%,上万家电路电器生产企业选用,专业的工程师帮您稳定好每一批产品,如果您有遇到什么需要帮助解决的,可以点击右边的工程师,或者点击销售经理给您精准的报价以及产品介绍