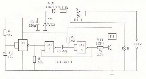
照明定时器电路如图所示。电路中由或非门2、3、C3和R4构成单稳态电路,R1、VD1和C1构成直流电源供电电路,或非门1、R2和C2构成触发脉冲形成电路,半导体三极管VT1、R5及继电器K1构成驱动电路。
当按下按钮开关S1后,市电经R1、VD1向C1充电,充电时间常数为0.03s。C1充电后的电压经稳压后向电路提供+15V的直流电压。由于触发脉冲形成的时间常数为0,51s,远大于C1的充电时间,所以C2一开始来不及充电,或非门1输入端为“0”,输出端为“1”。随着C2被充够0.4s的电后,或非门1输人端变为“1”,其输出端变为“0”,这样就形成了开机的触发脉冲。此开机触发正脉冲输人给或非门2,使其输出端为“0”。这时,由于C3尚未充电,信号会很快传给或非门3的输入端,或非门3的输出端为“1”,此高电平一方面作为激励电压去驱动VT1,另一方面反馈到或非门2的另一输人端,使其保持“0”输出。这样,当触发脉冲消失后,或非门2的输出仍为“0”。当驱动导通后,继电器K1吸合,其触点K1-1闭合,使开关Sl自保,照明灯E在S1松开时仍被点亮。
随着直流电压通过R4对C3的充电,使或非门3的输人端电压不断升高,当达到逻辑电平“1”时,或非门3的输出端就会从“1”变为“0”,使VT1截止,继电器K1失电释放,其触点K1-1断开,使整个电路断电,照明灯E熄灭。从照明灯E点亮到熄灭的延迟时间由单稳态电路中的C3及R4确定,按电路给定的参数,该时间为4min。

烜芯微专业制造二极管,三极管,MOS管,桥堆等20年,工厂直销省20%,上万家电路电器生产企业选用,专业的工程师帮您稳定好每一批产品,如果您有遇到什么需要帮助解决的,可以点击右边的工程师,或者点击销售经理给您精准的报价以及产品介绍

烜芯微专业制造二极管,三极管,MOS管,桥堆等20年,工厂直销省20%,上万家电路电器生产企业选用,专业的工程师帮您稳定好每一批产品,如果您有遇到什么需要帮助解决的,可以点击右边的工程师,或者点击销售经理给您精准的报价以及产品介绍