目前在我国偏远的山区及农村,电网电压极不稳定,而且电压普遍偏低,有的电网电压只有 120V 左右。在这样的电网中,电视机及其它家用电器就无法正常使用了。市场上虽有较多的稳压器,但使用起来效果并不怎么好,且售价较高。为了解决这一问题,特设计了一台造价不高、元器件易购的稳压器。
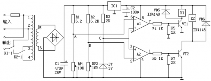
电路原理如下图所示。


市电从变压器的 1、2 头输入,3、4 头为自耦调压抽头,5、6 头为控制电路的电源及取样抽头。市电电压正常时,因 C 点电压始终为 3V(即 R1 降压 DW 稳压所得),A、B 点均大于 3V,故 A1、A2 输出低电平;当市电电压下降时,5、6 头的电压也随之下降,A 点电压也跟着下降,当 A 点电压下降到低于 3V 时,A1 输出高电平,使三极管 V1 饱和导通,继电器 K1 吸合,将调压器输出调于 1、3 头;当市电电压继续下降时,同理B 点电压低于3V时,(VA<VB),A2 输出高电平,使 V2 饱和导通,K2 吸合,将调压器输出调于 1、4 头 ,以达到自耦升压之目的。
反之,如果电压升高时,B 点电压也随之升高,当 B 点电压高于 3V 时,A2 输出低电平,V2 截止,H2 释放,输出端调至 1、3 头;当市电电压继续升高时,A 点电压高于 3V,A1 输出低电平,V1 截止,K1 释放,输出端调至 1、2 头。A1、A2 为运算放大器,在这里作电压比较器用;IC1 为三端稳压块,它为运算放大器及继电器提供供电电源;VD5、VD6为保护二极管。
在元器的件选择上,IC1 选用 LM78L06;A1、A2 选用 LM358;VT1、VT2 选用 9013;继电器选用 4123、电压为 6V;DW 选用 3V 稳压管;VD1~VD4 选用 1N4007,VD6 选用 1N4148;变压器的铁芯选用的是 E 型 24 铁芯,也可根据实际情况选用,线圈参数为:1~2 用 0.22mm 漆包线绕1800圈 ;2~3用0.27mm漆包线绕 400圈 ;3~4用0.27mm漆包线绕850圈 ,5~6 用 0.21mm漆包线绕 145 圈;其它元件参数可按图中所标注选用。
另外,本稳压器应安装在金属机壳内,并具有较好的散热孔,在电路装配完成后将 RP1 及 RP2调至最大阻值,用调压器将输入电压调至 180V,然后调 RP1 将 A 点电压调整在 2.9V,此时 A1 输出高电平,V1 导通,继电器 K1 吸合,将输出端自动调至 1、3 头,输出电压为 220V左右;然后再调调压器使输入电压为 140V(此时输出电压为 180V),调整 RP2,使 B 点电压为 2.9V,此时 A2 输出高电平,V2 导通,继电器 K2 吸合,将输出端自动调至 1、4 头 ,使输出电压再次升高到 220V 左右。按图中所给数据,在电网电压低至 120V 时,电视机仍能正常收看。需要说明的是:由于继电器的吸合电流大于释放电流,输出电压会有一定的误差,需要反复调整 RP1 和 RP2,以达到最佳状态。
烜芯微专业制造二极管,三极管,MOS管,桥堆等20年,工厂直销省20%,4000家电路电器生产企业选用,专业的工程师帮您稳定好每一批产品,如果您有遇到什么需要帮助解决的,可以点击右边的工程师,或者点击销售经理给您精准的报价以及产品介绍
烜芯微专业制造二极管,三极管,MOS管,桥堆等20年,工厂直销省20%,4000家电路电器生产企业选用,专业的工程师帮您稳定好每一批产品,如果您有遇到什么需要帮助解决的,可以点击右边的工程师,或者点击销售经理给您精准的报价以及产品介绍