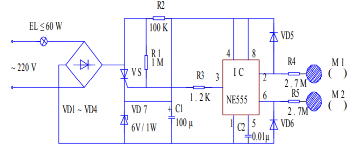
本双键触摸式照明灯电路图使用两个触摸电极片,分别代替在实际生活中的开和关控制。
其电路工作原理如下图所示。


VS 与 VD7 构成了开关回路。当人触摸到 M1(开)电极片时,人体通过 R4、VD5 整流后给IC NE555 集成电路的2脚一个低电平信号(此时IC NE555 集成电路接为RS 触发器 ),输出脚 3 输出高电平,通过 R3 后触发 VS 的门极,VS 导通,电灯点亮。当人触摸到 M2(关)电极片时,人体通过 R5、VD6 整流后给 IC NE555 集成电路的 6脚一个低电平信号,输出脚 3 输出低电平,R1 提供的正向触发电压被 R3 通过集成电路的 3脚对地短路,VS 失去触发电压,当交流过零时即关断,电灯熄灭。
在元器件选择上,IC 选用 NE555 型集成电路;VS 选用 2N6565 型普通塑封小型单向晶闸管;VD1~VD4 选用 IN4007 硅整流二极管;VD7 选用 6.2V、1W 的 2CW105 硅稳压二极管;VD6、VD7 选用IN4148 型硅开关二极管;R1~R5 均选用 RTX—1/8W 型碳膜电阻器;C1 选用 CD11—16V型电解电容;C2 选用 C'I'I 型瓷介电容器。另外,本电路结构简单、使用方便,只要焊接正确,选用元件正确都能正常工作。由于本电路负载的能力受到稳压管 VD7 的限制,所以负载的功率不宜大于 60W。
烜芯微专业制造二极管,三极管,MOS管,桥堆等20年,工厂直销省20%,4000家电路电器生产企业选用,专业的工程师帮您稳定好每一批产品,如果您有遇到什么需要帮助解决的,可以点击右边的工程师,或者点击销售经理给您精准的报价以及产品介绍
烜芯微专业制造二极管,三极管,MOS管,桥堆等20年,工厂直销省20%,4000家电路电器生产企业选用,专业的工程师帮您稳定好每一批产品,如果您有遇到什么需要帮助解决的,可以点击右边的工程师,或者点击销售经理给您精准的报价以及产品介绍