一、光耦在开关电源调整电压作用
我们知道作为开关电源,它电路中光耦的电源是从高频变压器次级电压来获取的,一旦输出电压由于各种原因降低时候,反馈电流就会相应的加大,此时占空比也会相应的变大,结果使得输出电压升高;若输出电压升高,那么电流将会变小,占空比也会减小,使得输出电压降低。

一旦高频变压器次级负载超载或开关电路有故障,就没有光耦电源提供,此时光耦就控制着开关电路不能起振,最终?;た毓懿恢帘换鞔┥栈?,因此光耦在开关电源一般起到隔离、提供反馈信号和开关三种作用。
如下图是光耦PC817和稳压管组合而成的开关电源电路,有些开关电源还会与TL431一起构成精度较为高的电路。注意这种光耦一般是线性的光耦。

二、光耦在交流等负载做开关作用
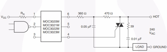
光耦由于在具有单向传输,并且输入端与输出实现了电气隔离,使得输出信号对输入端无影响,因此广泛应用于各种隔离电路当中,对于电力电子而言,在交流负载应用的就比较多,通过与双向可控硅一起构成抗干扰能力强的隔离电路,如下图,注意要增加限流电阻,另外在输出负载增加RC吸收回路或者并联一个压敏电阻,这有助于?;じ涸?。

三、过零检测作用
要实现过零其实有很多种方法,有串联两个二极管方法,还可以通过光耦来转换,如下图,

采用两个光耦,交流电输入,两个光耦反向并联,在市电的正负半周两个光耦分别轮流导通,当市电不在过零点时候,只有一个光耦导通,此时输出低电平,当市电转到过零点时候,两个光耦均不导通,此时由于R3作用,pin输出高电平,这样在输出端得到周期为10ms的脉冲信号。由于这种电路由光耦隔离作用,因此这种过零检测电路比串联二极管的那种电路更为更安全。
四、其他应用
除了这三种,另外光耦还有其他的应用,例如触发电路、逻辑电路、脉冲放大电路等。
烜芯微专业制造二极管,三极管,MOS管,桥堆等20年,工厂直销省20%,4000家电路电器生产企业选用,专业的工程师帮您稳定好每一批产品,如果您有遇到什么需要帮助解决的,可以点击右边的工程师,或者点击销售经理给您精准的报价以及产品介绍
烜芯微专业制造二极管,三极管,MOS管,桥堆等20年,工厂直销省20%,4000家电路电器生产企业选用,专业的工程师帮您稳定好每一批产品,如果您有遇到什么需要帮助解决的,可以点击右边的工程师,或者点击销售经理给您精准的报价以及产品介绍