今天为大家科普下正激式开关与反激式开关电源到底有什么区别。
话不多说,先上反激式和正激式的原理图先认识下他们:
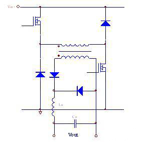
反激式:

单端正激式:

双管正激式:

由上三张图可知,反激的变压器可以看作一个带变压功能的电感,是一个buck-boost电路。正激的变压其是只有变压功能,整体可以看成一个带变压器的buck电路。二次侧接第一个整流二极管的负端接电解电容的是反击,接电感的是正激。
总地来说,正激反激工作原理不同,正激是初级工作次级也工作,次级不工作有续流电感续流,一般是CCM模式。功率因数一般不高,而且输入输出和变比占空比成比例。反激是初级工作,次级不工作,两边独立开来,一般DCM模式下,理论上是单位功率因数,但是变压器的电感会比较小,而且需要加气隙,所以一般适合中小功率情况.一般的电源书都会有具体的介绍和设计公式。
正激变压器是理想的,不储能,但是由于励磁电感(Lp)是有限值,励磁电流使得磁芯B会大,为避免磁通饱和,变压需要辅助绕组进行磁通复位;反激变压器工作形式可以看做耦合电感;电感先储能,再放能。由于反激变压器的输入、输出电压极性相反,固当开关管断开之后,次级可以提供磁芯一个复位电压,因而反激变压器不需额外增加磁通复位绕组。
下面将从各个角度为大家详细介绍这两者之间差别。
主要区别
正激反激主要区别在高频变压器的工作方式不同但他们在同一象限上。正激是当变压器原边开关管导通时同时能量被传递到负载上,当开关管截止是变压器的能量要通过磁复位电路去磁。反激是和正激相反,当原边开关管导通时给变压器存储能量。但能量不会加在负载上,当开关管截止时,变压器的能量释放到负载侧。正激开关电源,后面多的那个二级管是续流二级管,一般输出部分还会多加一个储能电感,正激和反激最重要的区别是变压器初次级的相位是反相的。
最大区别
正激与反激的工作最大区别是,当开关管关断时,正激的输出主要靠储能电感和续流二级管来维持输出,而反激的输出主要靠变压器次级释放能量来维持输出。正激电路不宜做多路输出,正激电路要用脉宽调整做稳压必须在次极整流以后串电感,不然输出电压主要由输入决定,与脉宽影响不大,脉宽只影响输出纹波。如用正激电路做多路输出原理上存在的问题:如每路输出不用电感,那么对输入变化没有稳压作用,且没有开关电源应有的安全性。如果每路加电感:那么输出电压在理论上与负载大小有关,不参与反馈的回路就不正。
反激电路在原理上就适合多路输出稳压。反激电路首先储能,后把能量按各路的电压比率供应给每一路,先可以认为每路的输出比例是不变的(实际有误差看下面),按电流谁需要多给谁多的原则分配。
关于反馈
被反馈的这一路总是很准的因为就是按找他来反馈的,但反馈的一路一定要有一点负载。不然会加大输出各路间的不平衡??梢杂枚嗦芳尤ɡ唇蟹蠢?,就可以使误差的矢量和为零,通俗点让误差在各路间均衡,哪路的权重大,哪路的精度就高。变压器遵守各个瞬态电压比等于线圈比,这是理解中用得最多的一个条件。
关于开关电源
正激式是开关管导通时变压器次级电路工作,反激式是开关管截止时变压器次级电路工作(开关截止,主级能量传递给次级,次级工作开关闭合,主级电感线圈存储能量)。 正激式开关电源输出必需有续流二极管而反激式没有(它们的变压器绕法也不一样。反激式变压器初次极工作时间相反而正激式初次极工作时间相同)
正激跟反激相比最大的问题的用的器件更多,虽然好像没多几个,但都是必不可少,而且成本都是很高的。电路比反激式变压器开关电源多用一个大储能滤波电感,以及一个续流二极管。 正激式变压器开关电源输出电压受占空比的调制幅度,相对于反激式变压器开关电源来说要低很多,因此,正激式变压器开关电源要求调控占空比的误差信号幅度比较高,误差信号放大器的增益和动态范围也比较大。
正激式变压器开关电源为了减少变压器的励磁电流,提高工作效率,变压器的伏秒容量一般都取得比较大,并且为了防止变压器初级线圈产生的反电动势把开关管击穿,正激式变压器开关电源的变压器要比反激式变压器开关电源的变压器多一个反电动势吸收绕组,因此,正激式变压器开关电源的变压器的体积要比反激式变压器开关电源的变压器的体积大。
正激式变压器开关电源还有一个更大的缺点是在控制开关关断时,变压器初级线圈产生的反电动势电压要比反激式变压器开关电源产生的反电动势电压高。因为一般正激式变压器开关电源工作时,控制开关的占空比都取在0.5左右,而反激式变压器开关电源控制开关的占空比都取得比较小。
应用区别
正激式变压器不蓄积能量,只担负偶合传输,反激式变压器需把开通过程中的能量蓄积在本身,关断过程中再释放:正激式绕组同相位,反激式绕组反相;正激式变压器不用调节电感值,反激式需调节。正激式工作存在剩磁为防饱和需消磁电路,本身不蓄能需要蓄能线圈和续流二极管,反激式不用。
反激主要用在150-200瓦以下的情况,正激则用在150w到几百瓦之间。之所以反激更广范就是因为我们日常中100w以下的电源比较常见,应用比较常见,所以也就比较广泛啦。原理就是一个通过储能再通过变比进行变压的,一个是直接通过变比进行变压的。正激初级绕组同名端都是正极所以叫正激,反激一个在正,一个在负所以叫反激。
反激式可做小功率,成本低,调试相对简单些,所以在小功率电源中常用。它们的区别: 主变压器方面, 正激的需增加消磁绕组,当然也有的用增加两个二极管在主绕组进行消磁,无论如何正激电源必须增加消磁回路。反激不用增加输出储能电感,因为能量能储存在次级线圈中 ,正激须增加输出储能电感,且整流部分需增加续流二极管。
烜芯微专业制造二极管,三极管,MOS管,桥堆等20年,工厂直销省20%,4000家电路电器生产企业选用,专业的工程师帮您稳定好每一批产品,如果您有遇到什么需要帮助解决的,可以点击右边的工程师,或者点击销售经理给您精准的报价以及产品介绍
烜芯微专业制造二极管,三极管,MOS管,桥堆等20年,工厂直销省20%,4000家电路电器生产企业选用,专业的工程师帮您稳定好每一批产品,如果您有遇到什么需要帮助解决的,可以点击右边的工程师,或者点击销售经理给您精准的报价以及产品介绍