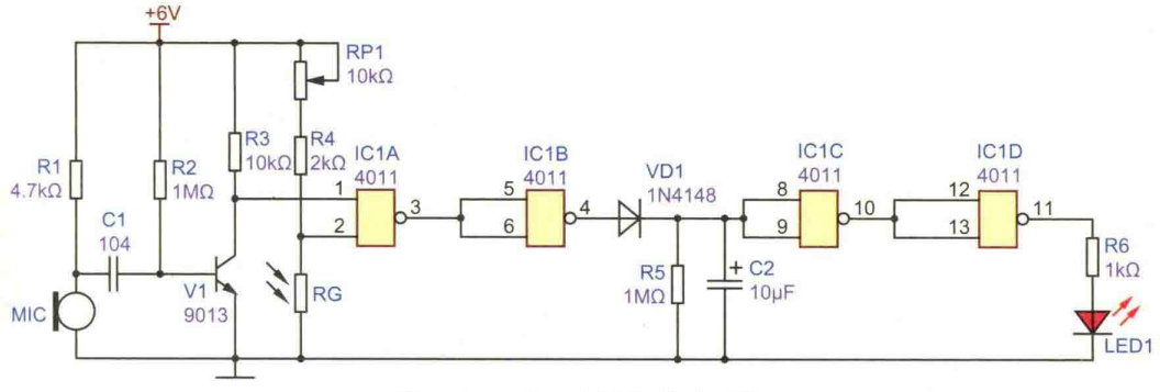
这里介绍的是一种声、光双控延时灯,在白天或者光线较强的场合,即使有较大的声响,灯也不会点亮,在晚上或者光线较暗时,如有说话、拍手、 脚步等声音,灯将自动点亮,经过一段时间后,自动熄灭,电路原理图如下图所示。


在白天,光线照射到光敏电阻RG上,其阻值变得较小,与非门1C1A的输入端第2脚为低电平,这样不论输入端第1脚是高电平还是低电平,输出端第3 脚都将保持为高电平,不受声音脉冲的控制,IC1A的输出高电平,经过ICB、 IClC、ICID3次缓冲、反相后,第11脚输出为低电平,发光二极管LED1熄灭。
在晚间,光线很暗,光敏电阻RG呈现较高的阻值,使与非门ICIA的输入端第2脚变为高电平,ICIA的输出状态将受到第1脚的电平控制,这为声音通 道的开通创造了条件。在没有声音信号时,三极管V1工作在饱和导通状态,故 ICIA的第1脚为低电平,发光二极管LED1仍然处于熄灭状态。当附近有说话 或者走路等声响时,驻极话筒MC拾取声音信号,经过C1送到VI的基极,V 将由饱和状态进入放大状态,V1的集电极由低电平变为高电平,并送至IC1A 的第1脚,IC1A的输出端第3脚将变为低电平,经过IC1B反相后,由第4脚输 出高电平,该高电平通过二极管VD1向电解电容C2充电,因充电时间常数很 小,C2很快就充满电,第4脚的高电平再经过IClC、ICID两次缓冲、反相后, 第11脚输出高电平,发光二极管LED1点亮。声音消失后,三极管Ⅵ1恢复饱和 导通状态,IC1A的第1脚变为低电平,输出端第3脚变为高电平,经过IC1B反 相后,输出端第4脚变为低电平。此时,由于有二极管VD起到的隔断作用, 电解电容C2只能通过电阻R5缓慢放电,IClC的输入端仍将维持高电平,因此 ICID的输出端第11脚将继续维持高电平,LEDl继续处于点亮状态。经过一段 时间后,当电解电容C2两端电压随着放电的持续而下降到低电平时,IC1C的 输出将变为高电平,再经过CID的反相后,其输出将变为低电平,LED1熄灭, 完成一次声控过程。
烜芯微专业制造二极管,三极管,MOS管,桥堆等20年,工厂直销省20%,4000家电路电器生产企业选用,专业的工程师帮您稳定好每一批产品,如果您有遇到什么需要帮助解决的,可以点击右边的工程师,或者点击销售经理给您精准的报价以及产品介绍
烜芯微专业制造二极管,三极管,MOS管,桥堆等20年,工厂直销省20%,4000家电路电器生产企业选用,专业的工程师帮您稳定好每一批产品,如果您有遇到什么需要帮助解决的,可以点击右边的工程师,或者点击销售经理给您精准的报价以及产品介绍