该电路可设定设备的循环周期时间以及每次工作的时间,可以让设备按照设定的时间不断地循环工作,可应用于定时抽水、定时换气、定时通风等控制场合。
一、电路工作原理下图所示。


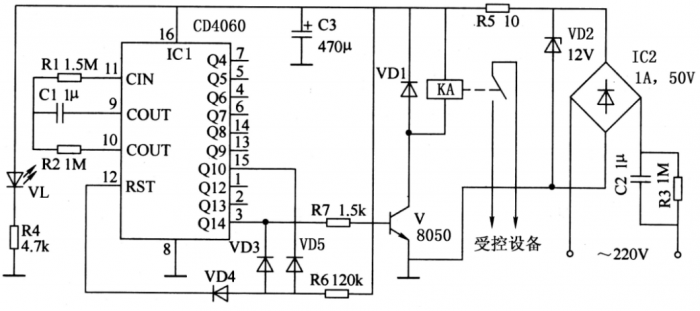
电路通过电容 C2 和泄放电阻 R3 降压后,经过桥堆 IC2 整流,VD2 稳压后,得到 12V左右的直流电压,为 IC1 及其它电路供电。IC1 为 14 位二进制计数/分频器集成电路,通过由 R1、R2、C1 和 IC1 的内部电路构成一定频率的时钟振荡器,为IC1 的定时提供时钟脉冲 。当电路通电后,首先进入设备的工作间隙等待时间,IC1 内部通过对时钟脉冲的计数和分频实现延时,当计时时间到时(按图中参数,约为 3 小时),IC1 的 Q14 端输出高电平,使三极管 V 导通,继电器 KA 得点,驱动受控设备开始工作。此时,IC1 又开始对设备工作时间进行计时,定时时间到时(按图中参数,约为 20 分钟),IC1 的 Q14 端重新变为低电平,使V 截止,设备停止工作。此时,IC1 自动复位,又开始下一次计时,从而可以使设备按照设定时间进行定时循环工作。图中 VL 为工作指示灯。
在元器件选择方面,集成电路 IC1 选用 14 位二进制计数/分频器集成电路 CD4066,也可使用 CC4066 或其它功能相同的数字电路集成块。IC2 选用 1A、50V 的桥堆,也可用四只 1N4007 二极管接成 。三极管 V 选用 NPN 型三极管 8050,也可使用 9013 或 3DG12 等国产三极管。VD1 选用整流二极管 1N4007;VD1 选用 1W,12V 的硅稳压管,如1N4742;VD3~VD5 使用开关二极管 1N4148;VL 选用普通发光二极管。电阻 R1、R2、R4、R6 和 R7 选用 1/4W 的金属膜电阻器;R3 和 R5 选用 1/2W 碳膜电阻器。C1 选用涤纶或独石电容器;C2 选用耐压为 450V及以上的聚丙烯电容器;C3 选用耐压为 16V 的铝电解电容器。KA 选用线圈电压为 12V 的微型继电器,触点容量根据受控设备的功率来确定。
另外,电路设计完成后,一般无需调试即能正常工作。当需要调节控制时间时,可调节 R1、和C1的参数;也可改变 IC1 输出控制端(Q4~Q14)的位置来实现。
烜芯微专业制造二极管,三极管,MOS管,桥堆等20年,工厂直销省20%,4000家电路电器生产企业选用,专业的工程师帮您稳定好每一批产品,如果您有遇到什么需要帮助解决的,可以点击右边的工程师,或者点击销售经理给您精准的报价以及产品介绍
烜芯微专业制造二极管,三极管,MOS管,桥堆等20年,工厂直销省20%,4000家电路电器生产企业选用,专业的工程师帮您稳定好每一批产品,如果您有遇到什么需要帮助解决的,可以点击右边的工程师,或者点击销售经理给您精准的报价以及产品介绍