本文介绍线性稳压器和开关模式电源(SMPS)的基本概念。主要面向不太熟悉电源设计和选择的系统工程师?;菇樯芰讼咝晕妊蛊骱?SMPS 的基本工作原理并讨论了每个解决方案的优缺点。此外,以降压转换器为例进一步说明了开关稳压器的设计考虑因素。
简介
当今的电子系统设计需要越来越多的供电轨和供电解决方案,负载范围从备用电源的几 mA 到 ASIC 稳压器的 100A 以上不等。为目标应用选择合适的解决方案并满足指定的性能要求至关重要,如高效率、紧密印刷电路板(PCB)空间、准确的输出电压调节、快速瞬态响应、低解决方案成本等。对于许多可能没有强大电源技术背景的系统设计者来说,电源管理设计工作变得越来越频繁,越来越具有挑战性。
电源转换器从给定输入电源为负载生成输出电压和电流。它需要在稳态和瞬态条件下满足负载电压或电流调节要求?;贡匦朐谧榧鱿止收鲜北;じ涸睾拖低?。根据具体应用,设计人员可选择线性稳压器(LR)或开关模式电源(SMPS)解决方案。为了更好地选择解决方案,设计人员必须熟悉各种方法的优点、缺点和设计考虑因素。
本文重点关注非隔离电源应用,并介绍其操作和设计基础知识。
线性稳压器
线性稳压器的工作原理
我们先来举个简单的例子。在嵌入式系统中,前端电源提供一个 12V 总线供电轨。而在系统板上,运算放大器需要 3.3V 供电电压。产生 3.3V 电压最简单的方式是对 12V 总线使用电阻分压器,如图 1 所示。效果好吗?答案通常是否定的。在不同的工作条件下,运算放大器的 VCC 引脚电流可能有所不同。 如果使用固定电阻分压器,IC VCC 电压会随着负载的不同而不同。而且,12V 总线输入可能调节不佳。同一系统中可能有多个其他负载共用 12V 供电轨。由于总线阻抗,12V 总线电压随总线负载条件而变化。因此,电阻分压器无法向运算放大器提供经过调节的 3.3V 电压,来确保正常运行。因此,需要专用电压调节环路。如图 2 所示,反馈环路需要调节顶部电阻 R1 值,以便在 VCC 上动态调节 3.3V。


图 1. 电阻分压器从 12V 总线输入生成 3.3VDC


图 2. 反馈环路调整串联电阻 R1 值以调节 3.3V
使用线性稳压器可实现这种可变电阻,如图 3 所示。线性稳压器以线性模式操作双极性或场效应功率晶体管(FET)。因此,晶体管作为可变电阻与输出负载串联。为建立反馈环路,从概念上讲,误差放大器通过采样电阻网络 RA 和 RB 检测直流输出电压,然后将反馈电压 VFB 与基准电压 VREF 进行比较。误差放大器输出电压通过电流放大器驱动串联功率晶体管的基极。当输入 VBUS 电压减小或负载电流增大时,VCC 输出电压下降。反馈电压 VFB 也下降。因此,反馈误差放大器和电流放大器产生更多的电流馈入晶体管 Q1 的基极。这就减少了压降 VCE,而恢复 VCC 输出电压,使 VFB 等于 VREF。而另一方面,如果 VCC 输出电压增加,负反馈电路也会增加 VCE,确保精确调节 3.3V 输出。总而言之,VO 的任何变化都会被线性稳压器晶体管的 VCE 电压吸收。因此,输出电压 VCC 始终保持恒定,并得到良好的调节。


图 3. 线性稳压器实现可变电阻以调节输出电压
为何使用线性稳压器?
很长一段时间以来,线性稳压器一直广泛应用于工业领域。在开关模式电源自 20 世纪 60 年代问世普及之前,线性稳压器始终是电源行业的基础元件。即便是今天,线性稳压器仍然广泛应用于各种应用领域。
除了使用简单,线性稳压器还具有其他性能优势。电源管理供应商开发了许多集成式线性稳压器。典型的集成式线性稳压器仅需 VIN、VOUT、FB 和可选 GND 引脚。图 4 显示了 20 多年前 ADI 公司开发的典型 3 引脚线性稳压器 LT1083。仅需 1 个输入电容、1 个输出电容和 2 个反馈电阻即可设置输出电压。几乎任何电气工程师都可以使用这些简单的线性稳压器来设计电源。


图 4. 集成式线性稳压器示例:只有 3 个引脚的 7.5A 线性稳压器
一个缺点——线性稳压器非常耗电
使用线性稳压器的一个主要缺点是其串联晶体管 Q1 在线性模式下工作的功耗过高。如前所述,线性稳压器晶体管从概念上讲是一个可变电阻。由于所有负载电流都必须通过串联晶体管,其功耗为 PLoss = (VIN – VO) •IO。在这种情况下,线性稳压器的效率可通过以下公式快速估算:


因此,在图 1 的示例中,当输入为 12V,输出为 3.3V 时,线性稳压器效率只有 27.5%。在该例中,72.5%的输入功率被浪费,并在稳压器中产生热量。这意味着,晶体管必须具有散热能力,以便在最大 VIN 和满负载的最坏情况下处理功耗和散热问题。因此,线性稳压器及其散热器的尺寸可能很大,特别是当 VO 比 VIN 小很多时。图 5 显示线性稳压器的最大效率与 VO/VIN 比率成正比。


图 5. 最大线性稳压器效率与 VO/VIN 比率
另一方面,如果 VO 接近 VIN,则线性稳压器的效率很高。但是,线性稳压器(LR)还有一个限制,即 VIN 和 VO 之间的最小电压差。LR 中的晶体管必须在线性模式下工作。因此,双极性晶体管的集电极到发射极或 FET 的漏极到源极之间需要一定程度的最小压降。如果 VO 太接近 VIN,LR 可能就无法调节输出电压。能够以低裕量(VIN – VO)工作的线性稳压器称为低压差稳压器(LDO)。
很明显,线性稳压器或 LDO 只能提供降压 DC/DC 转换。在需要 VO 电压比 VIN 电压高,或需要从正 VIN 电压获得负 VO 电压的应用中,线性稳压器显然不起作用。
均流线性稳压器实现高功率[8]
对于需要更多功率的应用,必须将稳压器单独安装在散热器上以便散热。在全表面贴装系统中,这种做法不可行,因此功耗限制(例如 1W)会限制输出电流。遗憾的是,要直接并联线性稳压器来分散产生的热量并不容易。
用精密电流源替换图 3 所示的基准电压,能够直接并联线性稳压器以分散电流负载,由此分散 IC 上消散的热量。这样就能够在高输出电流、全表面贴装应用中使用线性稳压器,在这些应用中,电路板上的任何一个点都只能消散有限的热量。
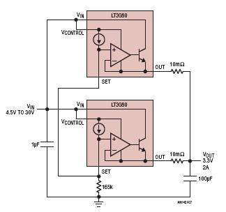
ADI 公司的 LT3080 是首个可调线性稳压器,可并联使用以增加电流。如图 6 所示,其精密零 TC 10µA 内部电流源连接到运算放大器的非反相输入。通过使用外部单电压设置电阻 RSET,可将线性稳压器的输出电压从 0V 调节到(VIN – VDROPOUT)。


图 6. 具有精密电流源基准的单电阻设置 LDO LT3080
图 7 显示了并联 LT3080 实现均流有多简单。只需将 LT3080 的 SET 引脚连接在一起,两个稳压器的基准电压就相同。由于运算放大器经过精密调整,调整引脚和输出之间的失调电压小于 2mV。在这种情况下,只需 10mΩ镇流电阻(小型外部电阻和 PCB 走线电阻之和)即可平衡负载电流,且均流超过 80%?;剐枰喙β剩坎⒘?5 到 10 个设备也是合理的。


图 7. 并联两个 LT3080 线性稳压器以增加输出电流
更适合使用线性稳压器的应用
在许多应用中,线性稳压器或 LDO 可提供出色的开关电源解决方案,包括:
1. 简单 / 低成本解决方案:线性稳压器或 LDO 解决方案简单易用,特别适用于热应力不太重要的具有低输出电流的低功耗应用。无需使用外部电源电感。
2. 低噪声 / 低纹波应用:对于噪声敏感型应用,如通信和射频器件,尽可能减少电源噪声非常重要。线性稳压器的输出电压纹波很低,因为不会频繁开关元件,但带宽很高。因此,几乎没有 EMI 问题。一些特殊的 LDO(如 ADI LT1761 LDO 系列)在输出端的噪声电压低至 20μVRMS。SMPS 几乎无法达到这种低噪声电平。即使采用极低 ESR 电容,SMPS 通常也有 1mV 输出纹波。
3. 快速瞬态应用:线性稳压器反馈环路通常在内部,因此无需外部补偿。一般来说,线性稳压器的控制环路带宽比 SMPS 更宽,瞬态响应更快。
4. 低压差应用:对于输出电压接近输入电压的应用,LDO 可能比 SMPS 更高效?;褂谐脱共?LDO (VLDO),如 ADI LTC1844、LT3020 和 LTC3025,其压差为 20mV 至 90mV,电流高达 150mA。最小输入电压可低至 0.9V。由于 LR 中没有交流开关损耗,因此 LR 或 LDO 的轻负载效率类似于其满负载效率。由于交流开关损耗,SMPS 通常具有更低的轻负载效率。在轻负载效率同样重要的电池供电应用中,LDO 提供的解决方案比 SMPS 更好。
综上所述,设计人员使用线性稳压器或 LDO 是因为它们简单、噪声低、成本低、易于使用并提供快速瞬态响应。如果 VO 接近 VIN,LDO 可能比 SMPS 更高效。
烜芯微专业制造二极管,三极管,MOS管,桥堆等20年,工厂直销省20%,4000家电路电器生产企业选用,专业的工程师帮您稳定好每一批产品,如果您有遇到什么需要帮助解决的,可以点击右边的工程师,或者点击销售经理给您精准的报价以及产品介绍
烜芯微专业制造二极管,三极管,MOS管,桥堆等20年,工厂直销省20%,4000家电路电器生产企业选用,专业的工程师帮您稳定好每一批产品,如果您有遇到什么需要帮助解决的,可以点击右边的工程师,或者点击销售经理给您精准的报价以及产品介绍