前置放大电路是指置于信源与放大器级之间的电路或电子设备,是专为接受来自信源的微弱电压信号而设计的。
1.前置放大电路作用
前置放大电路在放大有用信号的同时也将噪声放大,低噪声前置放大器就是使电路的噪声系数达到最小值的前置放大器。对于微弱信号检测仪器或设备,前置放大器是引入噪声的主要部件之一。
整个检测系统的噪声系数主要取决于前置放大器的噪声系数。仪器可检测的最小信号也主要取决于前置放大器的噪声。
前置放大电路一般都是直接与检测信号的传感器相连接,只有在放大器的最佳源电阻等于信号源输出电阻的情况下,才能使电路的噪声系数最小。
1提高系统的信噪比(前放紧靠探测器,传输线短,分布电容Cs减小,提高了信噪比)
2.减少外界干扰的相对影响(信号经前放初步放大.)
3.合理布局,便于调节与使用(前放为非调节式,主放放大调节倍数、成形常数)
4.实现阻抗转换和匹配(前放设计为高输入阻抗,低输出阻抗)
前置放大器功能有两个:一是要选择所需要的音源信号,并放大到额定电平;二是要进行各种音质控制,以美化声音。
音源选择电路的作用是选择所需的音源信号送入后级,同时关闭其他音源通道。
输入放大器的作用是将音源信号放大到额定电平,通常是1V左右。
音质控制的作用是使音响系统的频率特性可以控制,以达到高保真的音质;或者根据聆听者的爱好,修饰与美化声音。
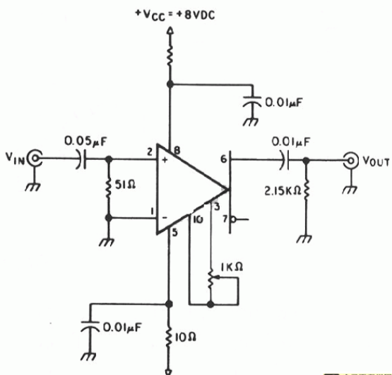
2.前置放大电路图

3.前置放大电路原理
前置放大器是指进入音频(AUX、MIC)信号放大至功率放大器所能接受的输入范围。前置放大器功能有两个:一是要选择所需要的音源信号,并放大到额定电平;二是要进行各种音质控制,以美化声音。前置放大器的基本组成有:音源选择、输入放大和音质控制等电路。
前置放大电路的主要目的是,在那些涉及到低级别声学信号的应用中,改善接收器的信噪比。通过提供补充的低噪声放大,前置放大器在主检测设备,使用低增益从而限制时基噪声。前置放大器容许检测小的回波,而这些回波在主检测设备中即使使用最大的增益也可能无法检测出来。此外,在前置放大器中的RF带通滤波有助于限制高频噪声。
音源选择电路的作用是选择所需的音源信号送入后级,同时关闭其他音源通道。输入放大器的作用是将音源信号放大到额定电平,通常是1V左右。音质控制的作用是使音响系统的频率特性可以控制,以达到高保真的音质;或者根据聆听者的爱好,修饰与美化声音。
半导体探测器 D 经过负载电阻由高压电源供电。C为隔直流电容。Rf 用来释放Cf 上积累的信号电荷,并提供直流负反馈以稳定电路的直流工作点。Ra 表示T2 管的等效动态负载电阻(主要决定于虚线框内恒流源的内阻和T2 管集电极输出电阻)
烜芯微专业制造二极管,三极管,MOS管,桥堆等20年,工厂直销省20%,4000家电路电器生产企业选用,专业的工程师帮您稳定好每一批产品,如果您有遇到什么需要帮助解决的,可以点击右边的工程师,或者点击销售经理给您精准的报价以及产品介绍
烜芯微专业制造二极管,三极管,MOS管,桥堆等20年,工厂直销省20%,4000家电路电器生产企业选用,专业的工程师帮您稳定好每一批产品,如果您有遇到什么需要帮助解决的,可以点击右边的工程师,或者点击销售经理给您精准的报价以及产品介绍