图(01)是 Unitrode 公司(已被德州仪器公司并购)生产的 UC1525A(与 UC2535A、UC3525A 相同,三个型号仅工作温度范围不同)开关电源控制芯片用变压器驱动半桥的电路。图中 Q1 和 Q2 为功率开关 MOS 管,T1 为驱动变压器,T2 为功率输出的主变压器。


图(01)
图(01)中我们见到驱动变压器 T1 具有两个次级,反相驱动两个功率开关 MOS 管 Q1 和 Q2。
与上次贴出的 SG3525 经变压器驱动半桥电路不同之处,主要是变压器初级两端各有一支二极管接地。
无论是并联推挽(即两个功率开关管通过初级具有中心抽头的输出变压器耦合),半桥(可称为串联推挽),还是全桥,两个功率开关管(对全桥来说是对角线上两个开关管为一组,两组开关管)中电流应该是互补对称,相位相差 180°且带有“死区”(两个功率管均不导通)的波形。如图(02)和图(03)所示。之所以必须相位相差 180°且带有“死区”,乃是为了避免“共同导通”(后面将有叙述)。


图(02)
图(02)是占空比较大时两个功率开关管中的电流波形。


图(03)
图(03)是占空比较小时两个功率开关管中的电流波形。
既然功率开关管中电流是这样的波形,那么驱动功率开关管门极的电压波形也应该是如图(04)和图(05)那样的波形。


图(04)
图(04)是占空比较大时两个功率开关管门极电压波形。


图(05)
图(05)是占空比较小时两个功率开关管门极电压波形。
图(04)和图(05)同时也是 UC1525A 的 11 脚和 14 脚(两路输出端)的电压波形。事实上,UC1525A 两个输出端输出的正是互补对称,相位相差 180°且带有死区(两个功率管均不导通)的波形?!?/div>
驱动变压器初级两端电压是 UC1525A 两个输出端电压之差(不是和!),所以驱动变压器初级两端电压波形如图(06)和图(07)所示。


图(06)
图(06)显示的是占空比较大时驱动变压器初级两端的电压波形。
注意红色箭头所指处初级两端电压为零,这就是所谓“死区”。设置“死区”目的是要半桥上下两管均不导通。如果半桥上下两管同时导通,那么电源将通过两管短路,两管均会流过很大的电流。这种现像叫“共同导通”,其后果可能是灾难性的,功率管很可能会烧毁。


图(07)
图(07)显示的是占空比较小时驱动变压器初级两端的电压波形。
“死区”决不可省,因为 MOS 管关断延迟时间总是比开通延迟时间要长一点(参考各种型号 MOS 管 datasheet),双极型三极管就更不用说了,关断比开通慢得多。也就是说,驱动变压器初级即使施加的是矩形方波(没有死区),半桥的上下两管也必定会有短暂的“共同导通”,这段时间就是管子关断延迟时间与开通延迟时间的差,一支管子尚未关断而另一支管子已经导通。
正是考虑到避免“共同导通”,所以任何双端输出的开关电源控制芯片都设置了“死区”,某些型号的芯片,甚至可以用外部元件调整“死区”时间,例如 TL494 的“死区”时间就可以从外部调节。


图(08)
现在我们看看在 PWM 的一个周期内都发生了些什么事情。
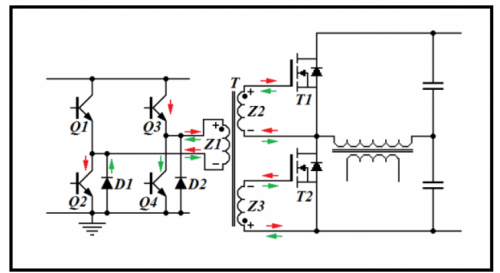
图(08)是中等占空比时驱动变压器初级两端电压波形,图(09)是分立元件 Q1~Q4 构成全桥,全桥的输出供变压器 T 驱动大功率半桥的电路。
首先,这样的波形对变压器来说可以实现,因为横轴上面和横轴下面面积相等,即一个周期内伏秒积为零,变压器铁芯不会因伏秒积不为零而出现磁饱和。
图(08)中时刻 0 到时刻 t1,Q2 和 Q3 导通,Q1 和 Q4 关断,变压器 T 初级绕组 Z1 两端电压极性如图中正负符号所示。由变压器各绕组同名端可知,次级绕组 Z2 和 Z3 两端电压极性如图(08)所示,MOS 管 T1 门极对源极为正,T1 应该导通。而 T2 门极对源极为负,这没有关系。目前使用的大功率 MOS 管都是增强型,对 N 沟道 MOS 管,门极对源极电压为零固然 MOS 管关断,门极对源极为负仍然是关断。
时刻 0 到时刻 t1,电流方向如图(08)中红色箭头所示。千万注意:MOS 管门极源极之间不是电阻,而表现为一个电容,所以在矩形波的前沿瞬间电流很大,随即降低到相当小,在时刻 0 到时刻 t1 这段时间内电流变化很大,并非总是一样大的。所以红色箭头只表示电流方向,并不表示电流大小。


图(09)
时刻 t1,两支 MOS 管应该关断,驱动信号应该为零。此时刻应该让 Q3 关断而 Q2Q4 导通,以便驱动变压器三个绕组两端电压均为零。
但是前面已经说过,MOS 管门极与源极之间是个电容,这个电容已经在 0~t1 这段时间里面被充电。现在要让门极与源极之间电压为零,这个电容必须放电,无论 T1 还是 T2 门极电容都必须放电。放电过程中,门极源极之间电容从能量角度来说是电源,变压器绕组 Z2 和 Z3 成为初级,而 Z1 是次级。两 MOS 管门极电容放电电流方向如绿色箭头所示。
Q4 已经导通,电流从 Q4 集电极流向发射极,这没有问题。问题是电流不可能从 Q2 发射极流向集电极,因为 Q2 基极对发射极为正(这样 Q2 才会导通),电流将流入 Q2 基极,而基极电路通常阻抗较高。于是,变压器绕组 Z1 两端不能形成短路,T1 和 T2 门极电容也就不能放电,T1 无法关断。
所以,Q2 和 Q4 必须反并联二极管,图中可见:绿色箭头方向的电流可以经二极管 D1 形成回路,也就是说,时刻 t1 到时刻 t2 这段时间里面绕组 Z1 被 Q4 和 D1 近似短路。由变压器特性可知,Z2 和 Z3 绕组也相当于短路,T1 和 T2 门极放电,门极对源极电压接近于零,T1 和 T2 均关断。这样才符合我们的要求。
显然,Q4 反并联的二极管 D2 是供时刻 t3 到时刻 t4 这段时间里面短路 Z1 之用。也就是 MOS 管 T2 从导通到关断。两个 MOS 管门极电容放电之用。
D1 和 D2 最好是使用肖特基二极管,压降较小,使得变压器 Z1 绕组在两个 MOS 管需要关断时更接近于理想的短路。
显然,只有具备了与三极管反并联的二极管 D1 和 D2,我们才能够使用变压器驱动半桥或者全桥,而且变压器在每个周期中均能够实现磁复位(伏秒积为零)铁芯不会进入磁饱和。改变占空比时仍然能够保证变压器不会磁饱和,且半桥两个功率管均正???。这就是图(01)中二极管 D1 和 D2 的由来。
二极管 D1 和 D2 也可以与 Q1 和 Q3 并联,不过那样的话,Q1~Q4 的驱动顺序必须改变:要变压器绕组 Z1 两端短路,必须让 Q1 和 Q3 导通,而 Q2 和 Q4 关断。D1D2 并联于 Q1Q3 时的驱动波形和 D1D2 并联于 Q2Q4 时的驱动波形不一样。
烜芯微专业制造二极管,三极管,MOS管,桥堆等20年,工厂直销省20%,4000家电路电器生产企业选用,专业的工程师帮您稳定好每一批产品,如果您有遇到什么需要帮助解决的,可以点击右边的工程师,或者点击销售经理给您精准的报价以及产品介绍
烜芯微专业制造二极管,三极管,MOS管,桥堆等20年,工厂直销省20%,4000家电路电器生产企业选用,专业的工程师帮您稳定好每一批产品,如果您有遇到什么需要帮助解决的,可以点击右边的工程师,或者点击销售经理给您精准的报价以及产品介绍
- 上一篇:PLC和如何连接周边电路
- 下一篇:半桥逆变电路的工原理与常见错误
相关阅读