PLC 外表硬邦邦,看起来是个黑盒子,一般厂家只会给出输入输出端子接线图,根据端子接线图就可以了。而电路的本质还是要形成回路,每个输入端对应一个回路,同样每个输出端也对应一个输出回路,只要回路闭合,就会产生电流,输入或者输出状态变化了,就会产生外边电路和 PLC 之间实现连接。
实际上 PLC 有很多个独立的开关点输入和输出,同时会有一个公共端 COM(或者 S/S 等),每个开关量输入对应一个端子比如 X0(或者 I0),每个开关量输出也会对应一个端子比如 Y0(或者 O0),比如把要输入的开关量的一段接 X0,另外一端接公共端 COM,开关动作时候,就会让 X0 信号的状态发生改变。


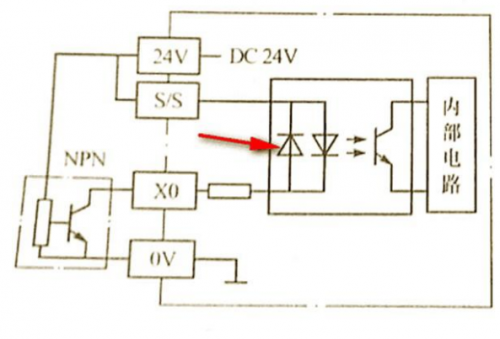
现在的 PLC 基本上不管输入信号是 NPN 还是 PNP 类型的,都可以接受了,因为使用了双向类型的光耦,里边有两个方向的发光二极管,电流可以两个方向流动,只要你接对线就好。早期一些日系的 PLC 只可以接受 NPN 信号,也就是输入信号只能是低电平进来,这样电流是往外“漏”的,所以是所谓的漏型输入,漏型的输入公共端 COM(S/S)是接地的 .
而另外一种是只可以接受 PNP 型号的,也就是输入信号只可以是高电平进去的,这样电流是通过外部电源流入的,所以叫源型输入,源型的输入公共端 COM(S/S)是接正极的。同样道理,晶体管输出也会面临这个问题,因为晶体管输出,一般也是有 NPN 或者 PNP 这类型的三极管(或者类似结构的场效应管)来给外围电路。


比如上图是 NPN 类型的输出示意图,一般 PLC 都会有了内阻的上拉电阻(如果没有的要外加),output 信号线,就是 PLC 输出端子上的(Y0 或者 O0 之类),而且使用时候要留意最大的输出电流,计算负载这边的阻抗,不然可能会烧掉。
同样也会有 PNP 类型的输出结构,里边核心就是一个 PNP 型三极管,对地会有个下拉电阻,而 output 信号线,同样对应 PLC 输出端子上的(Y0 或者 O0 之类)。至于继电器输出,是无源触点,所以没有方向之分,不用考虑什么共地或者共阳问题,随便接都没有问题。
比如高速计数端口,因为考虑到高速光耦比普通的贵,而且很多单片机只有某些端口是可以高速响应的同样模拟量模块也是一个道理,也会指定一些 I/O 有这些功能,也需要看手册来接。而且需要注意输入模拟量的范围,还有信号的性质是电压还是电流类型,有些需要外加电阻来转换的。
不管是何种功能,接线的方法和普通 I/O 没有本质区别,只要形成回路就可以了。不过这些特殊 I/O 或者外加的功能??椋蛭涞氖萘勘冉洗?,频率比较高,往往需要使用频率线或者双绞电缆之类来完成,避免信号受到干扰。
烜芯微专业制造二极管,三极管,MOS管,桥堆等20年,工厂直销省20%,4000家电路电器生产企业选用,专业的工程师帮您稳定好每一批产品,如果您有遇到什么需要帮助解决的,可以点击右边的工程师,或者点击销售经理给您精准的报价以及产品介绍
烜芯微专业制造二极管,三极管,MOS管,桥堆等20年,工厂直销省20%,4000家电路电器生产企业选用,专业的工程师帮您稳定好每一批产品,如果您有遇到什么需要帮助解决的,可以点击右边的工程师,或者点击销售经理给您精准的报价以及产品介绍