可以将电压升高的电路。输出电压高于输入电压。用途:利用升压电路来满足所需电压的要求。制作:利用升压变压器、利用电压变换器、采用倍压整流装置等。
升压电路作用
一般来说,升压电路的作用就是使得输出电压比输入电压更高,利用这种形式来满足各种电压的要求,所以能够作用在很多不同的场合当中,尤其是对于那些电影非常高的场合里面,比方说大型的演唱会,或者是一些大型的电器使用等场合。

整体上而言,升压电路的工作原理与作用是什么还是不难理解的,而且这种电路相对来讲,因为它可以满足各种电压的需求,他能够保证输出电压会比较高,所以存在的安全隐患还是不多的,但是在一些大型的场合里面,无论如何都一定要格外的注意。
升压电路图

升压电路也叫自举电路,利用自举升压二极管,自举升压电容等电子元件,使电容放电电压和电源电压叠加,从而使电压升高 . 有的电路升高的电压能达到数倍电源电压。
升压电路工作原理
升压电路只是在实践中定的名称,在理论上没有这个概念。升压电路主要是在甲乙类单电源互补对称电路中使用较为普遍。甲乙类单电源互补对称电路在理论上可以使输出电压 Vo 达到 Vcc 的一半,但在实际的测试中,输出电压远达不到 Vcc 的一半。其中重要的原因就需要一个高于 Vcc 的电压。所以采用升压电路来升压。

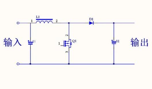
开关直流升压电路(即所谓的 boost 或者 step-up 电路)原理
the boost converter,或者叫 step-up converter,是一种开关直流升压电路,它可以是输出电压比输入电压高。
假定那个开关(三极管或者 mos 管)已经断开了很长时间,所有的元件都处于理想状态,电容电压等于输入电压。下面要分充电和放电两个部分来说明这个电路。
在充电过程中,开关闭合(三极管导通),等效电路如图二,开关(三极管)处用导线代替。这时,输入电压流过电感。二极管防止电容对地放电。由于输入是直流电,所以电感上的电流以一定的比率线性增加,这个比率跟电感大小有关。随着电感电流增加,电感里储存了一些能量。
当开关断开(三极管截止)时,由于电感的电流 保持特性,流经电感的电流不会马上变为 0,而是缓慢的由充电完毕时的值变为 0。而原来的电路已断开,于是电感只能通过新电路放电,即电感开始给电容充电, 电容两端电压升高,此时电压已经高于输入电压了。升压完毕。
说起来升压过程就是一个电感的能量传递过程。充电时,电感吸收能量,放电时电感放出能量。如果电容量足够大,那么在输出端就可以在放电过程中保持一个持续的电流。如果这个通断的过程不断重复,就可以在电容两端得到高于输入电压的电压。
烜芯微专业制造二极管,三极管,MOS管,桥堆等20年,工厂直销省20%,4000家电路电器生产企业选用,专业的工程师帮您稳定好每一批产品,如果您有遇到什么需要帮助解决的,可以点击右边的工程师,或者点击销售经理给您精准的报价以及产品介绍
烜芯微专业制造二极管,三极管,MOS管,桥堆等20年,工厂直销省20%,4000家电路电器生产企业选用,专业的工程师帮您稳定好每一批产品,如果您有遇到什么需要帮助解决的,可以点击右边的工程师,或者点击销售经理给您精准的报价以及产品介绍