1、基本的脉冲宽度调制波形
这些拓扑结构都与开关式电路有关。
基本的脉冲宽度调制波形定义如下:


2、Buck降压


把输入降至一个较低的电压。
可能是最简单的电路。
电感/电容滤波器滤平开关后的方波。
输出总是小于或等于输入。
输入电流不连续(斩波)。
输出电流平滑。
3、Boost升压


把输入升至一个较高的电压。
与降压一样,但重新安排了电感、开关和二极管。
输出总是比大于或等于输入(忽略二极管的正向压降)。
输入电流平滑。
输出电流不连续(斩波)。
4、Buck-Boost降压-升压


电感、开关和二极管的另一种安排方法。
结合了降压和升压电路的缺点。
输入电流不连续(斩波)。
输出电流也不连续(斩波)。
输出总是与输入反向(注意电容的极性),但是幅度可以小于或大于输入。
“反激”变换器实际是降压-升压电路隔离(变压器耦合)形式。
5、Flyback反激


如降压-升压电路一样工作,但是电感有两个绕组,而且同时作为变压器和电感。
输出可以为正或为负,由线圈和二极管的极性决定。
输出电压可以大于或小于输入电压,由变压器的匝数比决定。
这是隔离拓扑结构中最简单的
增加次级绕组和电路可以得到多个输出。
6、Forward正激


降压电路的变压器耦合形式。
不连续的输入电流,平滑的输出电流。
因为采用变压器,输出可以大于或小于输入,可以是任何极性。
增加次级绕组和电路可以获得多个输出。
在每个开关周期中必须对变压器磁芯去磁。常用的做法是增加一个与初级绕组匝数相同的绕组。
在开关接通阶段存储在初级电感中的能量,在开关断开阶段通过另外的绕组和二极管释放。
7、Two-TransistorForward双晶体管正激


两个开关同时工作。
开关断开时,存储在变压器中的能量使初级的极性反向,使二极管导通。
主要优点:
每个开关上的电压永远不会超过输入电压。
无需对绕组磁道复位。
8、Push-Pull推挽


开关(FET)的驱动不同相,进行脉冲宽度调制(PWM)以调节输出电压。
良好的变压器磁芯利用率---在两个半周期中都传输功率。
全波拓扑结构,所以输出纹波频率是变压器频率的两倍。
施加在FET上的电压是输入电压的两倍。
9、Half-Bridge半桥


较高功率变换器极为常用的拓扑结构。
开关(FET)的驱动不同相,进行脉冲宽度调制(PWM)以调节输出电压。
良好的变压器磁芯利用率---在两个半周期中都传输功率。而且初级绕组的利用率优于推挽电路。
全波拓扑结构,所以输出纹波频率是变压器频率的两倍。
施加在FET上的电压与输入电压相等。
10、Full-Bridge全桥


较高功率变换器最为常用的拓扑结构。
开关(FET)以对角对的形式驱动,进行脉冲宽度调制(PWM)以调节输出电压。
良好的变压器磁芯利用率---在两个半周期中都传输功率。
全波拓扑结构,所以输出纹波频率是变压器频率的两倍。
施加在FETs上的电压与输入电压相等。
在给定的功率下,初级电流是半桥的一半。
11、SEPIC单端初级电感变换器


输出电压可以大于或小于输入电压。
与升压电路一样,输入电流平滑,但是输出电流不连续。
能量通过电容从输入传输至输出。
需要两个电感。
12、C’uk


输出反相
输出电压的幅度可以大于或小于输入。
输入电流和输出电流都是平滑的。
能量通过电容从输入传输至输出。
需要两个电感。
电感可以耦合获得零纹波电感电流。
13、电路工作的细节
下面讲解几种拓扑结构的工作细节
降压调整器:
连续导电
临界导电
不连续导电
升压调整器(连续导电)
变压器工作
反激变压器
正激变压器
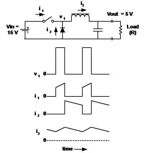
14、Buck-降压调整器-连续导电


电感电流连续。
Vout是其输入电压(V1)的均值。
输出电压为输入电压乘以开关的负荷比(D)。
接通时,电感电流从电池流出。
开关断开时电流流过二极管。
忽略开关和电感中的损耗,D与负载电流无关。
降压调整器和其派生电路的特征是:
输入电流不连续(斩波),输出电流连续(平滑)。
15、Buck-降压调整器-临界导电


电感电流仍然是连续的,只是当开关再次接通时“达到”零。
这被称为“临界导电”。
输出电压仍等于输入电压乘以D。
16、Buck-降压调整器-不连续导电


在这种情况下,电感中的电流在每个周期的一段时间中为零。
输出电压仍然(始终)是v1的平均值。
输出电压不是输入电压乘以开关的负荷比(D)。
当负载电流低于临界值时,D随着负载电流而变化(而Vout保持不变)。
17、Boost升压调整器


输出电压始终大于(或等于)输入电压。
输入电流连续,输出电流不连续(与降压调整器相反)。
输出电压与负荷比(D)之间的关系不如在降压调整器中那么简单。在连续导电的情况下:


在本例中,Vin=5,
Vout=15,andD=2/3.
Vout=15,D=2/3.
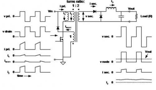
18、变压器工作(包括初级电感的作用)


变压器看作理想变压器,它的初级(磁化)电感与初级并联。
19、反激变压器


此处初级电感很低,用于确定峰值电流和存储的能量。当初级开关断开时,能量传送到次级。
20、Forward正激变换变压器


初级电感很高,因为无需存储能量。
磁化电流(i1)流入“磁化电感”,使磁芯在初级开关断开后去磁(电压反向)。
总结
此处回顾了目前开关式电源转换中最常见的电路拓扑结构。
还有许多拓扑结构,但大多是此处所述拓扑的组合或变形。
每种拓扑结构包含独特的设计权衡:
施加在开关上的电压
斩波和平滑输入输出电流
绕组的利用率
选择最佳的拓扑结构需要研究:
输入和输出电压范围
电流范围
成本和性能、大小和重量之比
烜芯微专业制造二极管,三极管,MOS管,桥堆等20年,工厂直销省20%,4000家电路电器生产企业选用,专业的工程师帮您稳定好每一批产品,如果您有遇到什么需要帮助解决的,可以点击右边的工程师,或者点击销售经理给您精准的报价以及产品介绍
烜芯微专业制造二极管,三极管,MOS管,桥堆等20年,工厂直销省20%,4000家电路电器生产企业选用,专业的工程师帮您稳定好每一批产品,如果您有遇到什么需要帮助解决的,可以点击右边的工程师,或者点击销售经理给您精准的报价以及产品介绍