从工作原理而言,电子镇流器是一个电源变换电路,它将交流输入市电电源的波形、频率和幅度等参数进行变换。
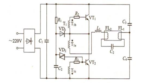
电子镇流器电路图
1. 电子镇流器电路图

当电路加电后,流经电阻 R;的电流对电容 Ca 充电,当电容 Cz 两端的电压达到双向触发二极管 VDz 的触发电压(大约为 35V 左右)时,VDz 雪崩击穿,这时电容 C 通过开关管 VTz 的基极→发射极放电,VT·因发射结正偏而导通,在 VTz 导通期间,电流路径为:+VDC→C3→灯管灯丝 FL1→C2→灯丝 FL2→镇流电感 L→Tr 初级线圈 T1a—→VT2 的集电极→VTz 的发射极→地,开关管 VTz 集电极电流的瞬时变化为 dt,通过振荡线圈 T1a 的两个次级绕组 Tb 和 Tc 产生相应的感应电动势,其感应电动势的极性如图 15 所示,其结果是 VTz 的基极电位升高,基极电流和集电极电流进一步增大,由于正反馈的原因,使开关管 VT2 跃变到了饱和导通工作状态,在 VT2 饱和导通期间,启动电容 C⑵通过双向二极管 VD2 和开关管 VT2 的发射结放电。
启动电路 R、C 和 VDz 为电路的起振提供起振工作条件,一旦电路振荡起来后,电路维持振荡是通过振荡线圈 Tia、Tib 和 Tc 所提供的正反馈来实现。当开关管 VTp 达到饱和后,振荡线圈 T:a、Tit 和 Tic 中的感应电动势为零,VT2 的基极电位开始下降,Iz 下降,致使 I.2 下降,而这时 VT 费的基极电位开始上升,这种变化由于正反馈的作用,使 VT>截止,VT:饱和导通,在 VT{饱和导通期间,灯负载的电流通路为: VTi 的集电极→VT 的发射极→Tta→Li→灯丝 FL2→C2→灯丝 FL2→>C4→地。当 VT 饱和导通后,导致振荡正反馈变压器 T 又进入磁饱和状态,同样由于 T 的正反馈又重新使 VTz 饱和,VT 截止,如此周而复始,VT;和 VTz 交替饱和、截止,使电路进入振荡工作状态,通过 L 和 Cz 组成的谐振电路发生串联谐振,在谐振电容 Cz 的两端产生一个高电压脉冲加到灯管两端,使灯管启动进入工作状态。
电子镇流器电路作用
电子镇流器(Electronic ballast),是镇流器的一种,是指采用电子技术驱动电光源,使之产生所需照明的电子设备。与之对应的是电感式镇流器(或镇流器)。现代日光灯越来越多的使用电子镇流器,轻便小巧,甚至可以将电子镇流器与灯管等集成在一起,同时,电子镇流器通常可以兼具启辉器功能,故此又可省去单独的启辉器。电子镇流器还可以具有更多功能,比如可以通过提高电流频率或者电流波形(如变成方波)改善或消除日光灯的闪烁现象;也可通过电源逆变过程使得日光灯可以使用直流电源。传统电感式整流器的一些缺点使它正在被日益发展成熟的电子镇流器所取代。
烜芯微专业制造二极管,三极管,MOS管,桥堆等20年,工厂直销省20%,4000家电路电器生产企业选用,专业的工程师帮您稳定好每一批产品,如果您有遇到什么需要帮助解决的,可以点击右边的工程师,或者点击销售经理给您精准的报价以及产品介绍
烜芯微专业制造二极管,三极管,MOS管,桥堆等20年,工厂直销省20%,4000家电路电器生产企业选用,专业的工程师帮您稳定好每一批产品,如果您有遇到什么需要帮助解决的,可以点击右边的工程师,或者点击销售经理给您精准的报价以及产品介绍