要想知道延时电路是如何实现延时的,我们首先要明确的知道延时电路的工作原理。
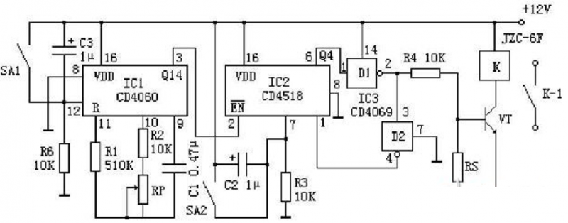
延时电路工作原理图一:精确长延时电路图
该电路由 CD4060 组成定时器的时基电路,由电路产生的定时时基脉冲,通过内部分频器分频后输出时基信号。在通过外设的分频电路分频,取得所需要的定时控制时间。


通电后,时基振荡器震荡经过分频后向外输出时基信号。作为分频器的 IC2 开始计数分 频。当计数到 10 时,Q4 输出高电平,该高电平经 D1 反相变为低电平使 VT 截止,继电器 断电释放,切断被控电路工作电源。与此同时, D1 输出饿低电平经 D2 反相为高电平后加 至 IC2 的 CP 端,使输出端输出的高电平保持。
电路通电使 IC1、IC2 复位后,IC2 的四个输出端,均为低电平。而 Q4 输出的低电平经 D1 反相变为高电平,通过 R4 使 VT 导通,继电器通电吸和。这种工作状态为开机接通、定 时断开状态。
延时电路工作原理图二:rc 延时电路
rc 延时电路如图所示电路的延时时田可通过 R 或 C 的大小来调整,但由于延时电路简单,存在着延时时间短和精度不高的缺点。对于需要延时时间较长并且要求准确的场合,应选用时司继电器为好。


在自动控制中,有时为了便被控对象在规定的某段时间里工作或者使下一个操作指令在适当的时刻发出,往往采用继电器延时电路。图给出了几种继电器延时电路。图(a)所示电路为缓放缓吸电路,在电路接通和断开时,利用 RC 的充放电作用实现吸合及释放的延时,这种电路主要用在需要短暂延时吸合的场合。有时根据控制的需要,只要求继电器缓慢释放,而不允许缓慢吸合,这时可采用图(b)所示的电路。当刚接通电源时,由于触点 KK 一 l 为??刺蚨?RC 延时电路不会对吸合的时间产生延时的影响,而当继电器 K。吸合后,其触点 Kk-1,闭合,使得继电器 kk 的释放可缓慢进行。
简单的计算出 RC 延时电路所产生的时间延时,例如 R=470K,C=0.15UF 时间常数直接用 R*C 就行了
延时电路工作原理图三:555 构成的简易长延时电路
当按下按钮 SB 时,12V 的电源通过电阻器 Rt 向电容器 Ct 充电,使得 6 脚的电位不断升高,当 6 脚的电位升到 5 脚的电位时,电路复位定时结束。由于在 5 脚串上了一个二极管 VD1 使得 5 脚电位上升,因此比一般接法(悬空或通过小电容接地)具有了更长时间的定时。


延时电路工作原理图四:由两个 555 时基电路构成的长延时电路
IC1 555 时基电路接成占空比可调的自激多谐振荡器。当按下按钮 SB 后,12V 的直流电压加到电路中,由于电容器 C6 的电压不能突变,使得 IC2 电路的 2 脚为低电平,IC2 电路处于置位状态,3 脚输出高电平,继电器 K 得电,触点 K-1、K-2 闭合,K-1 触点闭合后形成自锁状态,K-2 触点连接用电设备,达到控制用电设备通、断的作用。同时 IC1 555 时基电路开始形成振荡,因此 3 脚交替输出高、低电平。
当 3 脚输出高电平时,通过二极管 VD3、电阻器 R3 对电容器 C3 充电。当 3 脚输出低电平时,二极管 VD3 截止,C3 没有充电,因此只有在 3 脚为高电平时才对 C3 充电,所以电容器 C3 的充电时间较长。当电容器 C3 的电位升到 2/3VDD 时,IC2 555 时基电路复位,3 脚输出低电平,继电器 K 失电,触点 K-1、K-2 断开,恢复到初始状态,为下次定时做好准备。


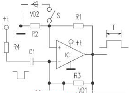
延时电路工作原理图五:单运放构成的单稳延时电路
常态时,IC 输出保持低电平,这个状态是稳定的。当负脉冲经 C1 输入至反相端时,反相端电位低于同相端电位,输出端由低电平翻转为高电平,这个状态是不稳定的。此高电平经 R1、R2 分压后加至 IC 的同相端,使同相端电位高于反相端,从而保持高电平输出。同时,该高电平经 R3 和 C2 充电,当 C2 上电压被充至使反相端电位高于同相端电位时,其输出端又翻转为低电平。此时,同相端电位约为零,而 C2 上的电压经 VD1 迅速向输出端放电,使电路加速恢复到初始状态。电路稳定后反相端电位仍高于同相端电位,使输出低电平得以保持。


该电路的延时时间 T 不仅取决于 R3、C2,而且还取决于 R1、R2 的分压比。所以,调节延时时间十分方便,既可调整 C2、R3 进行延时粗调,又可调整 R2 进行细调(分压比若取 1/2~2/3,延时精度较高)。但是,该电路在上电时的状态是随机的,要使该电路上电后有唯一的输出状态,有两种方法:一是在电路中增加 R4. 这样,在上电时,由于 C1 上电压不能突变,电源电压经 R4、C1 加至反相端,即可置输出于低电平;二是在同相端与地之间接一只二极管 VD2 和一只开关 S(如虚线所示)。上电时如输出为高电平,虽然这一状态是不稳定的,但如上所述,要经过时间 T 输出才为低电平,而实用上往往需要电路上电时即刻复位。为此,可在上电时先将 S 接通,若输出为高电平,则 C2 充电到 0.7V 即可使电路复位,大大缩短了电路上电复位的时间。复位后将 S 断开,电路即可正常工作。
延时电路工作原理图六:晶体管延时电路
延时部分由 BG1、BG2 复合后与电容 C 组成密勒积分电路。电源接通前 C 的端电压为零,电源接通后 BG3、BG4 导通,继电器 J 吸合,同时电容 C 被充电,充电电流经 R2、C、R 构成回路,a 点电位上升,引起 b 点电位下降,b 点电位的下降又限制了 a 点电位上升。a、b 两点电位互相补偿的结果使 a 点电位的上升量非常小,充电电流接近似恒定。当 b 点电位上升到 10V 左右时,BG3、BG4 接近截止,继电器 J 释放,延时过程结束。按一下按钮 AN,电容 C 迅速经 D1 放电,继电器 J 吸合,开始下一个延时过程。

烜芯微专业制造二极管,三极管,MOS管,桥堆等20年,工厂直销省20%,4000家电路电器生产企业选用,专业的工程师帮您稳定好每一批产品,如果您有遇到什么需要帮助解决的,可以点击右边的工程师,或者点击销售经理给您精准的报价以及产品介绍