随着微电子技术的发展,人民的生活水平不断提高,人们对周围环境的美化和照明已不仅限于单调的白炽灯,彩灯已成为时尚的潮流。彩灯控制器的实用价值在日常生产实践,日常生活中的作用也日益突出?;诟髦制骷牟实埔捕汲鱿?,单片机因其价格低廉、使用方便、控制简单而成为控制彩灯的主要器件。
1.彩灯控制电路原理
原理:
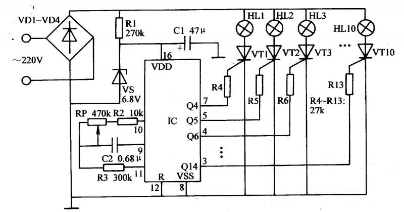
彩灯控制器电路由电源电路和彩灯控制电路组成,如图所示。

电源电路由整流二极管VDl-VD4、限流电阻器Rl、稳压二极管VS和滤波电容器Cl组成。
彩灯控制电路由计数器集成电路IC、电阻器肛-R13、电容器C2、可变电阻器RP、晶闸管VTl-VTlO和彩灯HLl-HLlO组成。为简化电路,图中IC的Q7-QlO端、Q12、Q13端(该集成电路无Ql-Q3和Qll端)和电阻器R7-Rl2、晶闸管VT4-VT9、彩灯HL4-HL9本画出。
交流220V电压经VDl,VD4整流、Rl限流降压、VS稳压及Cl滤波后,为IC提供6.8V直流工作电源。
RP、R2、R3、C2和IC的9-11脚内电路组成多谐振荡器。在接通电源后,多谐振荡器即振荡工作,IC对多谐振荡器产生的振荡信号进行分频计数后,从IC的Q4-QlO端和Q12-Q14端输出变化的控制电平,使VTl-VTlO间歇导通,彩灯HLl-HLlO按不同的频率闪烁发光 (HLl的闪烁频率最高,HLlO的闪烁频率最低)。
调节RP的阻值,可改变彩灯闪烁的频率。
元器件选择
Rl选用1/2W金属膜电阻器;R2-R13均选用1/4W金属膜电阻器。
Cl选用耐压值为16V的铝电解电容器;C2选用独石电容器或CBB电容器。
RP选用有机实心可变电阻器。
VDl-VD4选用1N4004或1N4007型硅整流二极管。
VS选用lW、6.8V的硅稳压二极管,例如lN4736等型号。
VTl-VTl4均选用2P4M(2A、400V)的晶闸管。
IC选用14级二进制计数分频器集成电路。
HLl-HLlO选用成品彩灯串。
2.彩灯控制电路图
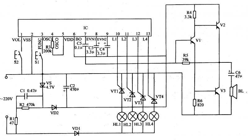
该彩灯控制器电路由电源电路、彩灯驱动控制电路和音频功率放大电路组成。

该彩灯控制器电路由电源电路、彩灯驱动控制电路和音频功率放大电路组。

3.彩灯控制电路作用
作用:
LED灯
1:比钨丝灯和节能灯省电,(和节能灯比差不多省50%)
2:寿命长,如果不偷工减料,能用到2万小时以上。
3:光可控制,包含光斑形状,光的波长,组合,智能控制等。
烜芯微专业制造二极管,三极管,MOS管,桥堆等20年,工厂直销省20%,4000家电路电器生产企业选用,专业的工程师帮您稳定好每一批产品,如果您有遇到什么需要帮助解决的,可以点击右边的工程师,或者点击销售经理给您精准的报价以及产品介绍
烜芯微专业制造二极管,三极管,MOS管,桥堆等20年,工厂直销省20%,4000家电路电器生产企业选用,专业的工程师帮您稳定好每一批产品,如果您有遇到什么需要帮助解决的,可以点击右边的工程师,或者点击销售经理给您精准的报价以及产品介绍