LM317是常见的可调集成稳压器,最大输出电流2.2A,输出电压范围1.25v一37v(可连续可调),元件样图如下:


集成内部结构图:

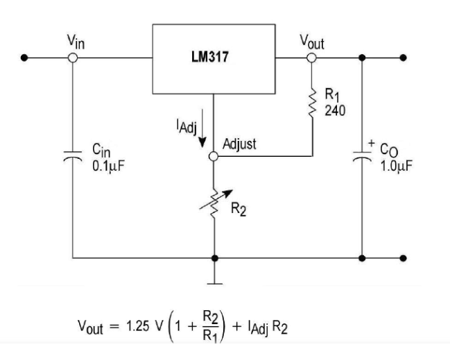
LM317基本接法图:

上图中,1、2脚之间为1.25v电压基准,为保证稳压器的输出性能,R1应小于240Ω,改变R2阻值即可调整稳压电压值,D1、D2用于?;M317。
下面是LM317应用电路原理见图:

LM317输出电流为1.5A,输出电压可在1.2v一37v之间连续调节,其输出电压由两只外接电阻R1、RP1决定,输出端和调整端之间的电压差为1.25v,这个电压将产生几毫安的电流,经R1、Rp1到地,在Rp1上分得的电压加到调整端,通过改变Rp1就能改变输出电压。
ⅤD1(1N4007)为?;ざ?,防止隐压器输出短路而损坏lc,ⅤD2(1N4002)用于防止输出短路而损坏集成电路。
此应用电路达到效果是: 电路输出电压1.25v一37v之间连续可调,输出最大电流1.5A。
LM317可调稳压电源电路图:这里介绍的可调稳压电源可以实现从1.25V~30V连续可调,输出电流可到4A左右。采用最常见的可调稳压集成电路LM317组成电路的核心,关于LM317的详细指标参数可参阅用LM317制作简易电源电路。下面简单介绍一下该电路的特点。
本电路中,由T2、D5、VW1、R5、R6、C10及继电器K构成自适应切换动作电路。当输出电路低于14V时,VW1因击穿电压不够而截止,无电流通过,T2截止,K不吸合,其触点K在常态位置,电路输入电流14V交流电。反之当输出电压高于14V时,VW1击穿导通,T2亦导通,继电器K吸合,28V交流电接入电路。这样可以保证输入电压与输出电压差不会大于15V,此时,LM317输出电流典型值为2.2A。图中采用了两块LM317供电,整个电路输出电流可在4A以上。由于两块LM317参数不可能一样,电路中在LM317输出端串接了小阻值电阻R3、R4,用以均分电流。
输出电压调整由RP1、RP2完成。附加晶体管T1的目的在于避免电位器RP1滑动端接触不良,使W317调整公共端对地开路,造成输出电压突然变化,损坏电源及负载。
双色发光二极管作为保险丝熔断指示器(红光)兼电源只是器(橙色光)。当电源正常时,两只发光二极管均加有正向电压,红、绿发光二极管均发光,形成橙色光。当保险丝FU2断开时,仅红色发光管加有正向电压,故此时只发红光。
为保证稳压准确,设计电路板时主电流回路应足够宽,并焊上1mm以上的铜导线或涂锡,以减少纹波电压。C6、C8尽量靠近LM317的输入、输出端,并优先采用无感电容。C5如无合适容量,可用几只电容并联。R3、R4可用锰丝自制。
调试时,调整RP1、RP2应使继电器在电源输出14V左右时吸合,否则可调换稳压二极管再试。


