防浪涌软启动电路开关电源的输入电路大都采用电容滤波型整流电路,在进线电源合闸瞬间,由于电容器上的初始电压为零,电容器充电瞬间会形成很大的浪涌电流,特别是大功率开关电源,采用容量较大的滤波电容器,使浪涌电流达100A以上。在电源接通瞬间如此大的浪涌电流,重者往往会导致输入熔断器烧断或合闸开关的触点烧坏,整流桥过流损坏;轻者也会使空气开关合不上闸。上述现象均会造成开关电源无法正常工作,为此几乎所有的开关电
防浪涌软启动电路
开关电源的输入电路大都采用电容滤波型整流电路,在进线电源合闸瞬间,由于电容器上的初始电压为零,电容器充电瞬间会形成很大的浪涌电流,特别是大功率开关电源,采用容量较大的滤波电容器,使浪涌电流达100A以上。在电源接通瞬间如此大的浪涌电流,重者往往会导致输入熔断器烧断或合闸开关的触点烧坏,整流桥过流损坏;轻者也会使空气开关合不上闸。上述现象均会造成开关电源无法正常工作,为此几乎所有的开关电源都设置了防止流涌电流的软启动电路,以保证电源正常而可靠运行。

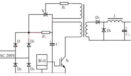
图1 采用晶闸管和限流电阻组成的软启动电路
图1是采用晶闸管V和限流电阻R1组成的防浪涌电流电路。在电源接通瞬间,输入电压经整流桥(D1~D4)和限流电阻R1对电容器C充电,限制浪涌电流。
当电容器C充电到约80%额定电压时,逆变器正常工作。经主变压器辅助绕组产生晶闸管的触发信号,使晶闸管导通并短路限流电阻R1,开关电源处于正常运行状态。
图2是采用继电器K1和限流电阻R1构成的防浪涌电流电路。电源接通瞬间,输入电压经整流(D1~D4)和限流电阻R1对滤波电容器C1充电,防止接通瞬间
的浪涌电流,同时辅助电源Vcc经电阻R2对并接于继电器K1线包的电容器C2充电,当C2上的电压达到继电器K1的动作电压时,K1动作,其触点K1.1闭合而旁路限流电阻R1,电源进入正常运行状态。限流的延迟时间取决于时间常数(R2C2),通常选取为0.3~0.5s。为了提高延迟时间的准确性及防止继电器动作抖动振荡,延迟电路可采用图3所示电路替代RC延迟电路。

烜芯微专业制造二极管,三极管,MOS管,桥堆等,20年,工厂直销省20%,1500家电路电器生产企业选用,专业的工程师帮您稳定好每一批产品,如果您有遇到什么需要帮助解决的,可以直接联系上方的联系号码或加QQ,由我们的销售经理给您精准的报价以及产品介绍