
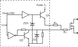
恒压驱动电路
这是恒压驱动电路,它利用稳压二极管ZD1(8.6V)来?;ず愣ǖ那藕欧取5鼻藕盼龀迨?,Q1导通,通过电阻RG1+RG2对MOSFET激励使之成为软开关。当输入信号为零电平时,Q1截止,Q2导通,MOSFET栅极电荷将经过一个较小的电阻RG1而迅速放电。稳压二极管ZD1的作用是?;OSFET在截止时不致于被上冲的VDS(500V~600V)通过D?G极间电容耦合到栅极而将管子损坏。
烜芯微专业制造二极管,三极管,MOS管,桥堆等20年,工厂直销省20%,4000家电路电器生产企业选用,专业的工程师帮您稳定好每一批产品,如果您有遇到什么需要帮助解决的,可以点击右边的工程师,或者点击销售经理给您精准的报价以及产品介绍
烜芯微专业制造二极管,三极管,MOS管,桥堆等20年,工厂直销省20%,4000家电路电器生产企业选用,专业的工程师帮您稳定好每一批产品,如果您有遇到什么需要帮助解决的,可以点击右边的工程师,或者点击销售经理给您精准的报价以及产品介绍