由于市场需求,电源模块越来越追求宽电压输入,宽电压输入就会导致供电电流随输入电压变化而变化,为了高电压和低电压输入的情况下,都能获得恒定的供电电流,在输入端加一个恒流电路,以获得性能的一致性。
理想的恒流源
理想的恒流源是电流不随输入电压的变化而变化,不受环境温度的影响,内阻无穷大。但是,实际中的恒流电路跟理想的还是存在差距,所以要根据实际应用选取合适的恒流源电路。
几种简单的恒流源介绍
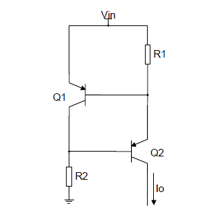
由两个三极管组成的恒流源电路,如电路图1。


图 1
由两个同型号的三极管,根据三极管Vbe电压相对稳定,以及三极管的基极电流相对集电极电流较小的特点,组成一个电流相对恒定的恒流源,电流Io=Vbe/R1;这个恒流源没有用到特殊器件,两个三极管和两个电阻组成,成本低,电流Io可调;缺点是Vbe的大小会随电流及温度的变化而变化,电流大Vbe大,温度低Vbe大,所以不适合用在精度要求高的地方。
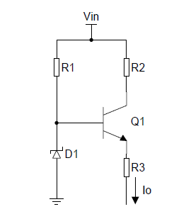
由稳压管组成的恒流源电路,如电路图2


图 2
此恒流电路主要是运用了稳压二极管上的电压较稳定特性,以及三极管Vbe的稳定性,组成的恒流电路,Io=(Vd-Vbe)/R3;此电路优点是成本低,电流可调,缺点是温度特性差,稳流精度不高,适用于对精度要求不高的场合。
由TL431组成的恒流源,如电路图3。


图 3
TL431提供一个基准电压Vref,组成一个恒流源,电流Io=Vref/R2。
由三端稳压器组成的恒流源,如电路图4。


图 4
三端稳压器提供一个恒定电压Vout,组成一个恒流源,Io=Vout/R1。
以上都是一些比较常见的简单的恒流源,而且有一个共性,稳压精度都不高,电流Io也不大。除了以上列举的几个,还有其他类似的恒流源,但万变不离其宗,都是以一个恒压源为基准组成,在此就不一 一列举。
在应用过程中,如果需要高精度、大电流的恒流源,可以使用一个运放,组成一个高精度、大电流的恒流源,如电路图5。


图 5
使用运放组成的恒流源,Io=Vref/R1。
恒流源在宽电压输入??橹械挠τ?/div>
在??榈缭粗?,小功率电源的短路保护一般不外接短路?;さ缏?,这种??榈奶氐闶枪β市?,体积小,成本低;适合当前竞争激烈的市场;然而它们本身存在一个致命的特点,短路?;すδ芎推舳芰Υ嬖诿?,启动能力强,短路?;ぞ突岜洳?短路保护变强,启动能力就会变弱。特别是在需要超宽电压范围输入的情况下,启动能力跟短路能力更不好兼容。
举个例子,E4805UHBD-15W,18~72VDC输入,15W输出的??榈缭?,如果是用电阻加电容组成RC启动电路如图6,电流会随输入电压的变化,低压和高压短路时,打嗝周期会相差很大,短路功率高压输入时会较大;调好低压启动能力和短路?;ず?,高压短路?;ぞ突岜洳?,启动能力超强,反过来调好高压启动和短路能力,低压的短路?;つ芰芎?,但是,启动能力很差,会出现启动不良现象。


图 6
为了解决以上矛盾,把启动电路改为用一个恒定电流的电路替代,如图7,输入电流基本不会随输入电压的变化而变化,两种启动电路,低压提供相同的启动电流,高压短路时,第二种启动电路的短路功耗会小很多,低压和高压的短路周期也会较接近。


图 7
如图8、9所示,是采用了恒流电路,测试的短路波形图,用恒流电路替代电阻启动解决了启动和短路的矛盾。


图 8


图 9
烜芯微专业制造二极管,三极管,MOS管,桥堆等20年,工厂直销省20%,4000家电路电器生产企业选用,专业的工程师帮您稳定好每一批产品,如果您有遇到什么需要帮助解决的,可以点击右边的工程师,或者点击销售经理给您精准的报价以及产品介绍
烜芯微专业制造二极管,三极管,MOS管,桥堆等20年,工厂直销省20%,4000家电路电器生产企业选用,专业的工程师帮您稳定好每一批产品,如果您有遇到什么需要帮助解决的,可以点击右边的工程师,或者点击销售经理给您精准的报价以及产品介绍
相关阅读