功率MOS概述与工作原理
功率MOS场效应晶体管,即MOSFET,其原意是:MOS(Metal Oxide Semiconductor金属氧化物半导体),FET(Field Effect Transistor场效应晶体管),即以金属层(M)的栅极隔着氧化层(O)利用电场的效应来控制半导体(S)的场效应晶体管。

功率mos的工作原理为:截止:漏源极间加正电源,栅源极间电压为零。P基区与N漂移区之间形成的PN结J1反偏,漏源极之间无电流流过。
导电:在栅源极间加正电压UGS,栅极是绝缘的,所以不会有栅极电流流过。但栅极的正电压会将其下面P区中的空穴推开,而将P区中的少子—电子吸引到栅极下面的P区表面。当UGS大于UT(开启电压或阈值电压)时,栅极下P区表面的电子浓度将超过空穴浓度,使P型半导体反型成N型而成为反型层,该反型层形成N沟道而使PN结J1消失,漏极和源极导电。
常见功率mos驱动电路分析
一. 不隔离的互补功率mos驱动电路
图2(a)为常用的小功率驱动电路,简单可靠成本低。适用于不要求隔离的小功率开关设备。图2(b)所示驱动电路开关速度很快,驱动能力强,为防止两个MOSFET管直通,通常串接一个0.5~1Ω小电阻用于限流,该电路适用于不要求隔离的中功率开关设备。这两种电路特点是结构简单。

图2 常用的不隔离的互补驱动电路
功率mos属于电压型控制器件,只要栅极和源极之间施加的电压超过其阀值电压就会导通。由于MOSFET存在结电容,关断时其漏源两端电压的突然上升将会通过结电容在栅源两端产生干扰电压。常用的互补驱动电路的关断回路阻抗小,关断速度较快,但它不能提供负压,故抗干扰性较差。为了提高电路的抗干扰性,可在此种驱动电路的基础上增加一级有V1、V2、R组成的电路,产生一个负压,电路原理图如图3所示。

图3 提供负压的互补电路
当V1导通时,V2关断,两个MOSFET中的上管的栅、源极放电,下管的栅、源极充电,即上管关断,下管导通,则被驱动的功率管关断;反之V1关断时,V2导通,上管导通,下管关断,使驱动的管子导通。因为上下两个管子的栅、源极通过不同的回路充放电,包含有V2的回路,由于V2会不断退出饱和直至关断,所以对于S1而言导通比关断要慢,对于S2而言导通比关断要快,所以两管发热程度也不完全一样,S1比S2发热严重。
该驱动电路的缺点是需要双电源,且由于R的取值不能过大,否则会使V1深度饱和,影响关断速度,所以R上会有一定的损耗。
二. 隔离的功率mos驱动电路
(1)正激式驱动电路。电路原理如图(a)所示,N3为去磁绕组,S2为所驱动的功率管。R2为防止功率管栅极、源极端电压振荡的一个阻尼电阻。因不要求漏感较小,且从速度方面考虑,一般R2较小,故在分析中忽略不计。

图4正激驱动电路
其等效电路图如图4(b)所示脉冲不要求的副边并联一电阻R1,它做为正激变换器的假负载,用于消除关断期间输出电压发生振荡而误导通。同时它还可以作为功率MOSFET关断时的能量泄放回路。该驱动电路的导通速度主要与被驱动的S2栅极、源极等效输入电容的大小、S1的驱动信号的速度以及S1所能提供的电流大小有关。由仿真及分析可知,占空比D越小、R1越大、L越大,磁化电流越小,U1值越小,关断速度越慢。
该电路具有以下优点:①电路结构简单可靠,实现了隔离驱动。 ②只需单电源即可提供导通时的正、关断时负压。 ③占空比固定时,通过合理的参数设计,此驱动电路也具有较快的开关速度。
该电路存在的缺点:一是由于隔离变压器副边需要噎嗝假负载防振荡,故电路损耗较大;二是当占空比变化时关断速度变化较大。脉宽较窄时,由于是储存的能量减少导致MOSFET栅极的关断速度变慢。
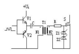
(2)有隔离变压器的互补驱动电路。如图5所示,V1、V2为互补工作,电容C起隔离直流的作用,T1为高频、高磁率的磁环或磁罐。

图5 有隔离变压器的互补驱动电路
导通时隔离变压器上的电压为(1-D)Ui、关断时为D Ui,若主功率管S可靠导通电压为12V,而隔离变压器原副边匝比N1/N2为12/[(1-D)Ui]。为保证导通期间GS电压稳定C值可稍取大些。该电路具有以下优点:
①电路结构简单可靠,具有电气隔离作用。当脉宽变化时,驱动的关断能力不会随着变化。
②该电路只需一个电源,即为单电源工作。隔直电容C的作用可以在关断所驱动的管子时提供一个负压,从而加速了功率管的关断,且有较高的抗干扰能力。
但该电路存在的一个较大缺点是输出电压的幅值会随着占空比的变化而变化。当D较小时,负向电压小,该电路的抗干扰性变差,且正向电压较高,应该注意使其幅值不超过MOSFET栅极的允许电压。当D大于0.5时驱动电压正向电压小于其负向电压,此时应该注意使其负电压值不超过MOAFET栅极允许电压。所以该电路比较适用于占空比固定或占空比变化范围不大以及占空比小于0.5的场合。
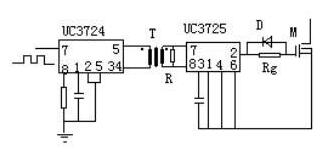
(3)集成芯片UC3724/3725构成的驱动电路
功率mos电路构成如图6所示。其中UC3724用来产生高频载波信号,载波频率由电容CT和电阻RT决定。一般载波频率小于600kHz,4脚和6脚两端产生高频调制波,经高频小磁环变压器隔离后送到UC3725芯片7、8两脚经UC3725进行调制后得到驱动信号,UC3725内部有一肖特基整流桥同时将7、8脚的高频调制波整流成一直流电压供驱动所需功率。
一般来说载波频率越高驱动延时越小,但太高抗干扰变差;隔离变压器磁化电感越大磁化电流越小,UC3724发热越少,但太大使匝数增多导致寄生参数影响变大,同样会使抗干扰能力降低。根据实验数据得出:对于开关频率小于100kHz的信号一般取(400~500)kHz载波频率较好,变压器选用较高磁导如5K、7K等高频环形磁芯,其原边磁化电感小于约1毫亨左右为好。
这种驱动电路仅适合于信号频率小于100kHz的场合,因信号频率相对载波频率太高的话,相对延时太多,且所需驱动功率增大,UC3724和UC3725芯片发热温升较高,故100kHz以上开关频率仅对较小极电容的MOSFET才可以。对于1kVA左右开关频率小于100kHz的场合,它是一种良好的驱动电路。该电路具有以下特点:单电源工作,控制信号与驱动实现隔离,结构简单尺寸较小,尤其适用于占空比变化不确定或信号频率也变化的场合。

图6 集成芯片UC3724/3725构成的驱动电路
mos驱动电路有哪些要求
MOSFET因导通内阻低、开关速度快等优点被广泛应用于开关电源中。MOSFET的驱动常根据电源IC和MOSFET的参数选择合适的电路。
在使用MOSFET设计开关电源时,大部分人都会考虑MOSFET的导通电阻、最大电压、最大电流。但很多时候也仅仅考虑了这些因素,这样的电路也许可以正常工作,但并不是一个好的设计方案。更细致的,MOSFET还应考虑本身寄生的参数。对一个确定的MOSFET,其驱动电路,驱动脚输出的峰值电流,上升速率等,都会影响MOSFET的开关性能。
当电源IC与MOS管选定之后, 选择合适的驱动电路来连接电源IC与MOS管就显得尤其重要了。
MOSFET驱动电路有以下几点要求:
(1)开关管开通瞬时,驱动电路应能提供足够大的充电电流使MOSFET栅源极间电压迅速上升到所需值,保证开关管能快速开通且不存在上升沿的高频振荡。
(2)开关导通期间驱动电路能保证MOSFET栅源极间电压保持稳定且可靠导通。
(3)关断瞬间驱动电路能提供一个尽可能低阻抗的通路供MOSFET栅源极间电容电压的快速泄放,保证开关管能快速关断。
(4)驱动电路结构简单可靠、损耗小。
(5)根据情况施加隔离。
烜芯微专业制造二极管,三极管,MOS管,桥堆20年,工厂直销省20%,1500家电路电器生产企业选用,专业的工程师帮您稳定好每一批产品,如果您有遇到什么需要帮助解决的,可以点击右边的工程师,或者点击销售经理给您精准的报价以及产品介绍
烜芯微专业制造二极管,三极管,MOS管,桥堆20年,工厂直销省20%,1500家电路电器生产企业选用,专业的工程师帮您稳定好每一批产品,如果您有遇到什么需要帮助解决的,可以点击右边的工程师,或者点击销售经理给您精准的报价以及产品介绍