一、LED太阳能路灯系统结构
LED太阳能路灯系统如图1所示,可以看出其由太阳能电池、路灯控制器、蓄电池、市电供电和LED路灯五部分组成,其中太阳电池用于把太阳光能转互电能,即白天时刻太阳能电池给蓄电池充电,并且可以根据太阳能电池两端电压的大小判断光亮程度。也就是从太阳电池电压的大小来判断天黑和天亮。蓄电池是整个太阳能系统的储备能源设备,白天时太阳电池给蓄电池充电,晚上或阴雨天系统和负载用电由蓄电池来提供。


图1 LED太阳能路灯系统
二、路灯控制器硬件设计
太阳能路灯控制器是太阳能路灯系统中最为重要的部件,其功能设计的好坏决定了一个太阳能路灯系统运行情况的优劣。路灯控制器需要实现的功能有:根据太阳亮度,白天断开LED路灯而给蓄电池充电,晚上通过蓄电池给路灯供电,并能分时段进行功率调整,在蓄电池电量不足时,自动切换到市电供电系统;防止蓄电池过充和过放,具有短路?;ず头唇颖;すδ艿?。
根据需要实现的控制功能,本文选择STM8单片机对LED太阳能路灯系统进行控制。
单片机主要完成的功能包括检测蓄电池两端电压并根据不同状态采用不同的充电模式;判断白天黑夜并以此来切换蓄电池充电和放电模式以及切换到市电供电系统。
路灯控制器中包括的电路??楸冉隙?,如电源???、复位???、时钟??榈鹊?,而对整个控制器至整个太阳能路灯系统比较重要的是电压检测模块及蓄电池充放电??榧扒谢荒?椤?/div>
2.1 蓄电池充电控制电路
由控制器的实现功能知,白天太阳能电池给蓄电池充电,晚上或阴天用于LED路灯照明,实现绿色环保节能的目的,所以蓄电池充电控制电路在太阳能路灯控制系统中具有重要的作用。本文采用斩波式PWM充电原理,单片机首先检测蓄电池的两端电压,并与软件中设定电压相比较,进而选择不同的充电方式。具体的控制电路如图2所示,其中中J1、J3分别为蓄电池和太阳能电池的正极,单片机的口通过R20、R21及R18、R19分别对太阳能电池电压和蓄电池电压进行采样,经过AD转换判断,在满足充电或停止充电条件下,单片机P0.3口给出充电控制信号,使三极管S 导通或截止,即可实现蓄电池充电,具体可见程序设计部分。其中图中D6为防反充肖特基二极管,避免当蓄电池电压高于太阳能电池电压时,蓄电池向太阳能电池反充电。D7是一个?;ざ埽毙畹绯胤唇邮钡缏范峡?,?;ば畹绯?,提高系统的可靠性。


图2蓄电池充电控制电路
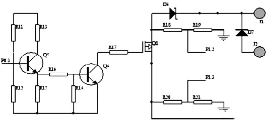
2.2 负载输出控制电路
为了在夜间不同时刻采用不同的亮度,以达到节约电能的目的,本系统设计了两路负载输出,晚上12点以前两盏LED皆亮,12点后一盏点亮,每路输出均有立的控制和检测。设计采用了PWM功率控制功能对LED灯具实现无级调光。单路原理如图3所示。其中单片机P0.6 口给出控制信号,即P 0 . 6 = 1 时,三极管导通,继电器闭合,MOS管导通,蓄电池向路灯供电。在电量不足或白天时,控制端输出低电平信号,切断供电回路。夜晚蓄电池电量不足情况下由市电供电系统给LED路灯供电,保证系统的完整和可靠。


图3 负载输出控制电路
三、 路灯控制器系统软件设计
控制器能自动检测当前的状态,首先根据太阳能电池两端电压检测当前状态是白天还是黑夜,进而选择是充电模式或者放电模式。在充电模式中根据蓄电池两两端的电压选择不同的充电模式,如当充电电压高于保护电压(15V)时,自动关断对蓄电池的充电,此后当电压掉至维护电压(13.2V)时,蓄电池进入浮充状态,当低于维护电压(13.2V)后浮充关闭,进入均充状态。
在放电过程中,首先保证在晚上12点前开通两路负载,12点后开通一路负载,并且当蓄电池电压低于?;さ缪梗?1V)时,控制器自动切换到市电供电系统或关闭负载开关以?;ば畹绯夭皇芩鸹?。因此,充电管理和放电管理是系统软件设计中的主要内容,充放电程序流程图如图4 所示:


图4 充放电程序流程图
四、 LED路灯检测常见问题:电磁兼容
1、 骚扰电压
LED路灯中的控制器电路设计过程未考虑电磁兼容问题,电源滤波电路设计不够理想,导致低频辐射超出限值,产品骚扰电压项目不符合GB 17743-2007《电气照明和类似设备的无线电骚扰特性的限值和测量方法》限值要求。该项目不合格容易导致电网的电压和电流波形发生畸变,污染电网,对接入电网的其他电气设备(特别是高灵敏设备)的正常工作造成影响。
骚扰电压骚扰主要包括差模骚扰和共模骚扰,对于不同频段的传导骚扰超标,常用的整改措施有:
(1)5MHz以下主要为差模共?;旌?/div>
对于差模骚扰超标可调整X电容容量,添加差模电感器,调整差模电感量(如图1);对于共模骚扰超标可添加共模电感,选用合理的电感量来抑制,或者增加Y电容,适当调整Y电容的参数和位置(如图2)。


图1 LED路灯5MHz以下差模骚扰电压整改措施


图2 LED路灯5MHz以下共模骚扰电压整改措施
(2)5M~20MHz以共摸骚扰
5M~20MHz以共摸骚扰为主,采用抑制共摸的方法。对于外壳接地的,在地线上用一个磁环串绕2-3 圈会对10MHz 以上骚扰有较大的衰减作用?;蛘咴谑涑稣鞴芰蕉瞬⒘猂C滤波器且调整合理的参数(如图3)。


图3 LED路灯5M-20MHz共模骚扰电压整改措施
(3)20~30MHZ的骚扰
20~30MHZ的骚扰:常用的整改措施可以调整对地Y电容容量或改变Y 电容位置;或者变压器外面包铜箔;或者输出线前面接一个双线并绕的小共模电感。
3. 辐射场骚扰
主要是LED路灯具整体设计存在缺陷,例如灯具或电源的屏蔽效果不好,灯具电源外的恒流模块的设计不合理,接地布线、灯具内部走线布置不合理,感性元器件的非合理应用等导致骚扰不符合GB 17743-2007《电气照明和类似设备的无线电骚扰特性的限值和测量方法》限值要求。
作为辐射骚扰的抑制措施,要特别注意开关电源的布局和布线。作为补救,在开关电源的结构上和器件的采用上也可采取适当措施(如屏蔽和滤波等)。常见的抑制措施如下:
1)印刷线路板的设计
电路设计时无法实现最佳布线,但应考虑最重要的部分。从电磁骚扰发射的角度考虑,最重要的信号是高电流和电压变化率信号,如时钟线、数据线、大功率方波振荡器等。从敏感度的角度考虑,最重要的信号是前后沿触发输入电路、时钟系统、小信号模拟放大器等??氐髡芈泛驼魇涑龌芈肥亲钪匾牡绱派欧⑸湎呗罚欢蠢】刂圃蚴亲钪匾拿舾邢呗?。
2)采用屏蔽罩来抑制辐射噪声
屏蔽效应的原理是用屏蔽罩反射或吸收噪声。主要采用完整屏蔽结构的金属屏蔽罩,要求开孔尺寸和紧固件的间隔尽量小,还要避免由于覆盖涂层造成某些区域的绝缘。
3)骚扰源的常见整改方法
整改方法为:调整输出整流管的吸收电路参数,或者在输出整流管和MOS管管脚上串磁珠,或者在MOSFET的D-S脚并联一个小吸收电路。
4. 浪涌(冲击)抗扰度
主要是LED路灯及LED控制装置抗浪涌电路的设计不合理,或者压敏电阻、瞬态抑制二极管或气体放电管的选择不合理,导致不符合GB/T 17626.5-2008《电磁兼容试验和测量技术 浪涌(冲击)抗扰度试验》限值要求。该项目不合格会LED路灯防雷效能差,在雷雨天气不能很好的保护设备的正常工作,甚至很快出现灯具故障,影响正常的路面夜间行车安全。
根据浪涌测试原理和产品设计原理,主要的整改措施为增加防浪涌装置的设计,以及接地处理。
五、结语
太阳能作为取之不尽、用之不竭的清洁能源,必将得到人们越来越多的关注和利用,高效环保的太阳能LED路灯也将成为更多市政改扩建工程的选择。本文根据太阳能路灯的控制需要,对太阳能路灯控制器从硬件结构及软件开发方面进行了设计,该控制器具有抗干扰能力强、便于控制特点。
烜芯微专业制造二三极管,MOS管,20年,工厂直销省20%,1500家电路电器生产企业选用,专业的工程师帮您稳定好每一批产品,如果您有遇到什么需要帮助解决的,可以点击右边的工程师,或者点击销售经理给您精准的报价以及产品介绍
烜芯微专业制造二三极管,MOS管,20年,工厂直销省20%,1500家电路电器生产企业选用,专业的工程师帮您稳定好每一批产品,如果您有遇到什么需要帮助解决的,可以点击右边的工程师,或者点击销售经理给您精准的报价以及产品介绍
相关阅读
最新资讯
- 怎么用TVS二极管提高电路的抗突波能力
- PIN二极管的电导调制机制和应用介绍
- 基于双MOS管的防反灌电路工作原理介绍
- 高效率整流二极管的特性和应用介绍
- 详解稳压二极管的关键特性和应用原理
- MOS管选型关键因素分析,怎么选择合适的参数
- 三相整流电路分析,半波整流与全波整流的工作原理
- IGBT三相全桥整流电路工作原理介绍
- 详解快恢复二极管,结构,特性和应用介绍
- 三极管和MOS管组合式开关电路分析
联系烜芯微
咨询热线:
18923864027
传真:
18923864027
QQ:
709211280
地址:
深圳市福田区振中路84号爱华科研楼7层