一、18~36W内置MOS双绕组LED驱动芯片方案
1.方案特点
集成高压启动模块,灯具即开即亮,无启动电阻长期使用老化开路问题
内置高压智能MOS(690V2.5Ω),采用DIP7封装,高低压管脚距离充足,避免打火炸机
QR控制模式,降低开关损耗
100kHz工作频率,缩小变压器体积
过温调节功能(OTC),抗干扰力强,多系统不闪灯,灌胶后输出电流不变,恒流精度3%以内
全面智能保护:输出开/短路?;?、过压/欠压/过流?;ぁS电阻开路保护等
2.方案简介
双面板工艺,单面元器件,尺寸:49.2mm*20.2mm
输入电压:176~264Vac电压范围
输出功率:24W
输出效率:≥90%
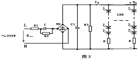
3.LED方案原理图


二、LED基本分类与应用
按输出功率分类:
0.4W、1.28W、1.4W、3W、4.2W、5W、8W、10.5W、12W、15W、18W、 20W、23W、25W、30W、45W、60W、100W、120W、150W、200W、300W 等。
按输出电压分类:
DC4V、6V、9V、12V、18V、24V、36V、42V、48V、54V、63V、81V、105V、135V等。
按外形结构分类:
PCBA裸板和有外壳的两种。
按安全结构分类:
隔离和非隔离的两种。
按功率因数分类:
带功率因数校正和不带功率因数。
按防水性能分类:
防水和不防水两种。
按激励方式分类:
自激式和它激式。
按电路拓扑分类:
RCC、Flyback、Forward、Half-Bridge、Full-Bridge、Push-PLL 、LLC等。
按转换方式分类:
AC-DC与DC-DC两种。
按输出性能分类:
恒流、恒压与既恒流又恒压三种。
三、LED驱动电源的重要性
接触过LED的人都知道:由于LED正向伏安特性非常陡 图1.1(正向动态电阻非常?。?,要给LED正常供电就比较困难。不能像普通白炽灯一样,直接用电压源供电,否则电压波动稍增,电流就会增大到将LED烧毁的程度。为了稳定LED的工作电流,保证LED能正常可靠地工作,具有”镇流功能”的各种各样的LED驱动电路就应运而生。最简单的是串联一只镇流电阻,而比较复杂的是用许多电子元件构成的“恒流驱动器”。


四、LED驱动的技术方案
1)镇流电阻方案
此方案的原理电路图见图1。这是一种极其简单,自LED面世以来至今还一直在用的经典电路。
LED工作电流I按下式计算:


I与镇流电阻R成反比;当电源电压U上升时,R能限制I的过量增长,使I不超出LED的允许范围。
此电路的优点是简单,成本低;缺点是电流稳定度不高;电阻发热消耗功率,导致用电效率低,仅适用于小功率LED范围。
一般资料提供的镇流电阻R的计算公式是:


按此公式计算出的R值仅满足了一个条件:工作电流I 。而对驱动电路另两个重要的性能指标:电流稳定度和用电效率,则全然没有顾及。因此用它设计出的电路,性能没有保证。


2)镇流电容方案
电路的工作是基于在交流电路中,电容存在容抗XC也有”镇流作用”的原理。另外电容消耗无功功率,不发热;而电阻则消耗有功功率,会转化为热能耗散掉,所以镇流电容比镇流电阻,能节省一部分电能,并能设计成将LED灯直接接到市电~220V上,使用更为方便。
此方案的优点是简单,成本低,供电方便;缺点是电流稳定度不高,效率也不高。仅适用于小功率LED范围。当LED的数量较多,串联后LED支路电压较高的场合更为适用。


3)线性恒流驱动电路
上面已经提到电阻、电容镇流电路的缺点是电流稳定度低(△I/I达±20~50%),用电效率也低(约50~70%),仅适用于小功率LED灯。
为满足中、大功率LED灯的供电需要,利用电子技术常见的电流负反馈原理,设计出恒流驱动电路。和直流恒压电源一样,按其调整管是工作在线性,还是开关状态,恒流驱动电路也分成两类:线性恒流驱动电路和开关恒流驱动电路。
图4是最简单的两端线性恒流驱动电路。它借用三端集成稳压器LM337组成恒流电路,外围仅用两个元件:电流取样电阻R和抗干扰消振电容C
4)开关电源驱动电路
上述线性恒流驱动电路虽具有电路简单、元件少、成本低、恒流精度高、工作可靠等优点,但使用中也发现几点不足:
a、调整管工作在线性状态,工作时功耗高发热大(特别是工作压差过大时),不仅要求较大尺寸的散热器,而且降低了用电效率。
b、电源电压要求按公式(13)与LED工作电压严格匹配,不允许大范围改变。也就是说它对电源电压及LED负载变化的适应性差。
c、它仅能工作在降压状态,不能工作在升压状态。即电源电压必须高于LED工作电压。
d、供电不太方便,一般要配开关稳压电源,不能直接用~220V供电。
输入整流:将正负变化的交流电变成单向变化的直流电
滤波:将变化的电压波形平滑成波动较小的直流电压波形
变压器:储存能量,产生需要的输出电压.原、副边隔离。
输出稳压:稳定输出电压
取样反馈:将输出电压的变化反映到控制电路,以便采取相应的措施保证输出电压在规定的范围内
PWM+开关:控制电路,根据反馈回来的信号控制变压器储存能量的多少,从而保证输出的稳定
采用开关电源驱动的优点:效率高,一般可以做到80%~90%,输出电压、电流稳定。输出纹波小。且这种电路都有完善的?;ご胧舾呖煽啃缘缭?。
五、LED驱动电源主要有恒压式和恒流式
(1)恒压式
a、当稳压电路中的各项参数确定以后,输出的电压是固定的,而输出的电流却随着负载的增减而变化;
b、恒压电路不怕负载开路,但严禁负载完全短路。
c、 以稳压驱动电路驱动LED,每串需要加上合适的电阻方可使每串LED显示亮度平均;
d、 亮度会受整流而来的电压变化影响。
(2)恒流式
a、 恒流驱动电路输出的电流是恒定的,而输出的直流电压却随着负载阻值的大小不同在一定范围内变化,负载阻值小,输出电压就低,负载阻值越大,输出电压也就越高;
b、 恒流电路不怕负载短路,但严禁负载完全开路。
c、 恒流驱动电路驱动LED是较为理想的,但相对而言价格较高。
d、 应注意所使用最大承受电流及电压值,它限制了LED的使用数量;
六、LED日光灯电源设计
非隔离型降压式电源设计方法概论
非隔离降压型电源是现在普遍使用的电源结构,几乎占了日光灯电源百分之九十以上。很多人都以为非隔离电源只有降压型一种,每每一说到不隔离,就想到降压型,就想到说对灯不安全(指电源损坏)。其实降压型不只是一种,还有两种基本结构,即升压,和升降压,即BOOST AND BUCK-BOOST,后两种电源即使损坏。不会影响到LED的好处。降压式电源也有其好处,它适合用于220,但不适用于110,因为110V本来电压就低,一降就更低了,那样输出的电流大,电压低,效率做不太高。 降压式220V交流,整流滤波后约三百伏,经过降压电路,一般将电压降到直流150V左右,这样即可实现高压小电流输出,效率可以做得较高。一般用MOS 做开关管,做这种规格的电源,我的经验是,可以做到百分之九十那样差不多,再往上也困难。原因很简单,芯片一般自损会有0.5W到1W,而日光灯管电源不过就是10W左右。所以不可能再往上走。现在电源效率这个东西很虚,很多人都是吹,实际根本达不到。
常见有些人说什么3W的电源效率做到百分之八十五了,而且还是隔离型的。告诉大家,即便是跳频模式的,空载功耗最小,也要0.3W,还什么输出3W低压,能到百分之八十五,其实有百分之七十算很好了,反正现在很多人吹牛不打草稿,可以忽悠住外行,不过现在做LED的懂电源的也不多。
效率要高,首先就要做非隔离的,然后输出规格还要高压小电流,可以省去功率元件的导通损耗,所以象这种LED电源的主要损耗,一就是芯片自有损耗,这个损耗一般有零点几W到一W的样子,还有一个就是开关损耗了,用MOS做开关管可以显著减小这个损耗,用三极管开关损耗就大很多。所以尽量不要用三极管?;褂芯褪亲鲂〉缭矗詈貌灰?,不要用RCC,因为RCC电路一般的厂家根本做不好质量,其实现在芯片也便宜,普通的开关电源芯片,集成MOS管的,最多不过两元钱,没必要省那么一点点,RCC只省点材料费,实际上加工返修等费用更高,到头到反而得不偿失的那样。
降压式电源的基本结构就是将电感和负载串入300V高压中,开关管开关的时候,负载即实现了低于300V的电压,具体的电路很多,网上也很多。现在9910,还有一般的市场上的恒流IC基本都是用这种电路来实现的。但这种电路就是开关管击穿的时候,整个LED灯板就玩完,这应该算是最不好的地方了。因为当开关管击穿的时候,整个300V的电压就加在灯板上,本来灯板只能承受一百多伏电压,现在成了三百伏了,这种情况一发生。LED肯定要烧掉。所以很多人说非隔离的不安全,其实就是说降压的,只是因为一般非隔离的绝大多数是降压的,所以认为非隔离的损坏一定要坏 LED。其实另外两种基本的非隔离结构,电源损坏,不会影响LED的。
降压式电源要设计成高压小电流,效率才能高,细说一下,为什么?因为高压小电流,可以让开关管电流的脉宽大一些,这样峰值电流就小一些,还有就是,对电感的损耗也小一些,通过电路结构就可以知道,电路不方便画,具体也难以再叙述下去了。就随便总结一下,降压电源的好处是,适合于220高压输入使用,以使得功率器件承受的电压应力小,适合做大电流输出,比如做100MA电流,比后两种方式来的轻松,效率要高。效率算比较高的,对电感的损耗较小,但对开关管损耗大一些,因为所有经过负载的功率必须要经过开关管传输,但输出的功率,只有一部分经过电感,如300V输入,120V输出的降压型电源,只有 180V的部分要经过电感,120V的部分是直接导通进入负载的,所以说对电感损耗比较小,但输出的功率,全部要经过开关管转化。
分解两种恒流控制方式
下面要详解的是,两种恒流控制模式的开关电源,从而产生两种做法。这两种做法,无论是原理,还是器件应用,还是性能差别,相当都较大。
首先说原理。第一种以现在恒流型LED专用IC为代表,主要如9910系列,AMC7150,凡是现在打LED恒流驱动IC的牌子基本都是这种,且叫他恒流IC型的吧。但我认为这种所谓恒流IC做恒流,效果却不怎么好。其控制原理相对来说较简单,就是在电源工作的原边回路,设定一个电流阀值,当原边MOS导通,此时电感的电流是线性上升的,当上升到一定值的时候,达到这个阀值,就关断电流,下一周期再由触发电路触发导通。其实此种恒流应该是一种限流,我们知道,当电感量不同的时候,原边电流的形状是不同的,虽然有相同的峰值,但电流平均值不同。因此,象这种电源一般就是批量生产时,恒流大小的一致性不太好控制?;褂芯褪谴酥值缭从幸桓鎏氐?,一般是输出电流是梯形的,即波动式电流,输出一般是不用电解平滑的,这也是一个问题,如果电流峰值过大,会对LED产生影响。如果电源的输出级没有并电解来平滑电流的那种电源,基本上都属此类。即判断是否是这种控制方式,就看其输出有没有并上电解滤波了。这种恒流我原来一直叫其为假恒流,因为其本质就是一种限流,并不是经过运放比较,而得到的恒流值。
第二种恒流方式,应该可以叫做开关电源式的。这种控制方式和开关电源的恒压控制方式相似。大家都知道用TL431做恒压吧,因为其内部有一个2.5伏的基准,然后用电阻分压方式。当输出电压高一点的时候,或低一点的时候,就产生一个比较电压,经过放大,去控制PWM信号,所以此种控制方式可以很精确的控制电压。这种控制方式,需要一个基准,还需要一只运放,如果基准够准,运放放大倍数够大,那么就定的很准。同样的,做恒流,就是需要一个恒流基准,一个运放,用电阻过流检测,作为信号,然后用这个信号放大,去控制PWM,可惜现在就是不太好找到很准的基准信号,常用的有三极管,这个做基准温漂大,还有就是可以拿二极管约1V的导通值做基准,这样的也可以,可都不高,最好的是用运放加TL431当基准,但电路复杂。但这样做的恒流电源,恒流精确度还是好控制的多。而这种模式控制的恒流,其输出一定得加电解滤波,所以输出电源是平滑直流,不是脉动的,脉动的话就没法取样了。所以要判定是哪种只要看其输出是否有电解就行了。
两种恒流控制模式决定了使用两类不同的器件,一是从而决定了两种电路器件使用不同,性能的不同,成本亦不同。以9910系列为代表的恒流型控制IC 做的LED电源,实际是限流,控制较简单,严格的说起来,其不属于开关电源控制的主流模式,开关电源控制的主流模式是一定要有基准和运放的。但这种IC出来就只能用于LED,很难用于其它的东西,只是因为LED对纹波要求极低。但因为是只用于LED,所以现在价格较高。基本就是使用9910加MOS管制作,输出无电解,一般我看很多人就是用工字电感做功率转换电感的。这种电源,一般厂家的芯片资料上有出图,基本都是降压式。
二是开关电源控制模式的恒流驱动器。这种,就是以普通的开关电源芯片为核心转换器件,这种芯片很多,如PI的TNY系列,TOP系列,ST的VIPER12,VIPER22,仙童的 FSD200等,甚至只用三极管或是MOS管的RCC等,都可以做。好处是成本低,可靠性也不错。因为普通的开关电源芯片不但价格好,而且都是经过大量使用的经典产品。象这种IC其实一般集成了MOS管,比9910外加MOS方便,但控制方式复杂一些,需要外加恒流控制器件,可以用三极管,或是运放。磁性元件可以用工字电感,亦可用带气隙的高频变压器。
关于此种电源的要求和电路结构的问题
对于看法是,因为电源要内置在灯里,而发热是LED光衰最大的杀手,所以发热一定要小,就是效率一定得高。当然得有高效率的电源。对于T8一米二长的那种灯,最好是不要用一支电源,而是用二支,两端各一只,将热量分散。从而不使热量集中在一个地方。
电源的效率主要取决于电路的结构和所用的器件。先说电路结构,有些人还说要隔离电源,我想绝对是没必要的,因为这种东西本来就是置于灯体内部,人根本摸不到。没必要隔离,因为隔离电源的效率比不隔离效率要低,第二是,最好输出要高电压小电流,这样的电源才能把效率做高。现在普遍用到的是,BUCK电路,即降压式电路。最好是把输出电压做到一百伏以上,电流定在100MA上那样,如驱动一百二十只,最好是三串,每串四十只,电压就是一百三十伏,电流 60MA。
这种电源用的很多,本人只是认为有一点不好,如果开关管失控通咱,LED会玩完。现在LED这么贵。我比较看好升压式电路,此种电路的好处,我反复的说过,一是效率较降压式的高些,二是电源坏了,LED灯不会坏。这样能确保万无一失,如果烧坏一个电源,只是损失几块钱,烧一个LED日光灯,就会赔掉上百元的成本。所以我一直首推还是升压式的电源。
还有就是,升压式电路,很容易把PF值作高,降压式的就麻烦一些。我绝对升压式电路用于LED日光灯的好处还是有压倒性的强于降压式的。只是有一年缺点,就是在220V市电输入情况下,负载范围比较窄,一般只能适用于100至140个一串或两串LED,对于少于此数的,或是夹在中间的,却用起来不方便。不过现在做LED日光灯的,一般60CM长那种都是用100至140,一米二的那种,一般就是用二百到二百六那样,使用起来还是可以的。所以现在LED日光灯一般使用的是不隔离降压电路,还有不隔离升压电路。
最后说一下,区别这两种电源,一个最重要的方法,就是看其输出是否有电解电容作滤波。
关于供电问题——不管是做限流型恒流控制的电源,还是运放控制的恒流电源,都要解决供电问题。即开关电源芯片工作 的时候是需要一个相对稳定的直流电压为其芯片供电的,芯片的工作电流从一个MA到几个MA不等。有一种象FSD200,NCP1012,和HV9910,此种芯片是高压自馈电的,用起来是方便,但高压馈电,造成IC热量的上升,因为IC要承受约300V的直流电,只要稍有一点电流,就算一个MA,也有零点三瓦的损坏耗了。一般LED电源不过十瓦左右,损失零点几瓦以下就可以将电源的效率拉下几个点?;褂芯褪堑湫拖驫X9910。,用电阻下拉取电,这样,损耗就在电阻上,大约也得损失它零点几瓦吧?;褂芯褪谴篷詈?,就是用变压器,在主功率线圈上加一个绕组,就象反激电源的辅助绕组一样,这样可以避免损掉这零点几瓦的功率。这也是我为什么不隔离电源还要用变压器的原因之一,就是为了避免损失那零点几瓦的功率,将效率提几个点。
对高PF LED日光灯电源,大电流的LED日光灯电源的看法
个人认为这些做法有很多时候实在是舍本逐末而已。现在先请问一下LED相对于传统灯具的优势在哪,第一,节能,第二长寿,然后是不怕开关,对吧。但是现在使用的高PF的方法,均是使用无源填谷PF电路,由原来的驱动方式,即48串,6并改为,24串12并,这样的话,在220V情况下,效率会降下五个百分点左右,于是LED日光灯电源,发热量更高了,灯珠也会受到一点影响。
还有一个问题,就是,24串12并的做法,会让LED日光灯灯珠的布线变的很难受,不好布线了。我看,最好的方式还是48串一串方式好,主要是效率高,发热小,而且布线容易,不复杂。
更有甚者,现在还有人提出什么24并,12串,这种方式只适合用于隔离电源,不隔离电源根本不适用。更有些不懂电源常识的人觉得自己非隔离电源做到恒流600MA输出就好牛X了,其实他都没有自己仔细的放在灯管里试过,象这种不热爆了才怪。
所以说,现在搞什么低压大电流做LED日光灯电源,实是舍本求末的做法。
关于外形
现在LED日光灯电源,做灯的厂家普遍要求放在灯管内,如放T8灯管内。很少一部分外置。不知道为什么都要这样。其实内置电源又难做,性能也不好。但不知道为什么还有这么多人这样要求。可能都是随风倒吧。外置电源应该说是更科学,更方便才对。但我也不得不随风倒,客户要什么,我就做什么。但做内置电源,有相当难度哦。因为外置的电源,形状基本没有要求,想做多大做多大,想做成什么形状也没关系。内置电源,只能做成两种,一种是用的最多的,就是说放在灯板下面,上面放灯板,下面是电源,这样就要求电源做的很薄,不然装不进。而且这样只能把元件倒下,电源上的线路也只有加长。我认为这样不是个好办法。不过大家普遍喜欢这样搞。我就搞?;褂芯褪怯玫纳僖恍?,放两端的,即放在灯管两头,这样好做些,成本也低些。我也有做过,基本就是这两种内置形状了。
烜芯微专业制造二三极管,MOS管,20年,工厂直销省20%,1500家电路电器生产企业选用,专业的工程师帮您稳定好每一批产品,如果您有遇到什么需要帮助解决的,可以点击右边的工程师,或者点击销售经理给您精准的报价以及产品介绍
烜芯微专业制造二三极管,MOS管,20年,工厂直销省20%,1500家电路电器生产企业选用,专业的工程师帮您稳定好每一批产品,如果您有遇到什么需要帮助解决的,可以点击右边的工程师,或者点击销售经理给您精准的报价以及产品介绍