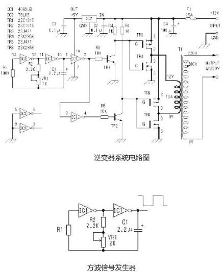
(一)工作原理及电路
这里主要是讲述逆变器是由MOS场效应管,普通电源变压器构成。其输出功率取决于MOS场效应管和电源变压器的功率,免除了烦琐的变压器绕制,适合电子爱好者业余制作中采用。下面介绍该逆变器的工作原理及制作过程。
这里采用六反相器CD4069构成方波信号发生器。电路中R1是补偿电阻,用于改善由于电源电压的变化而引起的振荡频率不稳。电路的振荡是通过电容C1充放电完成的。其振荡频率为f=1/2.2RC.图示电路的最大频率为:fmax=1/2.2×3.3×103×2.2×10-6=62.6Hz;最小频率fmin=1/2.2×4.3×103×2.2×10-6=48.0Hz.由于元件的误差,实际值会略有差异。其它多余的反相器,输入端接地避免影响其它电路。


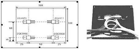
(二)逆变器MOS管图解
逆变器用的变压器采用次级为12V、电流为10A、初级电压为220V的废品电源变压器。P沟道MOS场效应管(2SJ471)最大漏极电流为30A,在场效应管导通时,漏-源极间电阻为25毫欧。此时假如经过10A电流时会有2.5W的功率耗费。N沟道MOS场效应(2SK2956)最大漏极电流为50A,场效应管导通时,漏-源极间电阻为7毫欧,此时假如经过10A电流时耗费的功率为0.7W.由此我们也可知在同样的工作电流状况下,2SJ471的发热量约为2SK2956的4倍。所以在思索散热器时应留意这点。图8展现本文引见的逆变
器场效应管在散热器(100mm×100mm×17mm)上的位置散布和接法。虽然场效应管工作于开关状态时发热量不会很大,出于安全思考这里选用的散热器稍偏大。
1:逆变器电路板


2:逆变器所用元器件


3:逆变器位置分布与接法


逆变器MOS管选型表
(一)在进行电源设计时,效率与可靠性都是设计者首先考虑的因素,在设计逆变电源时更是如此。逆变电源可靠性的提升对于新手们来说是一个较为头疼的问题,虽然有资料可供参考,但其中值给出了部分方法,却没有给出一些技巧或原理上的讲解。
MOS管不同的封装形式对于原器件的参数设定与选型一样会影响到产品的可靠性,需要谨慎对待。电源逆变器MOS管常用型号是需要按照输入或输出电压的不同来选择不同BVDSS电压的MOS管。
(二)烜芯微产品特点:1、高频特性、高温特性、高压特性; 2:碳化硅器件是同等硅器件耐压的10倍; 3:碳化硅肖特基管耐压可达2400V; 4:碳化硅场效应管耐压可达数万伏。且通态电阻小。

烜芯微专业制造二三极管,MOS管,20年,工厂直销省20%,1500家电路电器生产企业选用,专业的工程师帮您稳定好每一批产品,如果您有遇到什么需要帮助解决的,可以点击右边的工程师,或者点击销售经理给您精准的报价以及产品介绍

烜芯微专业制造二三极管,MOS管,20年,工厂直销省20%,1500家电路电器生产企业选用,专业的工程师帮您稳定好每一批产品,如果您有遇到什么需要帮助解决的,可以点击右边的工程师,或者点击销售经理给您精准的报价以及产品介绍