MOSFET芯片在制作完成之后,需要给MOSFET芯片加上一个外壳,即MOS管封装。MOSFET芯片的外壳具有支撑、?;?、冷却的作用,同时还为芯片提供电气连接和隔离,以便MOSFET器件与其它元件构成完整的电路。按照安装在PCB 方式来区分,MOS管封装主要有两大类:插入式(Through Hole)和表面贴装式(Surface Mount)。插入式就是MOSFET的管脚穿过PCB的安装孔焊接在PCB 上。表面贴裝则是MOSFET的管脚及散热法兰焊接在PCB表面的焊盘上。
TO247是比较常用的小外形封装,表面贴封装型之一,247是封装标准的序号。常见的TO-247AC和TO-247AD应该都是vishay的名称。TO-247封装尺寸介于模块与单管之间,能封装大部分的电子元器件,TO247一般为非绝缘封装,TO-247的管子一般用在大功率的POWER中,用作开关管的话,它的耐压和电流会比较大一点。烜芯微科技有限公司的TO247封装在二极管、三极管、MOSFET、IGBT、可控硅、电源??椤⒄髑?、功率电阻等领域工艺与技术已经趋于完善。


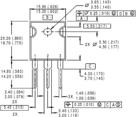
MOS管 TO-247封装尺寸及外形






TO247安装到散热器上注意事项
1、散热器要光滑平整,无毛刺、无铁销、无赃物,检查散热器上的螺丝孔无毛刺;
2、涂覆导热硅脂:给TO247??镈BC底板上涂覆一薄层导热硅脂(DBC底板很平整,导热硅脂涂敷量不宜多),导热硅脂涂覆厚度小于50μm,尽量涂覆均匀,这是最重要的一点;
3、装配,??榉胖糜谡肺恢茫礁雎荻は茸吧喜灰恿?;一手按住??橐皇指谝桓雎荻ど傩砑恿?;接着给第二个螺钉加力,可以一次加力到位;再给第一个螺钉加力到位,完成散热器上的装配。
MOS管 TO-247封装与其他封装对比
元器件的封装对性能的影响并不大,只是外形按照终端的需求要设计。下面是SOT-247封装与其他封装的一些对比。所以制作元件封装焊盘尺寸、孔的尺寸不同,3个焊盘间距也不同.空间留的大小也不同.注意,SOT-227封装也有两脚封装..两脚封装就是取消了中间脚.
(一)TO-247封装与TO-3P封装的区别
TO-247封装与TO-3P封装都是3引脚输出的,里面的裸芯片(即电路图)是可以完全一样的,所以功能及性能基本一样,最多是散热及稳定性稍有影响。由于不同的终端需要,所以需要不同的外形而已。比如现在的手机MP3越做越薄,越做越小,那么上面的芯片只能采用小型外形的,所以就要求同样的功能下的IC外形要小。
(二)TO-220封装和TO-247封装的区别
TO247封装脚距:5.56mm;宽度:15.8mm;管脚最大宽度:1.29mm
TO220封装脚距:2.54mm,宽为5.08mm ;管脚最大宽度:1.29mm
MOS管 TO-247封装选型

烜芯微专业制造二三极管,MOS管,20年,工厂直销省20%,1500家电路电器生产企业选用,专业的工程师帮您稳定好每一批产品,如果您有遇到什么需要帮助解决的,可以点击右边的工程师,或者点击销售经理给您精准的报价以及产品介绍

烜芯微专业制造二三极管,MOS管,20年,工厂直销省20%,1500家电路电器生产企业选用,专业的工程师帮您稳定好每一批产品,如果您有遇到什么需要帮助解决的,可以点击右边的工程师,或者点击销售经理给您精准的报价以及产品介绍