
简单解释一下MOS场效应管的工作原理。


MOS 场效应管也被称为MOSFET, 既Metal Oxide Semiconductor Field Effect Transistor(金属氧化物半导体场效应管)的缩写。它普通有耗尽型和加强型两种。本文运用的为加强型MOS 场效应管,其内部构造见图5。它可分为NPN型PNP型。NPN型通常称为N沟道型,PNP型也叫P沟道型。由图可看出,关于N沟道的场效应管其源极和漏极接在N型半导体上,同样关于P沟道的场效应管其源极和漏极则接在P型半导体上。我们晓得普通三极管是由输入的电流控制输出的电流。但关于场效应管,其输出电流是由输入的电压(或称电场)控制,能够以为输入电流极小或没有输入电流,这使得该器件有很高的输入阻抗,同时这也是我们称之为场效应管的缘由。


为解释MOS 场效应管的工作原理,我们先理解一下仅含有一个P—N结的二极管的工作过程。如图6所示,我们晓得在二极管加上正向电压(P端接正极,N端接负极)时,二极管导通,其PN结有电流经过。这是由于在P型半导体端为正电压时,N型半导体内的负电子被吸收而涌向加有正电压的P型半导体端,而P型半导体端内的正电子则朝N型半导体端运动,从而构成导通电流。同理,当二极管加上反向电压(P端接负极,N端接正极)时,这时在P型半导体端为负电压,正电子被汇集在P型半导体端,负电子则汇集在N型半导体端,电子不挪动,其PN结没有电流经过,二极管截止。


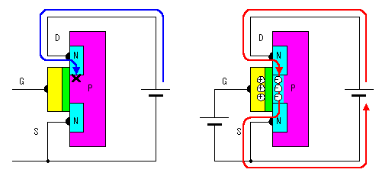
关于场效应管(见图7),在栅极没有电压时,由前面剖析可知,在源极与漏极之间不会有电流流过,此时场效应管处与截止状态(图7a)。当有一个正电压加在N沟道的MOS 场效应管栅极上时,由于电场的作用,此时N型半导体的源极和漏极的负电子被吸收出来而涌向栅极,但由于氧化膜的阻挠,使得电子汇集在两个N沟道之间的P型半导体中(见图7b),从而构成电流,使源极和漏极之间导通。我们也能够想像为两个N型半导体之间为一条沟,栅极电压的树立相当于为它们之间搭了一座桥梁,该桥的大小由栅压的大小决议。图8给出了P沟道的MOS 场效应管的工作过程,其工作原理相似这里不再反复。


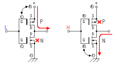
下面简述一下用C-MOS场效应管(加强型MOS 场效应管)组成的应用电路的工作过程(见图9)。电路将一个加强型P沟道MOS场效应管和一个加强型N沟道MOS场效应管组合在一同运用。当输入端为低电平常,P沟道MOS场效应管导通,输出端与电源正极接通。当输入端为高电平常,N沟道MOS场效应管导通,输出端与电源地接通。在该电路中,P沟道MOS场效应管和N沟道MOS场效应管总是在相反的状态下工作,其相位输入端和输出端相反。经过这种工作方式我们能够取得较大的电流输出。同时由于漏电流的影响,使得栅压在还没有到0V,通常在栅极电压小于1到2V时,MOS场效应管既被关断。不同场效应管其关断电压略有不同。也正由于如此,
使得该电路不会由于两管同时导通而形成电源短路。


由以上剖析我们能够画出原理图中MOS场效应管电路局部的工作过程。
烜芯微专业制造二三极管,MOS管,20年,工厂直销省20%,1500家电路电器生产企业选用,专业的工程师帮您稳定好每一批产品,如果您有遇到什么需要帮助解决的,可以点击右边的工程师,或者点击销售经理给您精准的报价以及产品介绍
烜芯微专业制造二三极管,MOS管,20年,工厂直销省20%,1500家电路电器生产企业选用,专业的工程师帮您稳定好每一批产品,如果您有遇到什么需要帮助解决的,可以点击右边的工程师,或者点击销售经理给您精准的报价以及产品介绍