快恢复二极管多用于高频场合,常与可控功率半导体器件结合使用,反向恢复时间trr是指二极管从导通状态恢复到具有阻断能力时所需要的时间。由于载流子的存在,移除这些载流子使二极管开始具有阻断能力需要一定的时间。在高达数百安培工作电流情况下。快恢复二极管反向恢复时间只需要几个微秒。 快恢复二极管另一个特别的特性是软关断,也称为软恢复。下面给出了各种不同的二极管类型的内部设计实现方法。
大多数的应用中负载呈感性,所以IGBT需要反并联一个二极管,这样在IGBT关断之后,可以给感性负载提供续流回路。否则,电感上的过电压可能损坏IGBT。因此这样的二极管也被称为续流二极管(FWD)。
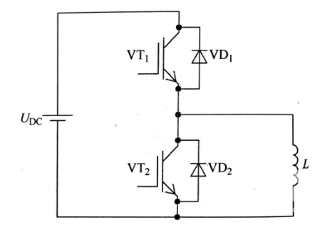
在电路拓扑中,二极管的关断特性依赖于IGBT的开关特性(如图1所示的半桥结构,VD1和VD2分别受到VT2和VT1的影响)。由于二极管只有复合全部载流子后,才能够重新具有全电压阻断能力,因此,快速开关IGBT会导致其对应的二极管产生明显的电流梯度di/dt和反向恢复电流。这样,二极管会产生不可忽略的瞬时反向过电流。


图1 在感性负载中IGBT采用快恢复续流二极管
IGBT在开通后,不仅要通过负载电流,还要给续流二极管在关断时产生的反向恢复电流提供回路。这个峰值电流很容易达到IGBT的安全工作区(SOA),这样IGBT的实际可用最大电流受到限制。根据IEC 60747-9标准,SOA定义了IGBT在开通状态下的最高集电极电流IC。
即使在很好的散热条件下,IGBT的工作电流也不得超过这个极限值。这个电流与IGBT在开
通和关断时集电极和发射极之间的电压Uce相关。通常是指Tc=25℃时,所可能流过的最大直流或者脉冲电流。
优化二极管开关特性的目标就是能够最大限度地利用IGBT的容量。一种方法是通过掺杂降低载流子的寿命。另一种方法是在制造过程中采用电子辐照的手段来减少反向恢复时间和降低反向恢复电流。但是这种方法会增加二极管的正向导通压降,也就是增加了非预期龋的通态损耗。特别是对于阻断电压超过1kV的功率二极管来说,这种方法受到一定的限制。而且,载流子的寿命降低可能会导致反向恢复电流突然中断,从而引起了电流的谐振和电磁兼容(EMC)问题,严重的可能会损坏二极管。二极管关断过程中的电流中断现象也被称为“活跃”特性。
除了其他因索之外,追求软恢复的设计方法推动了二极管的研发。这类二极管主要分为两种均匀地降低P发射极效率(发射极控制二极管)或者改变内部结构降低P发射极端率。这些技术常用于高功率的肖特基二极管,因此也被称作混合PIN肖特基(MPS)二极管。MPS二极管结构如图2所示。与传统的肖特基二极管不同的是,MPS二极管在金属半导体结上增加了P型孤岛构成了PIN型二极管结构。
另一种方法是通过调整轴向载流子寿命以获得期望的开关特性。这样,复合中心需要植入到PN结内。这类二极管被称作轴向寿命控制技术(CAL)二极管。


快恢复二极管
图2 碳化硅肖特基二极管的两种内部结构和电路符号(不成比例)
烜芯微专业制造二三极管20年,工厂直销省20%,1500家电路电器生产企业选用,专业的工程师帮您稳定好每一批产品,如果您有遇到什么需要帮助解决的,可以点击右边的工程师,或者点击销售经理给您精准的报价以及产品介绍
烜芯微专业制造二三极管20年,工厂直销省20%,1500家电路电器生产企业选用,专业的工程师帮您稳定好每一批产品,如果您有遇到什么需要帮助解决的,可以点击右边的工程师,或者点击销售经理给您精准的报价以及产品介绍