TO-220封装是一种快恢复二极管常采用的一种直插式的封装形式。其中,TO英文是 Transistor Outline的缩写。通常,TO-220为单排直插,一般可以引出3个、5个或7个脚。常见的TO-220封装有TO-220、TO-220F、TO-220AB、TO-220AC、TO-220D等。
TO-220全包(即塑封)和半包(即铁封)产品可以满足大功率二极管、三极管、MOS管和小规模IC的使用需求,采用带散热片的设计,增加了期间的散热通道,均衡了电路的热特性。其中全包产品可以实现散热片和外部的电器绝缘,半包产品的散热效果则更好,两种外形的选择可以满足电路灵活设计和使用条件的不同需求。
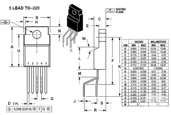
TO-220封装结构图与尺寸
TO-220封装尺寸 引脚


TO-220AB封装尺寸


快恢复二极管TO-220系列的区别
TO-220与TO-220F外型基本相同,都是2.54mm脚距的3脚单列直插封装。
TO-220F是全塑封装,上到散热器上不必加绝缘垫。
TO-220带金属片与中间脚相连的,如装散热器的话要加绝缘垫。
TO-220AC表示的单管,只有两个脚,里面只有一个芯片。
TO-220AB是双管,里面两个芯片,共阴方式连接,有两个脚。
TO-220几种封装性能对比
TO-220的散热部分:9.9×15.7,散热金属部分两侧有明显缺耳;TO-220AB的散热部分:10.4×15.0,散热金属部分两侧没有明显缺耳。TO-220和TO-220F两个封装的Pd不同,源于两种封装的Rjc不同所致,Tj一般是到150℃,我觉得Tj=Tc+Pd*Rjc,其中,Tc是离晶圆最近的结构外壳的温度,Pd是快恢复二极管上承载的功耗,Rjc是Juction to case的热阻。TO-220的Rjc小于TO-220的Rjc,TO-220封装的散热要优于TO-220F封装的散热。反之220F的绝缘好些,220的效率相对来讲会稍大点,但是差异并不是特别明显。
烜芯微专业制造二三极管20年,工厂直销省20%,1500家电路电器生产企业选用,专业的工程师帮您稳定好每一批产品,如果您有遇到什么需要帮助解决的,可以点击右边的工程师,或者点击销售经理给您精准的报价以及产品介绍
烜芯微专业制造二三极管20年,工厂直销省20%,1500家电路电器生产企业选用,专业的工程师帮您稳定好每一批产品,如果您有遇到什么需要帮助解决的,可以点击右边的工程师,或者点击销售经理给您精准的报价以及产品介绍