传真:
18923864027
QQ:
709211280
地址:
深圳市福田区振中路84号爱华科研楼7层
ttl电路多余的输入端应怎么处理TTL 电路多余的输入端的处理方式为:(1)与门、与非门:多余的输入端输入高电平对逻辑功能无影响,可做以
三极管放大电路中的偏置电路稳定工作原理介绍放大电路在电工电子电路中随处可见,因此掌握放大电路基础是有必要的。电流负反馈偏置电路放大
做开关电路时,三极管限流电阻该怎么选择三极管做开关电路是很常见的一种电路,基本上所有电子设备都有对其电路的应用,那么在做开关电路时
三极管饱和问题汇总判断三极管饱和时应该求出基级最大饱和电流 IBS,然后再根据实际的电路求出当前的基级电流,如果当前的基级电流大于基
三极管的饱和是什么简单的画了一个最基本的电路模型,我们先假设这个三极管的 Vbe=0 7v, Hfe=10, Icm=100mA 来展开讨论。下面我们来讨
三极管稳压电路仿真解析利用三极管和稳压管可以构成一个稳压?;さ缏罚飧龅缏肪S美醋鞴贡;?。先来看一下下面电路稳压的原理R3 和
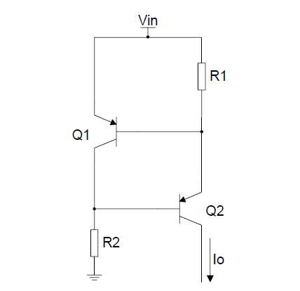
三极管和恒流源充放电电路三极管简介三极管是晶体管的一种,三极管的三个极分别是基极(Base)、发射极(Emitter)、集电极(Collector)。
三极管自锁电路介绍自锁电路是电路中的一种,一旦按下开关,电路就能够自动保持持续通电,直到按下其它开关使之断路为止的电路。1 三极管自
常见恒流电路在电源??橹械淖饔媒樯芩孀殴ひ抵悄芑痰牟欢仙钊耄度胧较低扯怨┑绲囊笤嚼丛礁?,对输入电压范围也越来越宽,对输出电
LED灯的不同连接形式与特点介绍LED 是基于电致发光原理的固体半导体光源,具有色彩丰富、体积小巧、高亮度、寿命长、工作电压低、使用安全
怎么降低开关电源的待机功耗关于开关电源的损耗问题一直困扰着无数工程师,今天结合电路来深入分析下开关损耗的改善办法。输入部分损耗1、
双极性,单路输出,可调节电源的设计思路解析台式电源(PS)往往有偶数个端口(忽略机箱端口):一个正端口和一个负端口。使用台式电源产生正极