200N06场效应管参数,200N06规格书,200N06引脚图,200N06中文资料pdf代替

200N06 PDFN5*6-8L封装参数:点击查看

200N06场效应管参数具体如下:
封装类型:PDFN5*6-8L
极性:NPN
极性:NPN
漏极电流:200A
栅极源极击穿电压:±20V
击穿电压:60V
存储温度:-55℃~+150℃
引脚数:8Pin
导通电阻ID=14A,VGS=10V:Typ 1.05mΩ Max 1.4mΩ
导通电阻ID=7A,VGS=4.5V:Typ 1.4mΩ Max 1.95mΩ
工作温度:-55℃~+150℃
安装类型:SMT
二、作用与应用
200N06场效应管的核心作用是作为电子开关使用。在电路中,它通过控制栅极电压来调节漏源路径上的电流流动,实现对负载的精确控制。由于其出色的电气性能,200N06广泛应用于以下领域:
电源管理:200N06可用作低压降开关,用于电源管理电路中的电池充放电控制、DC-DC变换器等。
信号放大:在音频放大器和低频放大器中,200N06可以作为信号放大的关键部件。
开关控制:在各种开关电路中,如LED灯控制、电机控制等,200N06能提供高效的开关控制功能。
模拟开关:在模拟电路中,200N06可以作为开关管,用于模拟信号的控制和处理。
充电管理:在移动设备和电动车等充电管理系统中,200N06用于充电过程中的电池保护和充电控制。
三、PDFN5*6-8L封装特点
200N06采用PDFN5*6-8L封装,这是一种表面贴装技术(SMT)封装,具有以下特点:
1.低电感、低电阻:由于去除了传统引脚结构,DFN封装具有更低的电感和电阻,有助于提高信号传输的效率和速度。
2.良好的电气性能:DFN封装在高频和高速应用中表现出色,有利于提升器件的电气性能和信号完整性。
3.优异的机械强度:基于其结构设计,DFN封装能够提供较高的机械强度和抗冲击性。
4.紧凑的设计:DFN封装占用更小的PCB面积,考虑到成本、体积各方面的因素,DFN封装将会是未来几年的一个增长点,发展前景较为乐观。
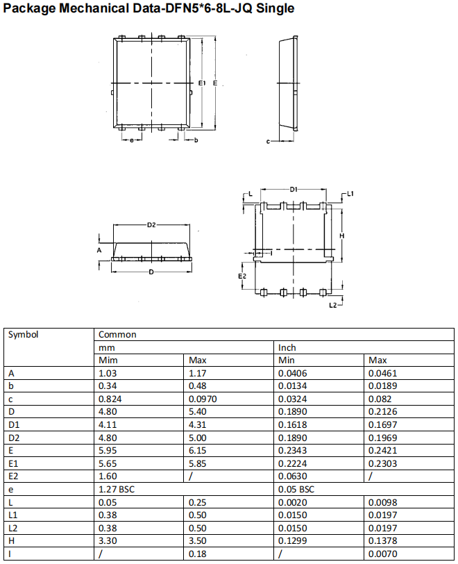
200N06场效应管PDFN5×6-8L封装尺寸:

200N06场效应管PDFN5×6-8L封装尺寸:

〈烜芯微/XXW〉专业制造二极管,三极管,MOS管,桥堆等,20年,工厂直销省20%,上万家电路电器生产企业选用,专业的工程师帮您稳定好每一批产品,如果您有遇到什么需要帮助解决的,可以直接联系下方的联系号码或加QQ/微信,由我们的销售经理给您精准的报价以及产品介绍
联系号码:18923864027(同微信)
QQ:709211280