8V04场效应管参数,8V04规格书,8V04引脚图,8V04中文资料pdf代替

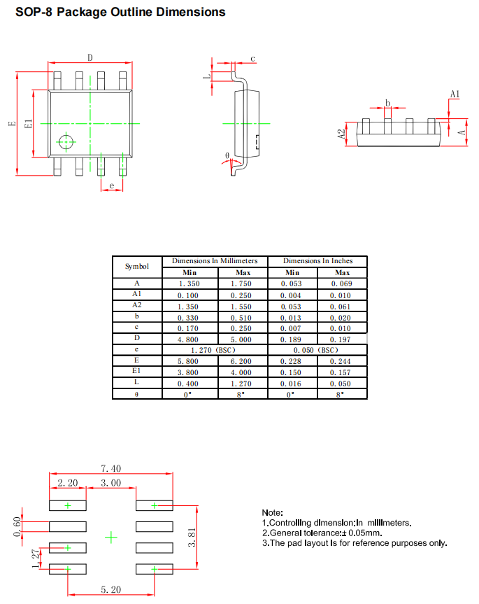
8V04 SOP-8封装参数:点击查看

8V04场效应管参数具体如下:
封装类型:SOP-8
极性:双N沟道
极性:双N沟道
漏极电流:8A
功率耗散:21.3W
反向传输电容Crss:13pF
栅极源极击穿电压:±20V
击穿电压:40V
存储温度:-55℃~+150℃
引脚数:8Pin
导通电阻ID=1A,VGS=10V:Typ 18.6mΩ Max 23mΩ
导通电阻ID=1A,VGS=4.5V:Typ 24.3mΩ Max 31mΩ
工作温度:-55℃~+150℃
安装类型:SMT
二、作用与应用
8V04场效应管的核心作用是作为电子开关使用。在电路中,它通过控制栅极电压来调节漏源路径上的电流流动,实现对负载的精确控制。由于其出色的电气性能,8V04广泛应用于以下领域:
1.电源系统:在开关电源、充电器、逆变器等应用中,可以作为主开关管,提高电源转换效率,降低功耗。
2.电机驱动:在工业电机、家用电器等应用中,可以作为电机驱动电路的功率器件,提高电机驱动效率,降低电机运行噪音。
3.LED照明:在高功率LED照明系统中,可以作为LED驱动电路的功率器件,提高照明效率,降低能耗。
4.其他应用:还可以应用于太阳能系统、风力发电系统、无线充电等领域。
三、SOP-8封装特点
8V04采用SOP-8封装,这是一种小外形封装,具有以下特点:
1.紧凑型设计:占地面积小,便于PCB设计和安装。
2.高可靠性:采用塑料封装,具有良好的抗震性能和耐湿性。
3.低成本:比其他封装方式成本更低,适用于大批量生产。
4.性能优良,可靠性高:SOP减少了各功能部件之间的连接,使得由于连接之间的各种损耗、干扰降低到最小。
8V04场效应管 SOP-8封装尺寸:

〈烜芯微/XXW〉专业制造二极管,三极管,MOS管,桥堆等,20年,工厂直销省20%,上万家电路电器生产企业选用,专业的工程师帮您稳定好每一批产品,如果您有遇到什么需要帮助解决的,可以直接联系下方的联系号码或加QQ/微信,由我们的销售经理给您精准的报价以及产品介绍
联系号码:18923864027(同微信)
QQ:709211280