半导体三极管,亦称双极型晶体管,是一种能够控制电流的半导体器件。它不仅可以将微弱信号放大为幅度较大的电信号,还可用作无触点开关。三极管的工作状态可分为静态和动态两种:静态是指未加信号时三极管的直流工作状态,此时各极电流称为静态电流;而动态工作状态则是在加入交流信号后,三极管的工作电流随信号变化的状态。
一、三极管电路分析的四个步骤
1. 直流电路分析
直流电路分析旨在明确直流工作电压如何施加到三极管的集电极、基极和发射极上。主要通过以下两条直流电路进行分析:
集电极与发射极之间的直流电路


基极直流电路
分析时,可将电路中的电容视为开路,因其具有隔直特性。这样可简化为直流等效电路,便于直观分析直流电压和电流的分布。


2. 交流电路分析
交流电路分析聚焦于交流信号的传输路径,即信号从何处输入放大器、经过哪些元器件处理以及最终从何处输出。

同时需关注信号在传输过程中的变化情况,例如在哪些环节被放大、衰减或补偿等。

同时需关注信号在传输过程中的变化情况,例如在哪些环节被放大、衰减或补偿等。
例如,在某放大器电路中,信号依次经过耦合电容 C1、三极管 VT1、耦合电容 C3、三极管 VT2 和耦合电容 C4。其中,耦合电容仅起传输信号的耦合作用,对信号无放大或衰减影响;而三极管 VT1 和 VT2 则对信号起到放大作用。


3. 元器件作用分析
元器件特性是电路分析的核心依据。分析元器件作用时,应依据其主要特性进行。例如,耦合电容凭借隔直通交的特性,可让交流信号无损耗通过,同时隔断直流通路。
每个元器件在电路中都有其特定作用,可能是一种或多种。在电路分析中,需明确每个元器件的具体功能。掌握元器件作用后,可采用简化分析方法,无需对每个同类元器件都进行重复分析。如已熟悉耦合电容的作用,后续遇到类似情况可直接应用已有结论。
4. 修理识图方法
修理识图主要用于检修电路故障,需在充分理解电路工作原理的基础上进行。故障检修时,可根据故障现象,有针对性地选择电路中的关键元器件进行分析,无需对每个元器件都进行全面的故障排查。
关键测试点的确定是修理识图的核心。例如,在单级放大器中,三极管的三个电极是关键测试点,

主要用于测量直流工作电压;而在集成电路中,关键测试点包括电源引脚、输入信号引脚和输出信号引脚等。例如,电路中的⑧脚是电源引脚,①脚是信号输入引脚,⑥脚是信号输出引脚。


主要用于测量直流工作电压;而在集成电路中,关键测试点包括电源引脚、输入信号引脚和输出信号引脚等。例如,电路中的⑧脚是电源引脚,①脚是信号输入引脚,⑥脚是信号输出引脚。

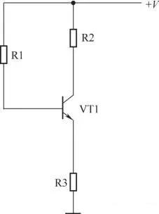
5. 三极管基极偏置电路分析
分析基极偏置电路时,可遵循以下步骤:
在电路图中找到三极管的电路符号,并确定其基极位置。


从基极出发,找出与基极和电源端(+V 端或 -V 端)相连的所有元器件,以及与基极和地端相连的所有元器件,这些元器件构成偏置电路的主体。


在偏置电路中,电阻可能参与偏置,而电容因隔直作用可视为开路,分析时可忽略电容的影响。
确定偏置电路中的元器件后,分析基极电流回路。例如,直流工作电压 +V 经偏置电阻 R1 流向三极管 VT1 的基极,再从基极流向发射极,经发射极电阻 R3 最终流向地端。

〈烜芯微/XXW〉专业制造二极管,三极管,MOS管,桥堆等,20年,工厂直销省20%,上万家电路电器生产企业选用,专业的工程师帮您稳定好每一批产品,如果您有遇到什么需要帮助解决的,可以直接联系下方的联系号码或加QQ/微信,由我们的销售经理给您精准的报价以及产品介绍

〈烜芯微/XXW〉专业制造二极管,三极管,MOS管,桥堆等,20年,工厂直销省20%,上万家电路电器生产企业选用,专业的工程师帮您稳定好每一批产品,如果您有遇到什么需要帮助解决的,可以直接联系下方的联系号码或加QQ/微信,由我们的销售经理给您精准的报价以及产品介绍
联系号码:18923864027(同微信)
QQ:709211280