移动电源,它主要由三大核心部分构成:电芯、电路板以及外壳,而锂离子电池凭借其高能量密度等优势,成为当下移动电源普遍采用的能量存储介质。深入探究其内部构造,会发现锂电池内部配备了一块专门的保护性 PCB(印刷电路板)板,与电池单元紧密结合封装在一起。该?;ば?PCB 板发挥着至关重要的作用,能够精准调控锂电池的输出电压,确保其始终处于安全电压区间内,也就是严格把控电池的充放电终止电压和截止电压,以此保障锂电池的稳定运行与使用寿命。


一、MOS 管在移动电源电池保护系统中的关键应用
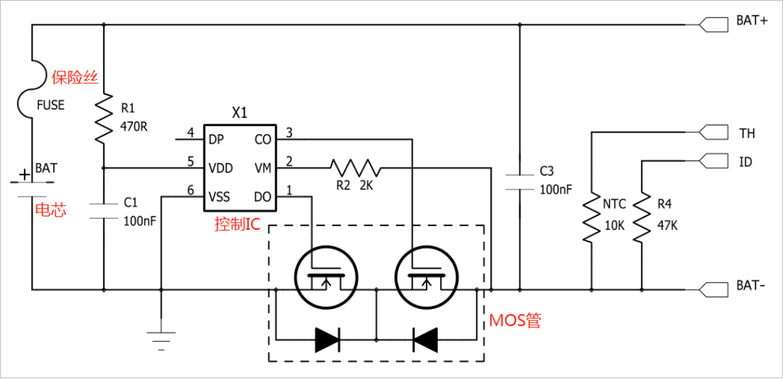
移动电源的电池?;は低彻乖炀汕腋丛?,其主要构成要素包括控制 IC(集成电路)、MOS 开关管以及各类辅助元件??刂?IC 内置有高精度的电压和电流检测电路,能够实时监测电池的电压和电流变化情况。MOS 开关管则与控制 IC 协同工作,充当执行元件的角色,依据控制 IC 发出的指令,精准控制电路的通断,实现对电路状态的有效调节。辅助元件涵盖了电阻、电容、熔断保险丝等多种类型,它们与前两者紧密配合,共同完成复杂的电池?;すδ?。目前,移动电源的电池?;すδ苤饕枪涞绫;?、过放电?;ぁ⒐缌鞅;ぁ⒍搪繁;ひ约肮卤;さ榷喔龇矫?。MOS 管凭借其独特的电压控制特性,在这一过程中发挥着至关重要的作用。它与控制 IC 相互协作,实时监测电池电压的升降变化以及电流是否出现过流状况。一旦监测到异常情况,MOS 管便迅速响应控制 IC 的信号,通过通断电路的操作,及时切断故障电路,从而实现对电池的有效?;?,避免电池因异常状况而受损,确保移动电源的安全使用。


以过充电?;の钡绯亟咏渎刺?,控制 IC 会精准检测到电池的电压值。一旦电压达到预先设定的阈值,控制 IC 便会立即发出信号,指令 MOS 管停止导通,实现截止状态。在实际电路设计中,MOS 管通常被串联在充电回路之中,或者作为充电开关来运用,以此精准控制充电过程,防止电池因过充电而引发的安全隐患。
〈烜芯微/XXW〉专业制造二极管,三极管,MOS管,桥堆等,20年,工厂直销省20%,上万家电路电器生产企业选用,专业的工程师帮您稳定好每一批产品,如果您有遇到什么需要帮助解决的,可以直接联系下方的联系号码或加QQ/微信,由我们的销售经理给您精准的报价以及产品介绍
MOS管选型
为了实现过充保护的功能,选择MOS管需要多方面考虑。首先需要考虑封装大小,需要是配合内部布局;其次考虑其耐压能力、导通电阻、开关速度等参数。不同类型的MOS管的应用场景不同。比如较为常用的NMOS用在高频应用,而PMOS通常用在低端的开关,而在选择MOS管类型,除了考虑以上的重要参数外,还要考虑应用场景和成本因素。
推荐以下级款型号

联系号码:18923864027(同微信)
QQ:709211280