1.2 什么是开关稳压器?


开关稳压器,英文(regulatior),或称调节器、稳压源,是用于稳定电压的电子设备。它的实现需要一个控制系统,也就是负反馈。当电压上升时,通过负反馈使其降低;当电压下降时,通过负反馈使其升高。这样就形成了一个自动控制的环路。在图中,方框图展示了 PWM(脉宽控制方式),除此之外,还有其他控制方式,如 PFM(频率控制方式)和移相控制方式等。
1.3 脉宽调试方式(PWM)
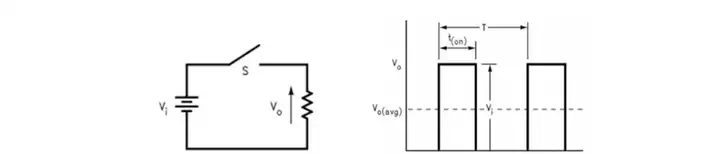
1.3.1 周期性的改变开关的导通与关断时间的简单方法


占空比是指开关在开通状态下的时间与整个开关周期的时间之比,即 ton / T,ton(开通时间) + toff(关断时间) = T(开关周期)。然而,我们不能仅依靠一个脉冲来实现能量的平稳流动。为了实现平稳的电压,我们需要通过许多高频脉冲来切换开关,从而在开关接通期间存储能量,并在开关切断时释放这些能量。这种方法可以确保能量的平稳流动,避免电压波动。
1.3.2 在电子行业中有两种主要储能器件


1.4 案例:简化的降压开关电源


上图展示了一个简化的降压开关电源的电路图,为了便于对电路进行分析,我们暂时不考虑反馈控制部分。
状态1,当S1闭合时,输入能量从电容C1传递,通过S1、电感器L1、电容C2和负载RL进行供电。同时,电感器L1也开始储存能量。在这个过程中,加在L1上的电压可以表示为Vin-Vo=L*di/dton。
状态2,当S2断开时,能量不再从输入端获取,而是通过续流回路,从电感器L1储存的能量传递到电容C2、负载RL和二极管D1。此时,可以得到L*di/dtoff= Vo的表达式。最终,我们可以得出Vo/Vin=D的关系,其中D为占空比,永远小于等于1。由于D的值永远小于1,因此Vo永远小于Vin。
以下是各个器件的详细作用解释:
输入电容器(C1):输入电容器的主要作用是使输入电压平稳。它能够吸收或释放电荷,从而平滑输入电压的波动,使得输入电压保持稳定,为后续电路提供稳定的能量输入。
输出电容器(C2):输出电容器的主要作用是使输出电压平稳。在开关电源中,输出电压往往会因为负载的变化而产生波动,输出电容器能够吸收这些波动,从而保持输出电压的稳定,保证负载的正常工作。
续流二极管(D1):续流二极管的作用是在开关开路时为电感器提供一条电流通路。当开关断开时,电感器中的电流会因为找不到通路而产生很高的反电动势,这个反电动势可能会损坏电路中的器件。续流二极管的导通可以消除这个反电动势,为电感器提供一条电流通路,?;さ缏分械钠骷皇芩鸹?。
电感器(L1):电感器的主要作用是用于存储即将传送至负载的能量。电感器能够以磁场的形式存储能量,当电流通过电感器时,磁场会发生变化,从而将电能转化为磁能存储起来。当电流断开时,磁场会发生变化,将磁能转化为电能,从而向负载输出能量。电感器在这个过程中起到了能量的存储和释放的作用。
通过上述解释,我们可以清楚地了解各个器件在开关电源中的重要作用和它们的工作原理。
〈烜芯微/XXW〉专业制造二极管,三极管,MOS管,桥堆等,20年,工厂直销省20%,上万家电路电器生产企业选用,专业的工程师帮您稳定好每一批产品,如果您有遇到什么需要帮助解决的,可以直接联系下方的联系号码或加QQ/微信,由我们的销售经理给您精准的报价以及产品介绍
〈烜芯微/XXW〉专业制造二极管,三极管,MOS管,桥堆等,20年,工厂直销省20%,上万家电路电器生产企业选用,专业的工程师帮您稳定好每一批产品,如果您有遇到什么需要帮助解决的,可以直接联系下方的联系号码或加QQ/微信,由我们的销售经理给您精准的报价以及产品介绍
联系号码:18923864027(同微信)
QQ:709211280