电池管理系统(BMS)是一种能够对电池进行监控和管理的电子装备,是电池与用户之间的纽带。锂池管理系统的主要功能是实现电池单元的智能化管理及维护,通过状态监测、异常故障?;さ壤醇喙艿绯刈刺?。
其中,MOSFET对锂电池板的?;ぷ饔梅浅4?,MOS管的主要作用是检测过充电、充放电时过电电流、短路时过电电流等,NMOS产品被广泛应用于电池管理系统中。NMOS可作为电池组的主开关,同时,NMOS类型也通过电荷泵用于高端开关。在电池管理系统中,通?;崂肕OSFET的开关特性去控制电池对外供电主回路的切断和闭合,在一些不间断电源的场景上,需要电池管理系统在微控制器重启或者升级过程中,MOSFET的导通状态不发生变化,并维持原有的状态。#乐享周末分享吧#对于这么核心的电池管理系统中的电路设计中,为了使可充电电池更具备长使用寿命,正确的充电电路设计与电子元器件器件选择至关重要。


(BMS的?;すぷ髟恚?/div>
关于MOS
MOS管一般又叫场效应管,与二极管和三极管不同,二极管只能通过正向电流,反向截止,不能控制,三极管通俗讲就是小电流放大成受控的大电流,MOS管是小电压控制电流的。
在金属中,响应外加场的电子密度非常大,以至于外部电场只能穿透很短的距离进入材料。然而,在半导体中,可以响应外加场的较低密度的电子(可能还有空穴)足够小,以至于场可以穿透到材料中很远。
MOS管的主要作用是放大电信号,用于电子设备中的开关控制、电源管理、数据传输等方面。MOS管的原理是基于PN结的反向偏置效应,即当PN结处于反向偏置状态时,其电阻非常大,电流几乎为零。
mos管工作原理是能够控制源极和漏极之间的电压和电流。mos管是一种具有绝缘栅的FET,其中电压决定了器件的电导率。发明mos管是为了克服 FET中存在的缺点,如高漏极电阻、中等输入阻抗和较慢的操作。
工作原理:在MOSFET中,连接极与P沟道区域之间隔离,因此不会直接通过电流。连接极上的电压会影响N沟道区域的电流。当连接极的电压升高时,N沟道区域的电流会增加,电流就会从源极流入汇极。
bms怎么区分充放电mos
汽车一共有两个工作模式:放电,充电。其中充电再分为快充和慢充。确定工作模式的方式是,给BMS供电的到底是哪个24V电源,T15/快充/慢充 只有自检通过才允许上高压,也就是闭合对应的继电器。
BmS是通过内阻检测预充电流的,内阻分两种:一种是直流内阻,一般是以某一恒定的电流放电/充电10S/30S等时间,再依据电压变化除以电流值计算得出直流内阻值。
锂电池3mos就是电流,功率大校。锂电池保护板是对串联锂电池组的充放电?;?;在充满电时能保证各单体电池之间的电压差异小于设定值(一般±20mV),实现电池组各单体电池的均充,有效地改善了串联充电方式下的充电效果。


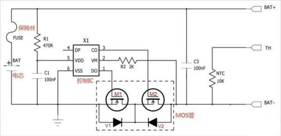
(一种基于bms的mos管并联驱动电路)
对于在电池中像大脑的BMS的电路设计是需要选择一款稳定、优质的MOS管来代换XXW4406A、XXW4406B这类型的型号使用的,使用好就是提升便携式设备产品的稳定性。
〈烜芯微/XXW〉专业制造二极管,三极管,MOS管,桥堆等,20年,工厂直销省20%,上万家电路电器生产企业选用,专业的工程师帮您稳定好每一批产品,如果您有遇到什么需要帮助解决的,可以直接联系下方的联系号码或加QQ/微信,由我们的销售经理给您精准的报价以及产品介绍
联系号码:18923864027(同微信)
QQ:709211280相关阅读