10N10场效应管,10N10参数10A 100V SOT-89,10N10中文资料
10N10场效应管参数,10N10规格书,10N10引脚图,10N10中文资料pdf代替
10N10场效应管参数,10N10规格书,10N10引脚图,10N10中文资料pdf代替

10N10 SOT-89封装参数:点击查看

10N10场效应管参数具体如下:
封装类型:SOT-89
极性:NPN
极性:NPN
漏极电流:10A
功率耗散:34.7W
反向传输电容Crss:37pF
栅极源极击穿电压:±20V
击穿电压:100V
存储温度:-55℃~+150℃
引脚数:3Pin
导通电阻ID=10A,VGS=10V:Typ 85mΩ Max 112mΩ
导通电阻ID=8A,VGS=4.5V:Typ 105mΩ Max 120mΩ
工作温度:-55℃~+150℃
安装类型:SMT
二、作用与应用
10N10场效应管的核心作用是作为电子开关使用。在电路中,它通过控制栅极电压来调节漏源路径上的电流流动,实现对负载的精确控制。由于其出色的电气性能,10N10广泛应用于以下领域:
电源管理:10N10可用于电源管理,如电源转换和电池?;ぁ?/div>
高保真放大器:在音频放大器中,10N10可以提供高保真的音质放大。
步进电机驱动器:适用于步进电机的驱动控制。
闪光灯驱动器:在闪光灯驱动器中,10N10可以控制闪光灯的亮度和电源管理。
汽车电子设备:10N10也适用于汽车电子设备中的电源管理和电机控制。
三、SOT-89封装特点
10N10采用SOT-89封装,这是一种功率封装形式,具有以下特点:
散热性能好:SOT-89封装具有良好的散热性能,适合高功率应用。
耐压高:SOT-89封装的10N10场效应管通常具有较高的耐压值,适合高压应用。
封装紧凑:SOT-89封装紧凑,适合空间受限的应用。
引脚布局:SOT-89封装通常有3个引脚,布局合理,便于焊接和连接。
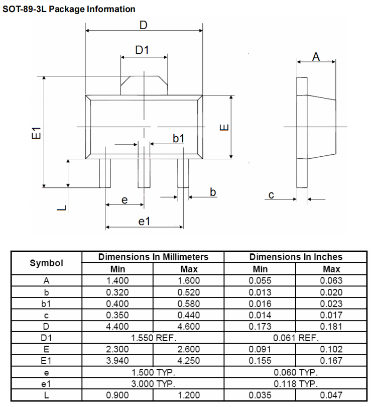
10N10场效应管/SOT-89封装尺寸:

〈烜芯微/XXW〉专业制造二极管,三极管,MOS管,桥堆等,20年,工厂直销省20%,上万家电路电器生产企业选用,专业的工程师帮您稳定好每一批产品,如果您有遇到什么需要帮助解决的,可以直接联系下方的联系号码或加QQ/微信,由我们的销售经理给您精准的报价以及产品介绍
联系号码:18923864027
QQ:709211280
相关阅读