6N03场效应管,6N03参数6A 30V SOT-89,6N03中文资料规格书
6N03场效应管参数,6N03规格书,6N03引脚图,6N03中文资料pdf代替


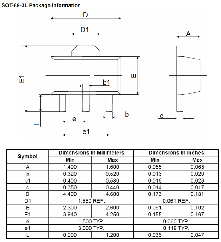
6N03 SOT-89封装参数:点击查看

封装类型:SOT-89
极性:NPN
漏极电流:6A
功率耗散:1.5W
反向传输电容Crss:65pF
栅极源极击穿电压:±20V
击穿电压:30V
存储温度:-55℃~+150℃
引脚数:3Pin
导通电阻ID=5A,VGS=10V:Typ 24mΩ Max 28mΩ
导通电阻ID=4A,VGS=4.5V:Typ 34mΩ Max 40mΩ
工作温度:-55℃~+150℃
安装类型:SMT
二、作用与应用
6N03场效应管的核心作用是作为电子开关使用。在电路中,它通过控制栅极电压来调节漏源路径上的电流流动,实现对负载的精确控制。由于其出色的电气性能,6N03广泛应用于以下领域:
电源管理:6N03可用于电源管理,如电源转换和电池?;ぁ?/div>
高保真放大器:在音频放大器中,6N03可以提供高保真的音质放大。
步进电机驱动器:适用于步进电机的驱动控制。
闪光灯驱动器:在闪光灯驱动器中,6N03可以控制闪光灯的亮度和电源管理。
汽车电子设备:6N03也适用于汽车电子设备中的电源管理和电机控制。
三、SOT-89封装特点
6N03采用SOT-89封装,这是一种功率封装形式,具有以下特点:
散热性能好:SOT-89封装具有良好的散热性能,适合高功率应用。
耐压高:SOT-89封装的6N03场效应管通常具有较高的耐压值,适合高压应用。
封装紧凑:SOT-89封装紧凑,适合空间受限的应用。
引脚布局:SOT-89封装通常有3个引脚,布局合理,便于焊接和连接。
6N03场效应管/SOT-89封装尺寸:

〈烜芯微/XXW〉专业制造二极管,三极管,MOS管,桥堆等,20年,工厂直销省20%,上万家电路电器生产企业选用,专业的工程师帮您稳定好每一批产品,如果您有遇到什么需要帮助解决的,可以直接联系下方的联系号码或加QQ/微信,由我们的销售经理给您精准的报价以及产品介绍
联系号码:18923864027
QQ:709211280
相关阅读