AO8810场效应管,AO8810芯片参数,AO8810中文资料引脚图
AO8810场效应管参数,AO8810芯片电流,AO8810引脚图,AO8810中文资料SOT23-6
AO8810场效应管参数,AO8810芯片电流,AO8810引脚图,AO8810中文资料SOT23-6

AO8810 SOT23-6封装参数:点击查看

AO8810场效应管参数具体如下:
封装类型:SOT23-6
极性:双N沟道
极性:双N沟道
漏极电流:7A
功率耗散:1.25W
反向传输电容Crss:100pF
栅极源极击穿电压:±10V
击穿电压:20V
开启电压(VGS(th)):0.5~1.2V
开启电压(VGS(th)):0.5~1.2V
存储温度:-55℃~+150℃
引脚数:6Pin
导通电阻ID=4.5A,VGS=4.5V:Typ 14mΩ Max 20mΩ
导通电阻ID=3.5A,VGS=2.5V:Typ 19mΩ Max 25mΩ
工作温度:-55℃~+150℃
安装类型:SMT
二、作用与应用
AO8810A场效应管的核心作用是作为电子开关使用。在电路中,它通过控制栅极电压来调节漏源路径上的电流流动,实现对负载的精确控制。由于其出色的电气性能,AO8810广泛应用于以下领域:
1.锂电池充电?;ぃ篈O8810常用于锂电池的充电?;さ缏罚繁5绯卦诔涞绻讨械陌踩臀榷ā?/div>
2.电源管理:在电源管理电路中,AO8810可以作为开关器件,控制电源的分配和转换,提高能效。
3.便携式设备:由于其小尺寸和低功耗特性,AO8810非常适合用于便携式设备中,如智能手机、平板电脑等。
4.负载开关:AO8810可以用作负载开关,控制电机和其他负载的启停,实现高效的能量管理。
三、封装特点
AO8810场效应管采用两种封装类型:
SOT23-6封装:图1展示了SOT23-6封装的外观,这种封装更适用于空间受限的应用,如移动设备和穿戴设备。

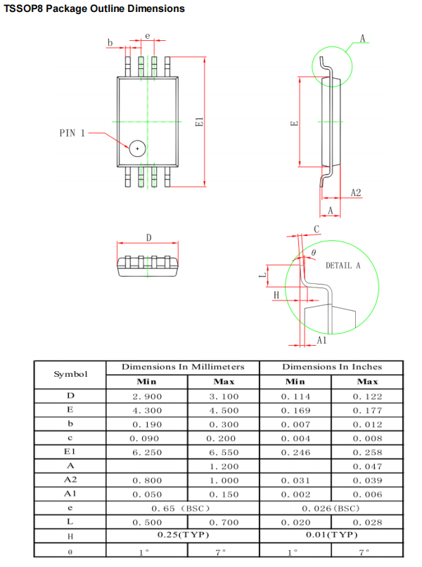
TSSOP8封装:图2展示了TSSOP8封装的外观,这种封装适用于需要较多引脚和较宽空间的应用场景。


TSSOP8封装:图2展示了TSSOP8封装的外观,这种封装适用于需要较多引脚和较宽空间的应用场景。

两种封装都因其小尺寸和高密度集成而适用于高密度PCB布局,同时保持了良好的热性能和电气性能。这种封装方式使得AO8810非常适合用于空间受限的应用。
〈烜芯微/XXW〉专业制造二极管,三极管,MOS管,桥堆等,20年,工厂直销省20%,上万家电路电器生产企业选用,专业的工程师帮您稳定好每一批产品,如果您有遇到什么需要帮助解决的,可以直接联系下方的联系号码或加QQ/微信,由我们的销售经理给您精准的报价以及产品介绍
〈烜芯微/XXW〉专业制造二极管,三极管,MOS管,桥堆等,20年,工厂直销省20%,上万家电路电器生产企业选用,专业的工程师帮您稳定好每一批产品,如果您有遇到什么需要帮助解决的,可以直接联系下方的联系号码或加QQ/微信,由我们的销售经理给您精准的报价以及产品介绍
联系号码:18923864027
QQ:709211280
相关阅读