60P03场效应管,-60A -30V,60P03参数资料,60P03引脚图,60P30封装为DFN3*3,60P03中文资料规格书PDF

60P03 DFN3*3参数封装:点击查看

60P03封装有DFN3*3/DFN5*6/TO-252/TO-220/TO-220F
极性:PNP
Drain-Source Voltage 漏源电压Vds:-30V
Gate-Source Voltage 栅源电压Vgs:±20V
Continuous Drain Current 漏极电流Id Tc=25℃:-60A
Continuous Drain Current 漏极电流Id Tc=100℃:-30A
Power Dissipation 功率损耗Pd:37W
Static Drain-Source On-Resistance 内阻ID=-30A,VGS=-10V:Typ:7.5mΩ Max 14mΩ
Junction and Storage Temperature Range 温度范围:-55~+150℃
60P03场效应管DFN3*3-8L封装尺寸:

60P03场效应管PDFN5*6-8L封装尺寸:

60P03场效应管DFN3*3-8L封装尺寸:

60P03场效应管PDFN5*6-8L封装尺寸:

60P03场效应管TO-252封装尺寸:

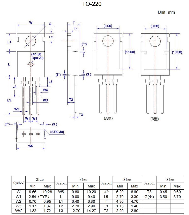
60P03场效应管TO-220封装尺寸:

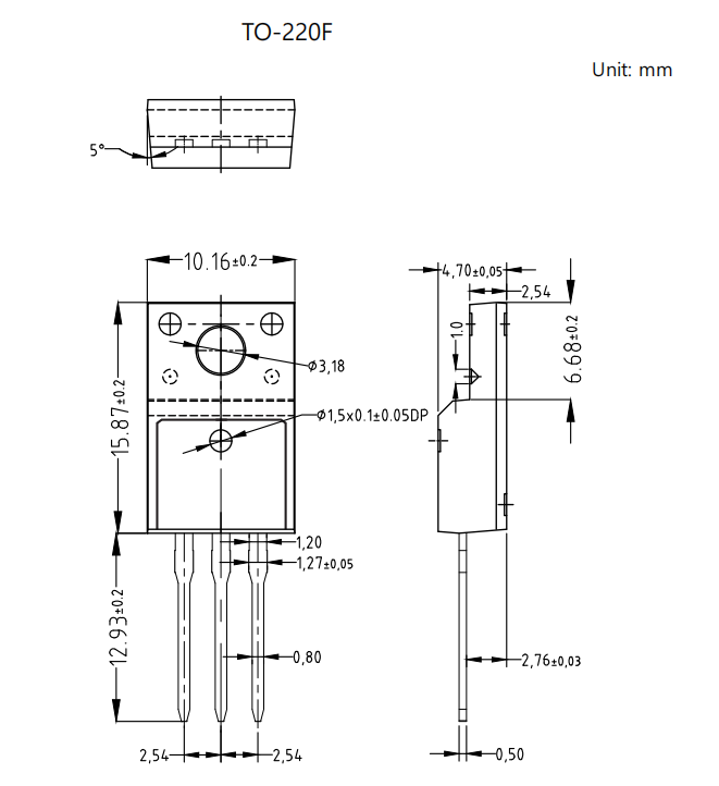
60P03场效应管TO-220F封装尺寸:

〈烜芯微/XXW〉专业制造二极管,三极管,MOS管,桥堆等,20年,工厂直销省20%,上万家电路电器生产企业选用,专业的工程师帮您稳定好每一批产品,如果您有遇到什么需要帮助解决的,可以直接联系下方的联系号码或加QQ/微信,由我们的销售经理给您精准的报价以及产品介绍
联系号码:18923864027(同微信)
QQ:709211280