MOS管常见的几种驱动电路设计(但不限于)以及如何选择合适的驱动电路设计来驱动MOS管。
MOS管有着导通内阻低,开关速度快等优势,被广泛应用在开关电源中。因此对于一个MOS管来说,其驱动电路的设计就显得十分关键。
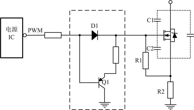
电源IC驱动电路
一种常见的MOS管驱动电路设计。它使用集成的电源IC作为驱动芯片,通过提供恰当的电源电压和电流来控制MOS管的开关状态。这种设计具有简单、可靠的特点,并且能够提供稳定的驱动信号。

推挽驱动电路
也是一种常见的MOS管驱动电路设计。它由两个反向并联的驱动器组成,一个驱动器用于将MOS管的栅极驱至高电平,另一个驱动器用于将MOS管的栅极驱至低电平。通过交替地控制两个驱动器,推挽驱动电路能够实现对MOS管的正向和反向驱动,从而实现信号的放大和输出。

半桥驱动电路
特别适用于驱动两个串联的MOS管。它由两个驱动器组成,一个驱动器用于控制上面的MOS管,另一个驱动器用于控制下面的MOS管。通过交替地控制两个驱动器,半桥驱动电路能够实现对两个MOS管的正向和反向驱动,从而实现信号的放大和输出。

加速关断驱动电路
用于提高MOS管的关断速度。它通过在MOS管的关断过程中施加一个高电压脉冲,使MOS管迅速关断,从而减少开关过程中的功率损耗和热量产生。
如何选择合适的驱动电路设计来驱动MOS管 ?
1. 驱动电流要足够大:足够的驱动电流使MOSFET栅源极间电压迅速上升到所需水平,能够保证 MOS 管的快速开通,从而提高电路的工作效率。
2.驱动电压要适中:过高的驱动电压可能会导致 MOS 管的栅极电压过冲,从而影响其寿命。
3.输出阻抗要低:低的输出阻抗能够保证驱动电路的输出电压稳定,从而提高 MOS 管的开关性能。
以上部分资料来源于网络。实际应用须根据具体情况进行分析。
〈烜芯微/XXW〉专业制造二极管,三极管,MOS管,桥堆等,20年,工厂直销省20%,上万家电路电器生产企业选用,专业的工程师帮您稳定好每一批产品,如果您有遇到什么需要帮助解决的,可以直接联系下方的联系号码或加QQ/微信,由我们的销售经理给您精准的报价以及产品介绍
联系号码:18923864027(同微信)
QQ:709211280