我们知道MOS管并联均流使用,原因是MOS管的电流特性比较稳定,并且在并联时可以通过电阻进行均流。
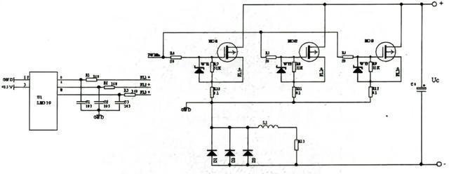
在使用MOS管进行功率放大时,一般为了增加输出功率,我们会将多个MOS管并联使用。
并联方法:将多个MOS管的栅极、源极、漏极分别连接在一起,从而形成一个并联电路。


3只MOS管并联试验
并联均流的工作分析
1)在MOS管并联均流电路设计中,每个MOS管的电流负载需要相等,确保电流在各个管子之间均匀分配;每个MOS管的驱动电路需要相同,保证一致的工作状态。
这种电路设计可以提高电路的可靠性和效率。
2)其次每个MOS管的阻值也应该相等,若其中一个管子的阻值较小,它将承担更多的电流,导致管子过热和故障。因此在设计电路中我们需要注意,尽量选择相同型号的MOS管。
3)最后重点考虑MOS管的散热问题。每个MOS管会工作过程中承担一部分电流,因此它们之间都会产生一定的热量。如果其中一个MOS管分担了相对较多的电流,它发热会更厉害,导致长期隐患。
如果散热不良,或者环境条件不佳,它们可能会因为过热导致损坏。我们可以通过采取散热片、风扇等外在条件进行改善。
当然,选择质量好的MOS管也是十分重要的,在这里可以推荐烜芯微的MOS管产品,能较高匹配适应电路设计中的各种需求。
烜芯微的MOS管在电路设计中的优点:
1、开关速度快,驱动功率??;
2、体积小、重量轻、寿命长;
3、噪声小,输入电阻高,热稳定性好,抗干扰能力较强,功耗较低。

〈烜芯微/XXW〉专业制造二极管,三极管,MOS管,桥堆等,20年,工厂直销省20%,上万家电路电器生产企业选用,专业的工程师帮您稳定好每一批产品,如果您有遇到什么需要帮助解决的,可以直接联系下方的联系号码或加QQ/微信,由我们的销售经理给您精准的报价以及产品介绍

〈烜芯微/XXW〉专业制造二极管,三极管,MOS管,桥堆等,20年,工厂直销省20%,上万家电路电器生产企业选用,专业的工程师帮您稳定好每一批产品,如果您有遇到什么需要帮助解决的,可以直接联系下方的联系号码或加QQ/微信,由我们的销售经理给您精准的报价以及产品介绍
联系号码:18923864027(同微信)
QQ:709211280