当MOS管驱动能力不足时,我们会使用推挽电路来放大电流,但是MOS管明明是压控型器件,为什么要去考虑电流大小呢?

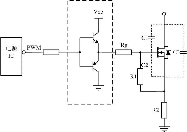
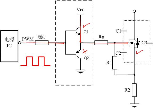
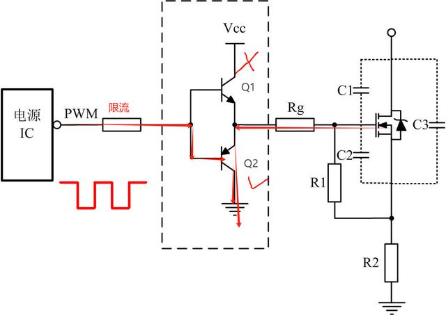
推挽工作原理:由电源IC发出占空比信号,也就是这个方波,通过电阻限流到达三极管的基极:上管是npn下管是pnp。
当信号为高电平输出到达三极管基极时,Q1导通,(npn在高电平时导通),随后MOS管导通。


当输出低电平时,上管Q1截止,Q2导通(pnp是低电平导通),随后MOS管通过电阻放电到地,最后截止。


也就是说,通过两个三极管轮流工作来进行一推一挽,来达到推挽的功能。
这里的R1的作用是用来确定开机时候的初始电位,以防开机误触发mos管,以及关机放电。
那R2呢?有没有小伙伴知道的在评论区解答一下~
通?;崾褂猛仆斓缏肥且蛭?,有时一些IC或者CPU的电流比较小,不足以驱动MOS管,所以加入推挽来增加驱动能力。
那为什么MOS管是压控性器件,还需要考虑电流大小进行驱动?
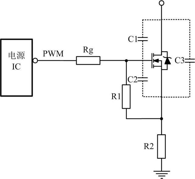
这是一个IC直接驱动电路:

首先需要从IC手册中了解它最大的峰值驱动电流(不同IC芯片驱动能力不同),C1、C2决定了MOS管被驱动时 的导通速度。
当IC电流比较小时,C1 C2会比较大,这时MOS管的驱动速度会变慢,在有些电路中是不适应的。
原因很简单,这是因为MOS管的输入电容CGS和CGD这两个电容和芯片的面积有一定关系,MOS管本质上虽然是压控型器件,但栅极电位的上升与下降本质上是对CGS、CGD电容的充放电速度。

因此当MOS管驱动能力不足时,就需要利用推挽来进行放大电流了。
〈烜芯微/XXW〉专业制造二极管,三极管,MOS管,桥堆等,20年,工厂直销省20%,上万家电路电器生产企业选用,专业的工程师帮您稳定好每一批产品,如果您有遇到什么需要帮助解决的,可以直接联系下方的联系号码或加QQ/微信,由我们的销售经理给您精准的报价以及产品介绍
联系号码:18923864027(同微信)
QQ:709211280