一、整流器
整流器是一种将交流电(AC)转换为直流电(DC)的电气设备,这一过程称为整流。整流器有许多用途,包括作为电源的组件和无线电信号的调幅检测器(包络检测器)。整流器通常使用固态二极管制造,但当涉及非常高的电压或电流时,可以使用其他类型的组件。当仅使用单个二极管来整流交流电时(通过阻挡波形的负或正部分),术语二极管和术语整流器之间的区别只是用途之一。术语整流器描述了用于将交流电转换为直流电的二极管。大多数整流器电路都包含许多特定排列的二极管,与仅使用单个二极管相比,可以更有效地将交流电转换为直流电。
1.1 半波整流
在半波整流中,交流波的正半部分或负半部分通过,而另一半则被阻断。由于只有一半的输入波形到达输出,因此如果用于功率传输,其效率仅为 50%。如图6.1所示,在单相电源中使用单个二极管,或在三相电源中使用三个二极管,可以实现半波整流。

图 6.1 使用一个二极管的半波整流器
在给定正弦输入的情况下,半波整流器的输出直流电压可以用以下理想公式计算:

1.2 全波整流
全波整流器将输入波形的正负两半转换为其输出端的单极性(正极或负极)。通过使用交流波形的两半,全波整流比半波更有效。
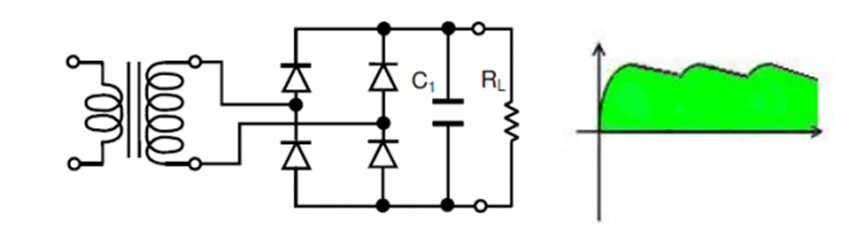
当使用没有中心抽头次级的简单变压器时,需要四个二极管,而不是半波整流所需的一个二极管。以这种方式排列的四个二极管称为二极管桥或桥式整流器,如图 6.2 所示。桥式整流器还可用于将未知或任意极性的直流输入转换为已知极性的输出。在电子电话或其他电话设备中,两条电话线上的直流极性未知,通常需要这样做。此外,还可用于防止电池供电电路中的电池意外反转。

图 6.2 桥式整流器:使用 4 个二极管的全波整流器
对于单相交流电,如果变压器是中心抽头,则两个背靠背的二极管(即阳极对阳极或阴极对阴极)可以形成一个全波整流器。与上述桥式整流器相比,变压器次级需要两倍的绕组才能获得相同的输出电压。从变压器的角度来看,效率不高,因为在交流输入的每个正负半周期中,电流仅流过次级的一半。

图 6.3 使用中心抽头变压器和 2 个二极管的全波整流器
如图6.4所示,如果包含第二对二极管,则可以产生相对于变压器中心抽头的正极性和负极性电压。从图6.2中可以看出,这种布置与在全波桥式整流器中的次级绕组上增加一个中心抽头相同。

图 6.4 使用中心抽头变压器和 4 个二极管的双极性全波整流器
1.3 整流器输出平滑
半波或全波整流不会产生恒压直流电,正如我们在前面的图中看到的那样。为了从整流交流电源产生稳定的直流电压,需要滤波器或平滑电路。在最简单的形式中,这可能只是一个电容器,放置在整流器的直流输出端。在电压未完全平滑的情况下,仍将保留一定量的交流纹波电压。剩余纹波的幅度取决于负载在波形峰值之间对电容器放电的程度。

图 6.5(a)半波整流器 RC 滤波器

图 6.5(b)全波整流器 RC 滤波器
滤波电容器的尺寸,C1,表示权衡。对于给定的负载,RL,较大的电容器将降低纹波,但成本更高,并且会在变压器次级和为其供电的电源中产生更高的峰值电流。在极端情况下,许多整流器被加载到配电电路上,配电网可能难以保持正确形状的正弦电压波形。
对于给定的容许纹波,所需的电容尺寸与负载电流成正比,与电源频率和整流器每个输入周期的输出峰值数成反比。负载电流和电源频率通常不受整流器系统设计人员的控制,但每个输入周期的峰值数可能会受到整流器设计的选择的影响。全波整流器电路的最大纹波电压不仅由平滑电容器的值决定,还由频率和负载电流决定,计算公式为:

其中:
V脉动是直流输出
I 上的最大纹波电压负荷是直流负载电流
,F是纹波的频率(一般是交流频率的2倍),
C是平滑电容
半波整流器,图6.5(a)每个周期只能给出一个峰值,由于这个原因和其他原因,它只用于非常小的电源,并且需要考虑成本和复杂性。图6.5(b)所示的全波整流器每个周期实现两个峰值,这是单相输入所能达到的最佳峰值。对于三相输入,三相电桥每个周期将产生六个峰值,通过使用放置在整流器之前的变压器网络转换为更高的相序,可以实现更高的峰值数量。
为了进一步降低这种纹波,可以使用如图6.6所示的LC π滤波器(pi滤波器)。这补充了储能电容器 C1,带串联电感器,L1和第二个滤波电容 C2这样就可以在最终滤波电容器的端子上获得更稳定的直流输出。串联电感器在纹波电流频率下具有高阻抗。

图 6.6 LC π滤波器(pi 滤波器)
滤波器的更常用替代方案,如果直流负载需要非常平滑的电源电压,则是必不可少的,方法是在滤波电容器后面安装稳压器,我们将在第 6.3 节中讨论。滤波电容需要足够大,以防止纹波谷低于所用稳压器的压差电压。稳压器既可以消除最后的纹波,也可以处理电源和负载特性的变化。可以使用较小的滤波电容(对于大电流电源来说可能很大),然后应用一些滤波和稳压器,但这不是常见的设计策略。这种方法的极端做法是完全省去滤波电容,将整流后的波形直接放入电感输入滤波器中。该电路的优点是电流波形更平滑,因此整流器不再需要在输入正弦波的峰值处将电流作为大电流脉冲处理,而是将电流传输分散在更多的周期中。缺点是电压输出要低得多 - 大约是交流半周期的平均值,而不是峰值。
〈烜芯微/XXW〉专业制造二极管,三极管,MOS管,桥堆等,20年,工厂直销省20%,上万家电路电器生产企业选用,专业的工程师帮您稳定好每一批产品,如果您有遇到什么需要帮助解决的,可以直接联系下方的联系号码或加QQ/微信,由我们的销售经理给您精准的报价以及产品介绍
联系号码:18923864027(同微信)
QQ:709211280