CMOS集成电路是互补型金属氧化物半导体电路(ComplementaryMetal-Oxide-Semiconductor)的英文字头缩写,它由绝缘场效应晶体管组成,由于只有一种载流子,因而是一种单极型晶体管集成电路;所以在应用过程中,不可避免地要遇到不同类别的器件间相互连接问题。当各器件的逻辑电平互不一致,不能正确接受和传递信息时,就要使用接口电路。本文介绍了两类的接口电路设计。
这里主要介绍两类接口。
一、CMOS集成电路驱动其它器件
1.CMOS-TTL集成电路的接口
由于TTL的低电平输入电流1.6mA,而CMOS的低电平输出电流只有1.5mA,因而一般都得加一个接口电路。这里介绍一种采用单电源的接口电路。在图1中,门II起接口电路的作用,是CMOS集成电路缓冲/电平变换器,起缓冲驱动或逻辑电平变换的作用,具有较强的吸收电流的能力,可直接驱动TTL集成电路,因而连接简便。但是,使用时需要注意相位问题。电路中CC4049是六反相缓冲/变换器,而CC4050是六同相缓冲/变换器。


图1CMOS-TTL集成电路接口
2.CMOS-HTL集成电路的接口
HTL集成电路是标准的工业集成电路,具有较高的抗干扰性能。由于CMOS集成电路的工作电压很宽,因而可与HTL集成电路共用+15V电源。此时,两者之间的VOH、VOL及IIH、IIL均互相满足,不必另设接口电路,直接相连即可,连接电路见图2。


图2CMOS-HTL集成电路接口
3.CMOS-ECL集成电路的接口
ECL集成电路是一种非饱和型的数字逻辑电路。其工作速度居所有逻辑电路之首。ECL采用负电源供电。CMOS集成电路驱动ECL集成电路可使用单电源工作,如图3所示。ECL集成电路加-5.2V工作电压,CMOS的VDD接地,VSS接至-5.2V。以ECL集成电路CE10102为例,(CE10102内部包括4个2输入或非门),流入ECL的输入高电平电流IIH为265uA,输入高电平电压VIH为-1.105V,在单电源下CMOS电路可以满足ECL集成电路的输入需要。


图3CMOS-ECL集成电路接口
4.CMOS-NMOS集成电路的接口
NMOS集成电路是N沟道MOS电路,NMOS集成电路的输入阻抗很高,基本上不需要吸收电流,因此,CMOS与NMOS集成电路连接时不必考虑电流的负载问题。
NMOS集成电路大多采用单组正电源供电,并且以5V为多。CMOS集成电路只要选用与NMOS集成电路相同的电源,就可与NMOS集成电路直接连接。不过,从NMOS到CMOS直接连接时,由于NMOS输出的高电平低于CMOS集成电路的输入高电平,因而需要使用一个(电位)上拉电阻R,如图4所示,R的取值一般选用2~100KΩ。


图4CMOS-NMOS集成电路接口
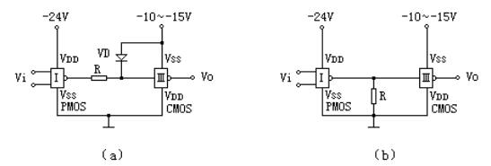
5.CMOS-PMOS集成电路的接口
PMOS集成电路是一种适合在低速、低频领域内应用的器件。PMOS集成电路采用-24V电压供电。如图5所示的CMOS-PMOS接口电路采用两种电源供电采用直接接口方式,一般CMOS的电源电压选择在10~12V就能满足PMOS对输入电平的要求。


图5CMOS-PMOS集成电路接口
6.CMOS-工业控制电路的接口
工业控制电路是工业控制系统中常用的电路,多采用24V工作电压。图6示出了CMOS电路与工业控制电路的连接方法。图中R1是晶体三极管VT的基极偏流电阻,VT的作用是把CMOS电路较低的逻辑高电平拉到24V,使两者构成良好的连接。


图6CMOS-工业控制电路接口
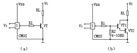
7.CMOS-晶体三极管VT的接口
图7a是CMOS集成电路驱动晶体三极管的接口。晶体三极管VT采用共发射极形式连接R1是VT的负载电阻,R1是VT的基极偏流电阻,R1的大小由公式R1=(VOH-VBH)β/IL决定。式中IL为负载电流。使用时应先根据VL和IL来选定VC,然后估算IB(IB=IL/β)是否在CMOS集成电路的驱动能力之内。如超出,可换用β值更高的晶体三极管或达林顿管,如图7b所示。晶体三极管VT按IL选定,IB=IL/(β1*β2),电阻R1的取值为:R1=(VOH-1.4)/(IB+1.4/R2),式中R2是为改善电路的开关特性而引入的,其值一般取为4?10KΩ。


图7CMOS-晶体三极管VT接口
8.CMOS-发光二极管LED的接口
发光二极管(LED)具有高可靠性、低功耗、长寿命等多项重要特性。是与CMOS集成电路配合使用的最佳终端显示器件之一。发光效率较高的LED可由CMOS集成电路直接驱动,特别当VDD=10~18V时,绝大多数的LED能够有足够的亮度。应当说明,用CMOS集成电路驱动LED应串入限流电阻,因为当VDD=10V时,其输出短路电流可达20mA左右,若不加适当的限流?;?,极易导致LED或CMOS集成电路损坏。图8a是CMOS集成电路输出低电平点亮LED的电路,电阻R可通过公式:R=(VDD-VOL-VLED)/ILED求出。图8b是CMOS集成电路输出高电平点亮LED的电路,电阻R的数值通过公式:R=(VOH-VLED)/ILED求出。式中VLED和分别是LED的工作电压和工作电流。


图8CMOS-发光二极管LED接口
如果在低电源电压下工作的CMOS集成电路要驱动LED,或者使用负载能力较差的COOO系列CMOS集成电路驱动LED,均可能难以使LED发出足够明亮的光。解决办法是加一级晶体管驱动电路,以获得足够的驱动能力。
9.CMOS-可控硅VS的接口
一般中、小功率可控硅的触发电流约在10mA以下,故多数CMOS集成电路能够直接驱动可控硅。具体电路如图9所示。若需要更大的驱动电流,可改为CMOS缓冲器(例如CC4041)或缓冲/驱动器(例如CC40107),也可加一级晶体三极管电路。


图9CMOS-可控硅VS接口
二、其它器件驱动CMOS集成电路
1.TTL-CMOS集成电路的接口
利用集电极开路的TTL门电路可以方便灵活地实现TTL与CMOS集成电路的连接,其电路如图10所示。图1中的RL是TTL集电极开路门的负载电阻,一般取值为几百Ω到几MΩ。RL取较大值便于减小集电极开路门的功耗,但在一定程度上影响电路的工作速度。一般情况下,RL可取值47?220KΩ;中速、高速工作场合取20KΩ以下较为合适。


图10TTL-CMOS集成电路接口
2.ECL-CMOS集成电路的接口
ECL集成电路驱动CMOS集成电路的连接方法如图11所示。它利用MC1024(ECL)的输出去驱动晶体三极管VT,再由VT去驱动CMOS集成电路。当MC1024的两个输入端都是-8V时,VT截止;若两个输入中的一个为-1.6V,在两个输出之间就有1.6V的电压,既可驱动晶体管VT。


图11ECL-CMOS集成电路接口
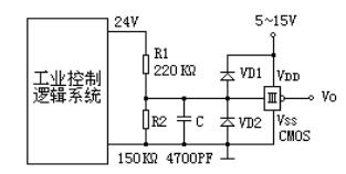
3.工业控制电路-CMOS集成电路的接口
图12所示接口电路,是利用分压电阻R1、R2将24V工业控制电路与CMOS集成电路连接。滤波电容C提高了CMOS集成电路的抗干扰能力,两个箝位二极管VD1、VD2用来保证输入信号被控制在VDD和VSS之间。


图12工业控制电路-CMOS集成电路接口
4.NMOS-CMOS集成电路的接口
NMOS集成电路驱动CMOS集成电路的接口比较简单。图13为其中的一种电路。实际使用时只考虑当晶体三极管VT截止时,它的集电极电压符合CMOS集成电路的输入高平电压这一条件。图中RC的取值可在2~10K范围内。由于VT的饱和压降一般都比教小,都能符合CMOS输入逻辑低电平的要求。


图13NMOS-CMOS集成电路接口
5.机械开关触点-CMOS集成电路的接口
许多电子设备都要通过拨盘开关、按扭、板键、钮子开关和继电器等与外界的传感器或人工操作设备发生联系,但由于这些开关的触点都是机械的,所以在通断过程中出现瞬间抖动,这些抖动输入到CMOS集成电路中,就会干扰正常的逻辑关系。因此,在这类场合应用,需要设置防抖动接口。图14所示电路采用CMOS与非门来构成的R-S触发器防抖动接口。


图14机械开关触点-CMOS集成电路接口
6.HTL-CMOS集成电路的接口
HTL集成电路的电源电压为15V,其输出高电平VOH和输出低电平电压VOL完全适合于驱动VDD=15V的CMOS集成电路,因此两者之间不需另设接口电路,直接连接既可,电源电压也可通用,如图15所示。


图15HTL-CMOS集成电路接口
7.PMOS-CMOS集成电路的接口
如图16所示的PMOS-CMOS集成电路的接口电路采用两种电源供电。这样连接后,尽管PMOS集成电路的输出电平对自身的VSS端来讲仍为负值,但对CMOS集成电路的VSS端而言却变成正值、或零、或略低于零。例如当CMOS用12V电源时,其输入电平为VIH=10V、VIL=0V,完全适合接口的需要。图16a中R取值应使CMOS输入电流不大于50uA;图16b中取值应使PMOS的VOL为-9.5~-10V。


图16PMOS-CMOS集成电路接口
8.HCMOS-CMOS集成电路的接口
这种情况通常较少遇见。由于两者均是CMOS器件,故接口很容易,在CMOS与HCMOS同用一组电源时,直接连接便可。
9.运算放大器-CMOS集成电路的接口
由于运算放大器电路采用±15V双电源供电的较多,其输出电压最大可达±13V左右。对于CMOS集成电路来讲,输入信号不能超过电源电压,因此需在CMOS的输入端设置负向钳位二极管予以?;ぁ4送?,如果CMOS的电源电压低于13V,则还应设置正向钳位二极管,用以防止CMOS的输入电路被超过VDD较多的输入正向电压而烧坏??悸且陨狭礁鲆蛩?,我们可以得到如图17a所示的运算放大器驱动CMOS的接口电路。图中R1的作用是限制运算放大器的输入电流,避免器件因过流而损坏;VD1和VD2分别为正向和负向输入钳位二极管。


图17运算放大器-CMOS集成电路接口
对于采用单电源供电的运算放大器,因其输出对地无负向成分,故CMOS的输入负向钳位二极管可不设。如果运算放大器与CMOS同用一组电源,则正向钳位二极管也可以省去。这样两者就可直接连接,如图17b所示。应注意,有的运算放大器不宜或不能在较低的电源电压下工作,倘若运算放大器的电源电压高于CMOS的电源电压,就仍需设置正向钳位二极管和限流电阻。
以上就是CMOS集成电路的接口电路设计介绍了,主要是CMOS集成电路驱动其它器件的接口设计和其它器件驱动CMOS集成电路的接口设计。由于CMOS集成电路中的基本器件是MOS晶体管,属于多数载流子导电器件。各种射线、辐射对其导电性能的影响都有限,因而特别适用于制作航天及核实验设备。
〈烜芯微/XXW〉专业制造二极管,三极管,MOS管,桥堆等,20年,工厂直销省20%,上万家电路电器生产企业选用,专业的工程师帮您稳定好每一批产品,如果您有遇到什么需要帮助解决的,可以直接联系下方的联系号码或加QQ/微信,由我们的销售经理给您精准的报价以及产品介绍
联系号码:18923864027(同微信)
QQ:709211280