二极管最流行的应用是整流。简单定义,整流是将交流电(AC)转换为直流电(DC)。这涉及一种仅允许电荷单向流动的装置,最简单的整流电路是半波整流器,它只允许交流波形的一半通过到负载。整流电路的作用是将交流降压电路输出的电压较低的交流电转换成单向脉动性直流电,这就是交流电的整流过程,整流电路主要由整流二极管组成。经过整流电路之后的电压已经不是交流电压,而是一种含有直流电压和交流电压的混合电压。习惯上称单向脉动性直流电压。下面小编为大家介绍几种由二极管组成的整流电路:
1.半波整流电路
半波整流电路见图1。其中B1是电源变压器,D1是整流二极管,R1是负载。B1次级是一个方向和大小随时间变化的正弦波电压,波形如图2(a)所示。0~π期间是这个电压的正半周,这时B1次级上端为正下端为负,二极管D1正向导通,电源电压加到负载R1上,负载R1中有电流通过;π~2π期间是这个电压的负半周,这时B1次级上端为负下端为正,二极管D1反向截止,没有电压加到负载R1上,负载R1中没有电流通过。在2π~3π、3π~4π等后续周期中重复上述过程,这样电源负半周的波形被“削”掉,得到一个单一方向的电压,波形如图2(b)所示。由于这样得到的电压波形大小还是随时间变化,被称为脉动直流。


图1半波整流电路图


图2半波整流波形图
设B1次级电压为E,理想状态下负载R1两端的电压可用下面的公式求出:


整流二极管D1承受的反向峰值电压为:


由于半波整流电路只利用电源的正半周,电源的利用效率非常低,所以半波整流电路仅在高电压、小电流等少数情况下使用,一般电源电路中很少使用。
2.全波整流电路
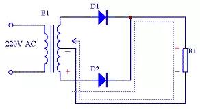
由于半波整流电路的效率较低,于是人们很自然的想到将电源的负半周也利用起来,这样就有了全波整流电路。全波整流电路图见图3。相对半波整流电路,全波整流电路多用了一个整流二极管D2,变压器B1的次级也增加了一个中心抽头。这个电路实质上是将两个半波整流电路组合到一起。在0~π期间B1次级上端为正下端为负,D1正向导通,电源电压加到R1上,R1两端的电压上端为正下端为负,其波形如图4(b)所示,其电流流向如图5所示;在π~2π期间B1次级上端为负下端为正,D2正向导通,电源电压加到R1上,R1两端的电压还是上端为正下端为负,其波形如图4(c)所示,其电流流向如图6所示。在2π~3π、3π~4π等后续周期中重复上述过程,这样电源正负两个半周的电压经过D1、D2整流后分别加到R1两端,R1上得到的电压总是上正下负,其波形如图4(d)所示。


图3全波整流电路图


图4全波整流波形图


图5全波整流电路原理分析1


图6全波整流电路原理分析2
设B1次级电压为E,理想状态下负载R1两端的电压可用下面的公式求出:


整流二极管D1和D2承受的反向峰值电压为:


全波整流电路每个整流二极管上流过的电流只是负载电流的一半,比半波整流小一倍。
3.桥式整流电路
由于全波整流电路需要特制的变压器,制作起来比较麻烦,于是出现了一种桥式整流电路。这种整流电路使用普通的变压器,但是比全波整流多用了两个整流二极管。由于四个整流二极管连接成电桥形式,所以称这种整流电路为桥式整流电路,如图7所示。


图7桥式整流电路图
由图8可以看出在电源正半周时,B1次级上端为正,下端为负,整流二极管D4和D2导通,电流由变压器B1次级上端经过D4、R1、D2回到变压器B1次级下端;由图9可以看出在电源负半周时,B1次级下端为正,上端为负,整流二极管D1和D3导通,电流由变压器B1次级下端经过D1、R1、D3回到变压器B1次级上端。R1两端的电压始终是上正下负,其波形与全波整流时一致。


图8桥式整流原理原理分析1


图9桥式整流原理原理分析2
设B1次级电压为E,理想状态下负载R1两端的电压可用下面的公式求出:


整流二极管D1和D2承受的反向峰值电压为:


桥式整流电路每个整流二极管上流过的电流是负载电流的一半,与全波整流相同。
通常情况下桥式整流电路都简化成图10的形式。


图10桥式整流简化形成电路图
4.整流二极管选用
(1)选用整流二极管时,主要应考虑其最大整流电流、最大反向工作电流、截止频率及反向恢复时间等参数。
(2)普通串联稳压电源电路中使用的整流二极管,对截止频率的反向恢复时间要求不高,只要根据电路的要求选择最大整流电流和最大反向工作电流符合要求的整流二极管即可。例如,1N系列、2CZ系列、RLR系列等。
(3)开关稳压电源的整流电路及脉冲整流电路中使用的整流二极管,应选用工作频率较高、反向恢复时间较短的整流二极管(例如RU系列、EU系列、V系列、1SR系列等)或选择快恢复二极管。
5.关于二极管整流电路的常见问题
5.1什么是二极管整流电路?
二极管整流电路是电子设备中使用的关键电路之一。它们可用于开关模式电源和线性电源、RF信号解调、RF功率感测等等。
5.2整流电路中二极管的作用是什么?
二极管的特性是根据施加电压的方向,电流流动(正向)或电流不流动(反向)。这用于将交流(AC)电压转换为直流(DC)。
5.3二极管整流器的工作原理是什么?
整流器是一种通过使用一个或多个接触二极管将交流电(AC)转换为直流电(DC)的设备。二极管只允许一个方向的电流,二极管的这种独特特性使其可以通过将交流电转换为直流电源来充当整流器。
5.4二极管是整流器吗?
整流器是一种特殊类型的二极管,可将交流电(AC)转换为直流电(DC)。这是一个重要的过程,因为交流电能够周期性地反转方向,而直流电始终以单一方向流动,因此易于控制。
5.5二极管整流器的局限性是什么?
这种整流器很难找到次级绕组上的中心抽头。直流输出很小,因为使用每个二极管只利用了变压器次级电压的一半。当需要小电压整流时,不适合采用全波整流电路。
5.6二极管整流电路的目的是什么?
整流二极管的目的是在电源中用于将交流电(AC)转换为直流电(DC),这一过程称为整流。它们还用于需要大电流通过二极管的电路中的其他地方。
以上就是二极管整流电路工作原理图的介绍了。在此特别指出的是,二极管作为整流元件,要根据不同的整流方式和负载大小加以选择。如选择不当,则或者不能安全工作,甚至烧了管子;或者大材小用,造成浪费。另外,在高电压或大电流的情况下,如果手上没有承受高电压或整定大电滤的整流元件,可以把二极管串联或并联起来使用。
〈烜芯微/XXW〉专业制造二极管,三极管,MOS管,桥堆等,20年,工厂直销省20%,上万家电路电器生产企业选用,专业的工程师帮您稳定好每一批产品,如果您有遇到什么需要帮助解决的,可以直接联系下方的联系号码或加QQ/微信,由我们的销售经理给您精准的报价以及产品介绍
联系号码:18923864027(同微信)
QQ:709211280