小型肖特基二极管如何帮助最小化噪声,并了解这种技术何时以及如何提供帮助。


图1.传统降压稳压器拓扑图


图2.降压控制器开关周期示意图
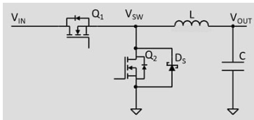
标准降压转换器拓扑如图1所示。有关其工作的详细DC-DC降压转换器教程,开关周期视图如图2所示。每次关闭一个开关时,都会引入一个死区时间,以确保第一个开关在另一个开关打开之前完全关闭。在此死区时间内,电流必须不断流过电感器,而该电流路径由内置于MOSFET Q中的所谓体二极管提供。2.在这短暂的时间里,有很多事情要做,尤其是在Q1打开,这就是额外的噪音发挥作用的地方。


图3.体二极管反向恢复电流曲线图
图 3 从 Q 之后放大2直到 Q 之后才关闭1打开。当 Q2关闭时,由于电感的磁场崩溃,电流将继续流过电感。这会导致电感两端的电压换向(反转),将开关节点(VSW)拉低,直到体二极管在Q2打开并传导。一旦死区时间过去,Q1已打开。这导致体二极管在Q2变得反向偏向。体二极管是PN结二极管结构,因此具有反向恢复时间的不幸特性。当体二极管最初反向偏置时,电流反向流过二极管。在表示的时间段内 t一个PN结中的电荷载流子被扫除。然后在时间 tb反向电流降至零,因为PN结建立了一个耗尽区域,可以阻止反向偏置。在 t 期间发生的电流脉冲RR在寄生电容和电感中感应电压,这些电压会对电路中的噪声产生重大影响。
有几个因素会影响反向恢复曲线的特性。最大的因素是体二极管具有固有的长反向恢复时间。MOSFET 经过优化,可降低栅极电荷和导通电阻;它们的体二极管是寄生PN结构,与在电力电子中使用的其他二极管相比,反向恢复速度较慢。恢复时间也取决于温度,在较高温度下会变得更糟。dI 的比率F反向恢复开始时的/dt主要受电路中的寄生电感的限制,设计人员试图将其降至最低。较低的寄生电感导致较高的dIF/dt,这导致更高的 |我R,最大|.几乎无法改善这些因素,因此要么接受额外的噪声,要么从工具箱中取出更好的二极管。


图4.添加肖特基二极管D的传统降压转换器示意图S
工具箱中更好的二极管是肖特基二极管(DS) 与 MOSFET 的体二极管并联放置,如图 4 所示。肖特基二极管具有较低的正向电压,因此当电感换向时,它而不是体二极管导通。Q 之后1导通,反向偏置 Q2,体二极管已经关闭(因为它从未打开过)。肖特基二极管由金属-半导体结而不是PN结制成,并立即关闭。肖特基二极管中有少量结电容,需要通过从Q1.这看起来类似于体二极管的反向恢复,但幅度较小。
这留下了一些问题:何时需要考虑减轻体二极管噪声,如何选择合适的二极管,以及应该如何物理实现?先把理论和跳脚的世界留到实践中去,将从一般指导而不是精确计算的角度来思考。导致反向恢复期间功耗的因素可以提供一些见解,由下式给出:
PRR = QRR x VIN x fSW (1)
其中 PRR是以瓦特为单位的功率,QRR是以库仑为单位的体二极管反向恢复电荷,fSW是以赫兹为单位的开关频率。QRR可以在MOSFET数据手册中找到,但通常在室温和特定dI下指定F/dt,这可能与您的特定条件不匹配。例如,QRR可能是指定值的 2.5 倍,因为 MOSFET 远高于 25°C。 尽管如此,等式1提供了一些总体趋势。体二极管噪声往往最高:
当开关频率高于300kHz-500kHz时
当输入电压较高时
当MOSFET温度较高时
频率在 10 秒到 100 兆赫之间
选择肖特基二极管时,要注意它只承载非常短的时间(通常为10s的ns),因此会看到轻热负载。一个相对较小的二极管就足够了。尽可能低的引线电感是肖特基二极管选择的优先事项。最好采用扁平引线的小型表面贴装封装。二极管应尽可能靠近MOSFET放置,以尽量减少两者之间的寄生电感。事实上,有些MOSFET可以集成肖特基二极管,因为寄生电感是有害的。虽然本文以传统的降压转换器拓扑为例,但这些概念同样适用于其他开关转换器类型。
〈烜芯微/XXW〉专业制造二极管,三极管,MOS管,桥堆等,20年,工厂直销省20%,上万家电路电器生产企业选用,专业的工程师帮您稳定好每一批产品,如果您有遇到什么需要帮助解决的,可以直接联系下方的联系号码或加QQ/微信,由我们的销售经理给您精准的报价以及产品介绍
联系号码:18923864027(同微信)
QQ:709211280