1 引言
作为逆变电路中的核心部件——大功率开关器件,一般分为三大类型,即双极型、单极型和混合型。双极型GTO、GTR、SITH等;单极型有功率MOSFET、SIT等;混合型有IGBT、MGT(MOS门极晶体管)等。这些大功率器件的运行状态及安全性直接决定了变频器和逆变器性能的优劣,而性能良好的驱动电路又是开关器件安全可靠运行的重要保障。本文重点介绍GTR的基极驱动电路。
大功率晶体管(GiantTransistor—GTR)也称巨型晶体管,是三层结构的双极全控型大功率高反压晶体管,它具有自关断能力,控制十分方便,并有饱和压降低和比较宽的安全工作区等优点,在许多电力变流装置中得到了应用。
在电力电子装置中,GTR主要工作在开关状态。GTR是一种电流控制型器件,即在其基极注入电流IB后,集电极便能得到放大了的电流IC,电流放大倍数由hFE来评价。对于工作在开关状态的GTR,关键的技术参数是反向耐压VCE和正向导通电流IC。由于GTR不是理想的开关,当饱和导通时,有管压降VCES,关断时有漏电流ICEO;加之开关转换过程中具有开通时间ton。(含延迟时间td和上升时间tr),关断时间toff(含存贮时间ts和下降时间tf),因此使用GTR时,对其集电极功耗PC与结温Tjm也应给予足够的重视。
2 基极驱动电路设计原则
GTR基极驱动电路和性能直接影响着GTR的工作状况,因此在设计基极驱动电路时应考虑以下两点:最优化驱动方式和自动快速?;ぁ?/div>
所谓最优化驱动,就是以理想的基极驱动电流波形去控制GTR的开关过程,以便提高开关速度,减小开关损耗。理想的基极驱动电流波形如图1所示。由图1可以看出,为加快开通时间和降低开通损耗,正向基极电流在开通初期不但要求有陡峭的前沿,而且要求有一定时间的过驱动电流IB1。导通阶段的基极驱动电流IB2应使GTR恰好维持在准饱和状态,以便缩短存储时间ts。一般情况下,过驱动电流IB1的数值选为准饱和基极驱动电流值IB2的3倍左右,过驱动电流波形前沿应控制在0.5μs以内,其宽度控制在2μs左右。关断GTR时,反向基极驱动电流IB3应大一些,以便加快基区中载流子的抽走速度,缩短关断时间,减小关断损耗,实际应用中,常选IB3=IB1或更大一些。这种基极驱动波形一般由加速电路和贝克箝位电路来实现。


图1 理想的基极驱动电流波形
另外,GTR的驱动电路还应有自?;すδ埽员阍诠收献刺履芸焖僮远谐藕?,以避免GTR的损坏。?;さ缏返睦嘈陀卸嘀?,根据器件及电路的不同要求可进行适当的选择。为了提高开关速度,可采用抗饱和保护电路;要保证开关电路自身功耗低,可采用退饱和?;さ缏罚灰乐够非贾缕骷刈刺?,可采用电源电压监控保护。此外,还有脉冲宽度限制电路以及防止GTR损坏的过压、过流、过热等保护电路。
基极驱动电路构成形式很多,归结起来有三个明显的趋势:
1)为了提高工作速度,都以抗饱和贝克箝位电路作为基本电路;
2)不断完善和扩大自动?;すδ?;
3)在开通和关断速度方面不断加以改进和完善。
3 基极驱动电路一例
3.1 电路组成与功能
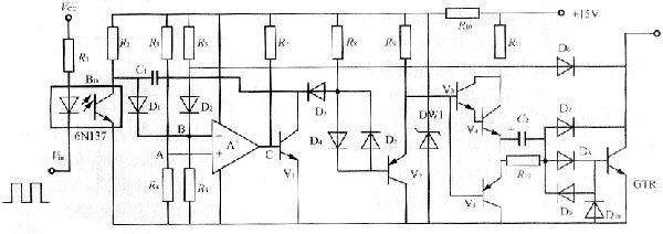
下面介绍一种实用高效自?;せ缏罚坏芪諫TR工作在准饱和状态,而且可以对GTR的过载提供快速可靠的?;?,防止GTR进入放大区。另外可以改善GTR的开关特性,缩短开关时间,降低驱动功率,提高驱动效率,具体电路如图2所示。它主要由信号隔离电路,退饱和检测电路,控制信号综合电路和具有反偏压的自适应输出电路组成。信号隔离电路由光电耦合器BD构成,实现逻辑控制电路与驱动电路之间的电气隔离;退饱和检测电路由二极管D6和电压比较器A1组成。当GTR的集-射极电压VCE高于某一规定值时,电压比较器A1输出过载?;ば藕拧?刂菩藕诺淖酆系缏酚扇躒1构成。其功能是将正常的开关驱动信号与退饱和禁止信号叠加处理后送至输出级。具有反偏压的自适应输出驱动级由三级管V3、V4,二极管D7、D8、D9,电容器C2等元器件组成,它的功能是提高开关速度和产生反偏压驱动波形。


图2 基极驱动电路
3.2 驱动电路的工作原理
当输入信号Vin为高电平时,光耦截止,B点近似等于电源电压,A点为R3与R4的分压电平,则VB>VA,电压比较器输出端C为低电平,三极管V1截止,V2导通,V3、V4截止,从而GTR截止。
当输入信号Vin由高电平变为低电平时,光耦输出由截止变为导通。C1经R8、D3进行充电,利用电容二端的电压不能突变的特点,V2的基极电位也变为零,V2截止,V3、V4导通,经过加速网络C2、R12使GTR迅速饱和导通;当GTR导通后,它的VCE随之下降,D6导通,使B点的电位箝位于VB=VCE<VA,电压比较器A1输出端C变为高电平,使V1导通,V2的基极电位维持在地电位上;维持V2截止,V3、V4导通。同时V1的导通给C1提供了放电回路,使电容C1的两端电压下降为零,为下次工作做准备。
当Vin由低电平变为高电平时,光耦输出级由导通变为截止,使D1导通,D2截止,重新使VB>VA,C点输出低电平,V1截止,V2导通,由C2、V5、D10、D9等组成的反偏电路使GTR迅速关断,D6同时截止。下一周期将重复上述工作过程。
带有反偏驱动电路的工作原理如下:当V4导通时,GTR也导通。通过加速电容C2的比较大的充电电流向GTR基极提供过驱动电流,最大电流仅受R11阻值限制。充电结束后,进入导通阶段,GTR的基极电流由R11、R12和D8共同决定,此时C2充有左正右负的电压。当V4关断V5导通时,电容C2经V5的C-E结→D10→D9→C2放电。GTR的反偏电压等于D10的导通压降,约为0.7V左右,使GTR迅速截止。
3.3 ?;さ缏饭ぷ髟?/div>
在正常工作过程中,由于D6导通,使VB=VCE;若GTR发生过载或其它原因退出饱和状态,使VCE上升到VB=VCE
3.4 驱动电路的器件要求
首先对光电耦合器的要求是高速型光耦。这是因为对于桥式逆变电路,同一桥臂的上下两个互补的控制信号之间应当设置死区时间tΔ(15~20μs之间),因普通光耦开关时间较长,一般在(4~6μs)之间,而后级驱动的延迟时间长达10μs左右,而且可能出现开通与关断时间不等的现象,使正常的死区时间得不到保证。为了能安全可靠地工作,必须选用高速型光耦,并把后级驱动总延迟严格限制在5μs以内。例如图2中选用高速型光耦6N137就能满足系统的要求。
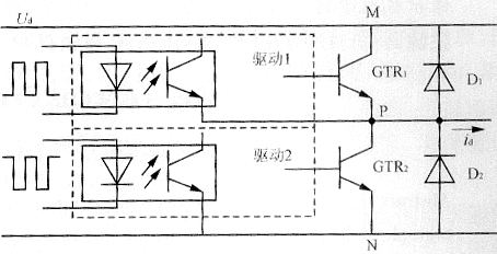
其次对光耦的要求是具有较强的抗干扰能力。这是因为在GTR的开关转换过程中,P点的电位是发生跳变的(图3)。如GTR1导通或D1续流时,P点与M点等电位;而GTR2导通或D2续流时,P点又与N点等电位。P点电位的跳变速度由二极管反向恢复时间决定。对于中小功率三相异步电机变频器,P点的dv/dt将达到每秒数千伏。若光耦抗干扰能力不强。P点电位的跳变将会通过光耦内部寄生电容耦合,在驱动电路中形成干扰脉冲,致使GTR发生误动作而不能正常工作。


图3 GTR主电路与驱动电路的连接关系
4 结语
驱动电路是GTR安全工作的基础,精心设计驱动电路,精心选择驱动电路元器件和参数,是保证整机可靠运行的一个重要环节。近年已广泛采用这类专用??榍缏?,(如UAA4002),使GTR的工作更加安全可靠。实践证明,本文设计的这套带反偏压自适应驱动电路结构简单,性能可靠,能满足采用GTR逆变器的一般驱动要求。
〈烜芯微/XXW〉专业制造二极管,三极管,MOS管,桥堆等,20年,工厂直销省20%,上万家电路电器生产企业选用,专业的工程师帮您稳定好每一批产品,如果您有遇到什么需要帮助解决的,可以直接联系下方的联系号码或加QQ/微信,由我们的销售经理给您精准的报价以及产品介绍
联系号码:18923864027(同微信)
QQ:709211280
- 上一篇:恒流二极管的特性,结构与应用介绍
- 下一篇:二极管并联使用电路的使用介绍
相关阅读
最新资讯
- 怎么用TVS二极管提高电路的抗突波能力
- PIN二极管的电导调制机制和应用介绍
- 基于双MOS管的防反灌电路工作原理介绍
- 高效率整流二极管的特性和应用介绍
- 详解稳压二极管的关键特性和应用原理
- MOS管选型关键因素分析,怎么选择合适的参数
- 三相整流电路分析,半波整流与全波整流的工作原理
- IGBT三相全桥整流电路工作原理介绍
- 详解快恢复二极管,结构,特性和应用介绍
- 三极管和MOS管组合式开关电路分析
联系烜芯微
咨询热线:
18923864027
传真:
18923864027
QQ:
709211280
地址:
深圳市福田区振中路84号爱华科研楼7层