三极管又分NPN型三极管和PNP型三极管。
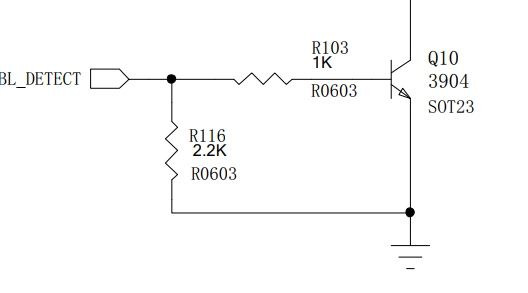
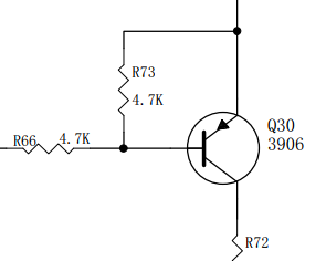
常用NPN三极管为3904,PNP三极管为3906。
NPN:


NPN三极管的基极为高电平时三极管导通。
PNP:


PNP三极管的基极为低电平时三极管导通。
三极管BE端并联电阻的作用:
三极管B-E间电阻不是限流更不是分压,但截止则是相对的,因为 b-e间有漏电流,而且,作为单片机的I/O口,其“0”状态也不完全是“0V”的(对地有一个MOS管的压降),这就有可能导致输出三极管截止不良(关不断),通过B-E间并一电阻可以让B极电压等与E级电压,从而让三极管可靠地截止,提高可靠性。
〈烜芯微/XXW〉专业制造二极管,三极管,MOS管,桥堆等,20年,工厂直销省20%,上万家电路电器生产企业选用,专业的工程师帮您稳定好每一批产品,如果您有遇到什么需要帮助解决的,可以直接联系下方的联系号码或加QQ/微信,由我们的销售经理给您精准的报价以及产品介绍
联系号码:18923864027(同微信)
QQ:709211280