提高晶体管开关速度的方法可以通过减少晶体管的输入电容来提高晶体管的开关速度,这可以通过减少晶体管的输入电容的大小来实现,从而减少晶体管的输入电容对输入信号的衰减,从而提高晶体管的开关速度。另外,还可以通过提高晶体管的漏极电流来提高晶体管的开关速度,这可以通过提高晶体管的漏极电流来实现,从而提高晶体管的开关速度。
今天我们来介绍提高晶体管开关速度的三种方法
1、使用加速电容
在基极限流电阻并联小容量的电容(一般pF级别),当输入信号上升、下降时候能够使限流电阻瞬间被旁路并提供基极电流,所以在晶体管由导通状态变化到截止状态时能够迅速从基极抽取电子(因为电子被旁路),消除开关时间的滞后,这个电容的作用的提高开关速度。
2、使用肖特基箝位
利用肖特基箝位也是提高晶体管开关速度的另外一种方法,我们熟悉的74LS、74ALS、74AS等典型的数字IC TTL的内部电路中也是采用这种技术。
3、选择合适的晶体三极管参数
选用晶体三极管反射结电容CBE较小的管子可以加快发射结电容的充电过程,发射结的正向偏置电压快速建立,进而可以缩短延迟时间td;选用放大倍数大的管子可以缩短基区载流子积累需要的时间,进而缩短管压降下降时间tr。
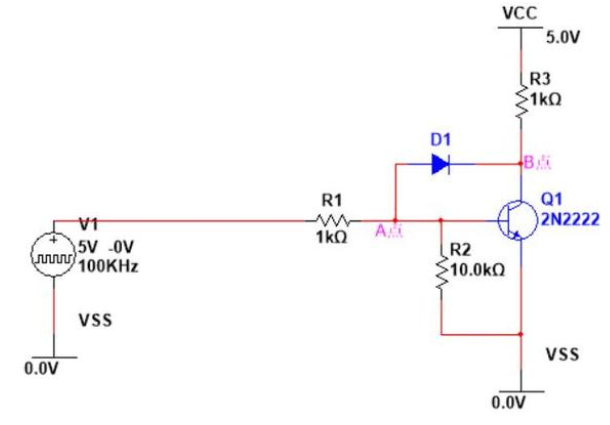
如下图,肖特基箝位在基极-集电极之间,这种二极管开关速度快,正向压降比PN结小,准确来说叫做肖特基势垒二极管。


由于肖特基二极管的正向压降比晶体管的Vbe小,因此,本来应该流过晶体管的大部分基极电流通过D1被旁路掉了,这时候流过晶体管的基极电流非常小,所以可以认为这时晶体管的导通状态很接近截止状态。
肖特基箝位可以看做是改变晶体管的工作点,减小电荷存储效应的影响,提高开关速度的方法
影响晶体管开关速度的因素
影响晶体管开关速度的因素主要有:
1)晶体管的类型:不同类型的晶体管具有不同的开关速度,例如BJT晶体管的开关速度比MOSFET晶体管的开关速度要慢;
2)晶体管的电流和电压:晶体管的电流和电压越大,晶体管的开关速度越快;
3)晶体管的外部电路:晶体管的外部电路越复杂,晶体管的开关速度越慢;
4)晶体管的温度:晶体管的温度越高,晶体管的开关速度越慢;
5)晶体管的封装类型:晶体管的封装类型越复杂,晶体管的开关速度越慢。
〈烜芯微/XXW〉专业制造二极管,三极管,MOS管,桥堆等,20年,工厂直销省20%,上万家电路电器生产企业选用,专业的工程师帮您稳定好每一批产品,如果您有遇到什么需要帮助解决的,可以直接联系下方的联系号码或加QQ/微信,由我们的销售经理给您精准的报价以及产品介绍
联系号码:18923864027(同微信)
QQ:709211280